ПЕРЕХОДНИКИ ( фланцы) на наждаки ( точила)
Roman4376
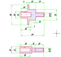
Продаю Переходники (фланцы) на 3 размера(20мм ,22мм и 32мм) на заводские и самодельные наждаки (точила) на разные камни и диски ( универсальные) по 1000р ( доставка по РОССИИ включена в стоимость переходника) . Внутренний диметр посадки 12,7 мм ,14 мм и 16 мм ,идеально подходят для самодельных наждаков с двигателями из стиральных машин . Крепеж к валу двигателя с
двух сторон на установочные винты либо болты . Территориально нахожусь КИРОВ ( ВЯТКА). Оплата на карту Сбербанка …3994. Вопросы в РМ или на почту [email protected]
Roman4376
Siniy Borod
На какой диаметр вала посадка рассчитана?
Roman4376
На вал 14 и 16мм . Внутрь просверлено на 27мм . Осталось 5 переходников в наличии .
Siniy Borod
Продолжение серии будет?
Мне б с другой посадкой бы…
Можете уточнить — как реализована установка дисков на 32, 22 (это ж болгарочные) и 20 мм? если 3 ступеньки — разница между 22 и 20, вроде, маловата?
Roman4376
Уточняю ,22 с одной стороны , 32 и 20 с другой . Все как у Аннушки ,все в притирочку !!!
Roman4376
Продолжение серии будет зависеть от реализации . Чтоб было над чем думать .
Siniy Borod
Roman4376
Продолжение серии будет зависеть от реализации . Чтоб было над чем думать .
Если будет — маякните.
. может будет реально одну штучку на другую посадку забубенить?
Roman4376
Ок , соберусь — маякну !!!
Siniy Borod
Не разобрали еще? 😊
Roman4376
Пока только одни резервы , денег не вижу .
Archik1
Приветствую.Возьму один на вал 14мм. По оплате в РМ.
Roman4376
Реквизиты скинул в РМ .
Archik1
Денюжку скинул.
Roman4376
Денежка в кассе ,сегодня отправлю ,трек скину в РМ .
Roman4376
Трек в РМ .
На почте зуб дали ,что гражданин Archik1 получит свой переходник вовремя .
Archik1
Трек принял .Спасибо за оперативность!Ну а на почте,они очень любят по ушам ездить)))
Roman4376
Остались 3 переходника , один на вал 14мм и два на 16мм .
VerusLupus
Получил переходник.
Изготовлен весьма достойно. Посадочный 14 мм выполнен именно посадочным, а не просто пройден разбитым сверлом. Все понравилось.
Большое спасибо.
Roman4376
Рад , что понравился ,надеюсь будет служить долго . УДАЧИ !!! Осталось 3 переходника с посадкой 14 и 16 мм .
Roman4376
Siniy Borod
Не продалось?
Очень ждется следующая партия…
Roman4376
Очень вялые продажи ,только резервисты одни .
Archik1
Доброе утро!Переходничек получил.Отличное качество исполнения комплекта!Сел на вал как «родной».Даже ключик для затяжки фиксирующих винтов в комплекте!Мелочь,а приятно! Спасибо!
Roman4376
Здравствуйте , ну нормально , что сел на вал как «родной» , значит будет служить .
Siniy Borod
Сегодня получил от Романа переходник…
Сел четко.. биений нет… камушки садятся отлично…
Почта, на удивление, отработала быстро — за 5 дней приехал…
Роман, СПАСИБО!!!
Roman4376
Рад ,что все норм . С наступающим Новым Годом !!!
Siniy Borod
С Новым годом!!!!
Roman4376
ИЗУЧУ спрос на переходники ( фланцы ) на наждаки ( точила) с посадкой на вал 12,7 мм . Пишите в РМ , кому может нужны подобные .
kmv1
Приобрету переходник, внутренний диаметр посадки 14 мм. п.м.
Roman4376
Ответил в РМ.
Roman4376
В наличии 3 переходника . Один на наждак с валом 12,7мм и 2 на вал 16мм . Цена с доставкой по России = 1000р
Roman4376
Benganman
Приветствую! возьму один на вал 16мм — тот что правый на фото.
Roman4376
Остались 1 переходник на китайские точила с посадкой 12,7мм + 2 переходника на вал 14мм на 2 размера камней 32мм и 22мм и один переходник на вал 16мм
Roman4376
Остались 1 переходник на китайские точила с посадкой 12,7мм + 2 переходника на вал 14мм на 2 размера камней 32мм и 22мм и один переходник на вал 16мм
Roman4376
Roman4376
Roman4376
Посылки отправлены ,все треки в почте ,наличие переходников смотрите выше .Вопросы в почту или РМ.
Benganman
Переходники получил. Спасибо!
Roman4376
Да на здоровье . Почта радует в этом году . Очень четко работает , без задержек !!!
Roman4376
В наличии фланцы на вал 14мм и 16 мм по 1000р с доставкой почтой России .
Roman4376
%d0%9f%d0%b5%d1%80%d0%b5%d1%85%d0%be%d0%b4%d0%bd%d0%b8%d0%ba+%d0%b4%d0%bb%d1%8f+%d0%bd%d0%b0%d0%b6%d0%b4%d0%b0%d0%ba%d0%b0
Сортировка:
Новые объявленияЦена по возростаниюЦена по убываниюСтарыеНовые
найдено: 0 объявлений по всей УкраинеСмотрите похожие объявления:
Радіатор інтеркулера конденсер Volkswagen New Beetle Passat b6 b5 b4
700 грн
Черновцы 5 дней назад
Радиатор интеркулер конденсер Volkswagen New Beetle Passat b6 b5 b4 b3
FanAvto — магазин автотоварів та аксесуарів для вашого автомобіля!
В нас ви знайдете все, що шукаєте.
• Безкоштовна Доставка
• Все в наявності
• Є гарантія на більшість товарів
• Доставка Новою поштою
• Можлива адресна доставка або доставка курєром
• Більше 450 тис запчастин на будь-яку марку авто
• Найдоступніші ціни
• Є наложений платіж або оплата на карту
• Індивідуальна консультація для підбору потрібного товару
•Хочете дешевше тоді потрібно зачекати 10днів привеземо будь яку деталь на замовлення дешевше ,за очікування велика знижка
Якщо у вас виникла проблем з підбором запчастин — звертайтесь до нас і ми зможемо підбрати для вас ідеальний варіант за доступною ціною
150********31) 196*********73.12
1500,1600 Variant (36) 196*********73.07
1500,1600 Наклонная задняя часть (31) 196*********75.03
166********** 1945.12
181 196*********83.11
411,412 196*********75.03
412 Variant 196*********75.03
AMAROK (2HA, 2HB, S1B, S6B, S7A, S7B) 2010.09 – амарок
ARTEON (3H7, 3H8) 2017.03 -артеон
ARTEON SHOOTING BRAKE (3H9) 2020.06 —
BEETLE (5C1, 5C2) 2011.04 — 2019.07 Бітл
BEETLE Кабриолет (5C7, 5C8) 2011.
11 —
CRAFTER Автобус (SYI, SYJ) 2016.09 —
CRAFTER Фургон (SY_, SX_) 2016.09 —
DELIVERY 1982.01 – Делівері деливери
DERBY (86) 197*********81.09 Дербі дерби
DERBY (86C, 80) 198*********84.12
EOS (1F7, 1F8) 2006.03 — 2015.08 ЕОФ
FOX Наклонная задняя часть (5Z1, 5Z3, 5Z4) 2003.08 — 2015.10
GOL II 199*********13.06 Гол
GOLF ALLTRACK VII Variant (BA5, BV5) 2014.12 —
GOLF I (17) 197*********85.12 Гольф
GOLF I Cabriolet (155) 197*********93.08
GOLF II (19E, 1G1) 198*********92.12
GOLF III (1h2) 198*********98.07
GOLF III Cabriolet (1E7) 199*********98.05
GOLF III Van (1h2) 199*********97.12
GOLF III Variant (1H5) 199*********99.04
GOLF IV (1J1) 199*********07.12
GOLF IV Cabriolet (1E7) 199*********02.12
GOLF IV Van (1J1) 199*********04.05
GOLF IV Variant (1J5) 199*********06.06
GOLF PLUS V (5M1, 521) 2004.12 — 2013.12
GOLF SPORTSVAN VII (AM1, AN1) 2014.02 —
GOLF V (1K1) 2003.10 — 2010.07
GOLF V Variant (1K5) 2007.01 — 2009.07
GOLF Van III Variant (1H5) 199*********99.12
GOLF VAN IV Variant (1J5) 199*********06.
12 Транспортер
TRANSPORTER II c бортовой платформой/ходовая часть 196*********79.07
TRANSPORTER II Автобус 196*********79.09
TRANSPORTER II Фургон 196*********79.07
TRANSPORTER III c бортовой платформой/ходовая часть 197*********92.12
TRANSPORTER III Автобус 197*********92.07
TRANSPORTER III Фургон 197*********92.12
TRANSPORTER IV c бортовой платформой/ходовая часть (70E, 70L 199*********03.04
TRANSPORTER IV Автобус (70B, 70C, 7DB, 7DK, 70J, 70K, 7DC, 7 199*********04.08
TRANSPORTER IV Фургон (70A, 70H, 7DA, 7DH) 199*********03.04
TRANSPORTER V c бортовой платформой/ходовая часть (7JD, 7JE, 2003.04 — 2015.08
TRANSPORTER V Автобус (7HB, 7HJ, 7EB, 7EJ, 7EF, 7EG, 7HF, 7E 2003.04 — 2015.08
TRANSPORTER V Фургон (7HA, 7HH, 7EA, 7EH) 2003.04 —
TRANSPORTER VI c бортовой платформой/ходовая часть (SFD, SFE 2015.04 —
TRANSPORTER VI Фургон (SGA, SGH, SHA, SHH) 2015.04 —
T-ROC (A11) 2017.07 —
UP! (121, 122, BL1, BL2, BL3, 123) 2011.08 —
VENTO (1h3) 199*********98.09 Венто
VOLKSBUS 1987.01 —
WORKER 1981.
Листы наждачной бумаги 3M 150-Grit Industrial Adapter — 5 дюймов Ш x 11 дюймов Д (6 карат) Доставка или самовывоз Рядом со мной Рядом со мной — Instacart
Бесплатная доставка первых 3 заказов. Применяются условия.
Отделы Больше способов делать покупкиБыстрая доставка
Получите за 1 час
Все на месте
Покупайте в избранном
Прямой чат
9000 2 Общение с покупателями Используйте кнопки «Далее» и «Назад» для навигации6 центов
100% гарантия качества
Разместите свой заказ со спокойной душой.
Kitchen Tropical Mango Veggie Smoothie
Последние отзывы
Май 2023
Заказ доставлен за 58 минут
Умная упаковка
Качественные товары
Дополнительные усилия
Клиент с 2017 г.
Дейли-Сити, Калифорния
Май 2023
Заказ доставлен за 60 минут
Полезный чат
Умная упаковка
Качественные товары
Покупатель с 2019 года
Сан-Франциско, Калифорния
Май 2023 года
Заказ доставлен за 22 минуты
Дополнительные усилия
Качественные товары
Умная упаковка
Покупатель с 2015 года
Сан-Франциско, Калифорния
Почему Instacart?
Доставка всего за 2 часа
Покупайте в местных магазинах по выгодным ценам
Получите высококачественные товары, которые вам нравятся
Общие вопросы
Это просто. Используя приложение или веб-сайт Instacart, покупайте товары в выбранном магазине рядом с вами.
После того, как вы разместите свой заказ, Instacart свяжет вас с личным покупателем в вашем районе, чтобы сделать покупку и доставить ваш заказ. Бесконтактная доставка доступна с нашей опцией «Оставить у моей двери». Вы можете отслеживать ход выполнения вашего заказа и общаться с покупателем на каждом этапе с помощью приложения или веб-сайта Instacart.Узнайте больше о том, как разместить заказ здесь.
С помощью приложения или веб-сайта Instacart выберите ближайший к вам магазин, предлагающий самовывоз, выберите «Самовывоз», а затем выберите предпочитаемое место получения, из которого вы хотите разместить свой заказ.Затем, когда вы приедете в магазин по вашему выбору, используйте приложение Instacart, чтобы уведомить нас. В зависимости от магазина покупатель или сотрудник магазина доставит продукты к вашему автомобилю, или вы можете забрать их в специально отведенном месте.
Узнайте больше о заказах на вынос здесь.
Вот разбивка стоимости доставки Instacart: — Стоимость доставки начинается с 3,99 долларов США для заказов в тот же день на сумму более 35 долларов США.
Тарифы различаются для доставки в течение часа, доставки в клубный магазин и доставки менее 35 долларов США.
. Плата за услуги варьируется и может меняться в зависимости от таких факторов, как местоположение, количество и типы товаров в вашей корзине. Заказы, содержащие алкоголь, оплачиваются отдельно.
— чаевые необязательны, но приветствуются при доставке заказов. Это отличный способ выразить признательность покупателю за отличный сервис. 100% ваших чаевых идет непосредственно покупателю, который доставляет ваш заказ.
С дополнительным членством в Instacart+ вы можете получить 0 долларов США за доставку за каждый заказ на сумму более 35 долларов США, а также более низкую плату за обслуживание.
Стоимость самовывоза Instacart:
— может взиматься «плата за самовывоз» (эквивалентная плате за доставку заказов на самовывоз), которая обычно составляет 1,99 доллара США для тех, кто не является участником Instacart+. Членство в Instacart+ освобождает от этого, как и от платы за доставку.
— Заказы на самовывоз не облагаются комиссией за обслуживание, независимо от членства в Instacart+ или Instacart+.
Узнайте больше о ценах Instacart здесь.
Если нужного вам товара нет в наличии в магазине, ваш покупатель выберет замену.Вы можете заранее установить товар и инструкции по доставке, а также напрямую общаться с покупателем, пока он делает покупки и доставляет ваши товары. Вы можете сказать покупателю:
— Найти наилучшее соответствие: По умолчанию, ваш покупатель будет выбирать замену для вашего товара исходя из своих соображений.
— Выберите конкретную замену: вы можете выбрать конкретную альтернативу для покупки покупателем, если вашего первого выбора нет в наличии.
— Не заменять: для товаров, которые вы не хотите заменять, выберите «Не заменять», чтобы получить возмещение, если товара нет в наличии.
Узнайте больше об инструкциях для определенных элементов или замен здесь.
Набор проводных многофункциональных инструментов Makita TM3010CX1 включает адаптер, наждачную бумагу и футляр
у }}) .
Вы в настоящее время совершаете покупки как {{ authInfo.email }} Вопросы относительно онлайн-заказа? Пожалуйста, позвоните по телефону 724-834-2811 .
Заказы, размещенные с использованием этой учетной записи, будут обрабатываться через Scott Electric Supply (дочерняя компания Scott Electric). Войдите в систему как учетная запись клиента Scott Electric или Scott Electric Supply, чтобы просмотреть полную информацию о ценах и наличии.
Позвоните, чтобы узнать цену (800) 442-8045
{{ checkForQtyBreaks(продукт) | валюта }}{{ getUnitOfMeasure(product.per) }} Превышение количества
· Более {{ brk.qty-1 }}: {{ brk.price | валюта }}{{ getUnitOfMeasure(product.per) }}
Подробные спецификации
{{alert.msg}}
Как вы это называете?
Кто-то просмотрит ваш поисковый запрос и добавит его в наш список «Также известен как».
Количество:
Этот товар необходимо заказывать в количестве {{ product.standardPackaging }}
Позвоните, чтобы узнать о наличии
Позвоните, чтобы узнать о наличии
Стоимость резки: {{ getCutCharge(product) | валюта }}
ПЕРЕВОЗКИ
БЕСПЛАТНАЯ ДОСТАВКА
0″> Этот товар необходимо заказать до 20:00 по восточному поясному времени для доставки на следующий день. 0″> Этот товар может быть недоступен для доставки на следующий день
Для выбранного адреса доставки требуется минимальный заказ {{ defaultSt.min | валюта }}, чтобы претендовать на бесплатную доставку. В противном случае вы можете забрать свой заказ в {{ getBranch(defaultSt.
branch) }}.
Компания Scott Electric предлагает бесплатную стандартную наземную доставку всех товаров, продаваемых через Интернет, только на территории США, если не указано иное.
СЛУЖБА ПОДДЕРЖКИ
Наш отдел обслуживания клиентов доступен с понедельника по пятницу с 8:00 до 17:00 по восточному поясному времени, чтобы ответить на ваши вопросы.
Обратите внимание: Ваш заказ будет обработан через компанию Scott Electric Supply (дочерняя компания Scott Electric).
Скотт Электрик является оптовым дистрибьютором электроэнергии. Если у вас нет учетной записи у нас, пожалуйста, свяжитесь с нами наш кредитный отдел и откройте учетную запись, чтобы получить доступ к местным ценам и доступности всего нашего онлайн-инвентаря.
