Как подключить компрессор холодильника напрямую без реле
Холодильник, как и любая бытовая техника, со временем может поломаться или просто устареть. Как показывает практика, второй вариант свойственен устройствам, которые в эксплуатации находятся двадцать и более лет. Но расстраиваться не стоит. Это повод приобрести новое современное оборудование. Оно отличается своими функциональными способностями в лучшую сторону. Поэтому такая замена будет вам только на руку.
Прежде чем выбрасывать холодильник, который пришел в негодность, проведите оценку работоспособности его отдельных деталей. Даже если произошла утечка фреона, и ремонт выполнить невозможно, то некоторые его агрегаты еще имеют ценность. Например, компрессор. Как показывает практика, его можно использовать не только в холодильнике, но и для решения многих других задач: накачать воздухом колеса, изготовить самодельный аппарат для покраски.
Компрессор в холодильнике: особенности устройства
Устройство холодильника
Компрессор в холодильнике – его важная составная часть.
Довольно часто после поломки основного устройства он сохраняет свои функциональные способности. Это важно учитывать и не спешить отправлять его на свалку. Он непременно вам пригодится.
Закреплена данная деталь с помощью 4 гаек и двух трубок. Чтобы его отрезать, необходимо первые открутить, а вторые отрезать с помощью ножовки. Также есть еще одна трубка, которая заглушена намертво. Она расположена очень близко к компрессору, поэтому распилить ее не получится. Это может повредить саму деталь. Лучше для ее отсоединения использовать кусачки. Также важно отметить, что начинается демонтаж детали только после того, как само устройство отключено от розетки.
Проверка компрессора на исправность: особенности процесса
Проверка компрессора
Если вы точно не знаете, исправен компрессор или нет, то после того, как он снят, необходимо проверить его работоспособность. Только после этого будет возможным его применение для других целей. Первое, что потребуется сделать, – это подключить деталь к электрической сети.
Признаками работы компрессора является следующее. Будет слышен звук в виде шипения. Он свидетельствует о том, что происходит процесс, заключающийся в засасывании воздуха в одну трубку и выходе через другую.
Компрессор
Важно во время демонтажа компрессора сохранить в нем масло целым и невредимым. Для этого перерезается кабель, который идет от датчика температуры. После этого проводится измерение показателей сопротивления, определяется месторасположение контактов, которые замкнуты. Это все потребуется и далее. Они являются пригодными для использования. Также стоит сохранить электросхему бытовой техники. Ее пример показан на фото, приведенном ниже.
Реле холодильника: особенности устройства
Реле компрессора
Во многих моделях холодильников фирмы «Атлант» предусмотрено наличие реле. Это и неудивительно. Данная деталь играет важную роль в процессе компрессора. Она отвечает за то, чтобы деталь не перегревалась, не ломалась. Исправное реле обеспечит длительную и качественную службу.
Чтобы подключить реле холодильника, важно определить марку устройства. После этого взять аналогичный элемент. При этом потребуются рекомендации, которые находятся в схеме устройства. Согласно им выполняется подключение реле. Причем процесс похож на тот, который проводится в холодильнике.
Как подключить реле компрессора холодильника?
Подключение реле
Чтобы подключить реле компрессора холодильника, необходимо выполнить несколько простых действий. При этом используется шланг стеклоомывателя. Найти его не составит труда. Он есть практически в любом магазине, который занимается продажей запчастей для автомобилей.
Что касается эксплуатации устройства, то важно следить за уровнем масла. Это позволит избежать перегрева. При этом длительность работы устройства не должна превышать сорока пяти минут. В противном случае оно может быстро выйти из строя.
Данное устройство является электрическим. Поэтому при его использовании необходимо соблюдать технику безопасности.
Прежде чем приступать к эксплуатации, обязательно проверяется качество изоляции проводов. При этом применяется только специальный материал. Во время использования устройства руки должны быть обязательно сухими.
Также стоит отметить, что надеяться на долгую службу подобного устройства не стоит. Так как на это гарантий никто не сможет предоставить. Это необходимо учитывать, поэтому иногда лучше приобрести новый компрессор, чем использовать самодельный.
Как подключить холодильник без реле?
Вопрос «Как подключить холодильник без реле?» интересует многих. Данный процесс имеет свои нюансы, которые важно учитывать. При этом важна не сама схема подключения, а ее принцип. Первое, с чего необходимо начать, – это прозвон общего вывода. Он расположен особняком левее от остальных. После этого потребуется приставить клемму к общему выводу. Вторая клемма присоединяется к рабочей обмотке. При этом важно определить, какая обмотка рабочая. В этом поможет показатель сопротивления.
Если выполнить неправильное подключение, то возможен перегрев компрессора, и устройство быстро выйдет строя. Поэтому важно проводить эту работу не только аккуратно, но и внимательно. Также стоит проверить на пробиваемость корпуса обмотками. В противном случае, прикоснувшись рукой, вы почувствуете удар тока. Вероятность этого достаточно велика, так как компрессор уже был ранее в использовании. Чтобы проверить обмотки, необходимо левую клемму присоединить к обмотке со стороны выхода. Правая же направляется с другой стороны корпуса. Таким образом проверяются остальные клеммы. Если было определено, что они надежны и не пробивают, то могут использоваться. Компрессор в рабочем состоянии будет максимально безопасен.
Посмотреть, как подключить холодильник без реле, можно на видео, которое приведено ниже.
На нем продемонстрированы все особенности и тонкости процесса.
Затяжной запуск мотор-компрессора холодильника — ремонт
Запуск мотор-компрессора с момента замыкания контактов терморегулятора нормально длится не более 1—2 с. Если ротор за это время не развернется и будет оставаться неподвижным, то большой ток, протекающий по цепи рабочей обмотки, приведет к.срабатыванию защитного реле. Во многих случаях мотор-компрессор может запуститься при последующем замыкании контактов защитного реле, а иногда лишь после двух-, трехкратного срабатывания.
Нарушено крепление реле. Если реле не будет находиться в вертикальном положении согласно метке, имеющейся на его корпусе, то сердечник пускового реле не сможет нормально втягиваться в соленоидную катушку и контакты не будут быстро замыкаться. В этом случае реле следует правильно установить и надежно закрепить.
Неисправность пускового реле. Проверить, происходит ли затяжной запуск мотор-компрессора по вине пускового реле, можно несколькими способами.
Проще всего это сделать путем его замены новым, соответствующим по типу (реле РТП-1 и РТК-Х взаимозаменяемы) и номинальному току. Нормальный запуск мотор-компрессора с новым реле будет указывать на неисправность реле, стоящего в холодильнике.
При отсутствии нового реле запуск мотор-компрессора можно проверить включением двигателя в сеть напрямую, без реле или только без пускового реле, но с защитным реле в цепи двигателя. Последний способ исключит возможность какого-либо непредвиденного перегрева обмоток.
Для запусков мотор-компрессора без реле рекомендуется иметь несложное устройство, состоящее в основном из двухжильного провода длиной 1,5 м, штепсельной вилки, кнопки (звонкового типа) с нормально разомкнутыми контактами и трех зажимов типа «крокодил». Зажимы должны быть снаружи тщательно изолированы и иметь соответствующие обозначения (Р, П, О) для правильного их присоединения к проходным контактам.
Запускают мотор-компрессор в следующем порядке: вначале следует вынуть вилку холодильника из штепсельной розетки сети и освободить проходные контакты от реле или присоединенных к ним проводов.
Определив, как присоединены концы обмоток к проходным контактам, надо надеть на них соответственно зажимы устройства. Вставить вилку устройства в розетку сети и быстро, на 1—2 с, нажать на кнопку для включения пусковой обмотки.
Реле РТП-1 и РТК-Х, расположенные на проходных контактах, следует снять и, не трогая проводов, надетых на клеммы, соединить трехжильным проводом гнезда реле с соответствующими проходными контактами. Не вставляя провод в гнездо 1 реле, включить терморегулятор и вставить вилку холодильника в розетку сети. Быстро, на 1—2 с, замкнуть свободный провод с гнездом 3 реле.
При расположении этих реле на раме мотор-компрессора вынуть провод из гнезда 1 реле и сделать так же, как указано выше. Перед выполнением указанных работ всегда должен быть включен терморегулятор.
При гарантийном обслуживании холодильника неисправное реле следует во всех случаях заменить, предварительно проверив его без нарушения пломбировки. Для проверки можно применить авометр, омметр или лампочку от карманного фонаря и батарею 3336Л (4,5В).
Пусковое реле проверяют следующим образом. Реле РТП-1 или РТК-Х ставят на стол противоположно их рабочему положению, т. е. стрелкой вниз, и проверяют цепь между гнездами 1 и 3 или между гнездом / и нижней клеммой у реле РТП-1 и верхней клеммой у реле РТК-Х. Реле LS-08B кладут тыльной стороной вверх (противоположно рабочему положению) и проверяют цепь между клеммами / и 2 или / и 3. Реле ДХР кладут клеммной площадкой вверх и проверяют цепь между клеммами 1 и 3 или 1 и 4.
При неисправности пускового реле во всех случаях цепи не должно быть. Следует, однако, иметь в виду, что при проверке цепи пусковых реле РТК-Х и LS-08B вышеуказанными способами отрыв контакта не всегда может быть обнаружен, так как у этих реле имеется две пары кантактов и при отрыве одного из них цепь при нерабочем положении реле может замыкаться через токопроводящую планку контактодержателя.
Если срок гарантии на холодильник прошел, то надо, установив, в чем заключается неисправность пускового реле, устранить ее.
В зависимости от состояния контактов их следует аккуратно зачистить самой мелкой шкуркой и промыть спиртом. Для проверки касания контактов при их замыкании реле следует повернуть противоположно его рабочему положению. В реле РТП-1 для обеспечения касания контактов друг друга с некоторым давлением надо подогнуть планку с неподвижным контактом.
Низкое напряжение в сети. Если запуск мотор-компрессора при замене пускозащитного реле по-прежнему остался затяжным, то рекомендуется проверить напряжение в сети в момент включения мотор-компрессора. При напряжении ниже оговоренного в заводской инструкции по пользованию холодильником обеспечить нормальный запуск мотор-компрессора не представляется возможным.
Неисправность холодильного агрегата. При отсутствии названных неисправностей, связанных с пускозащитным реле, и нормальном напряжении в сети необходимо проверить исправность мотор-компрессора.
Затяжной запуск мотор-компрессора может происходить в случаях повышенного трения (небольших заеданий) между отдельными трущимися частями (коленчатым валиком в подшипниках, поршнем в цилиндре) компрессора или ротора в статоре. Для того чтобы в этом убедиться, надо запустить мотор-компрессор, включив его напрямую в сеть.
При обнаружении неисправности мотор-компрессора холодильный агрегат следует направить на ремонт в мастерскую.
Частое включение мотор-компрессора (большое количество циклов в час) Холодильники обычно работают с 4—8 включениями мотор-компрессора в час, что определяет продолжительность одного цикла примерно в 8—15 мин. При нормальных условиях эксплуатации (коэффициент рабочего времени 0,25—0,35) продолжительность работы мотор-компрессора в цикле составит 2—4 мин.
Большое количество циклов нежелательно, так как при очень коротком времени работы мотор-компрессора в цикле (в пределах минуты) электродвигатель будет работать с повышенной потребляемой мощностью, а рабочая обмотка статора, не успевая охладиться за короткое время простоя, будет перегреваться.
Кроме того, частое размыкание контактов терморегулятора и пускового реле будет отрицательно влиять на их стойкость.
Неправильное крепление трубки сильфона. В холодильных агрегатах с алюминиевыми испарителями трубку сильфона обычно прикрепляют к стенке испарителя через пластмассовую прокладку или на ее конец надевают хлорвиниловую трубку. При креплении трубки непосредственно к стенке испарителя она (благодаря хорошей теплопроводности алюминия) будет быстро охлаждаться и часто отключать мотор-компрессор.
Чтобы уменьшить количество циклов до нормального (не более 8 циклов в час), следует проложить между трубкой сильфона и стенкой испарителя прокладку из пластмассы (полистирола, текстолита и др.) толщиной 1—2 мм
в зависимости от результатов (с увеличением толщины прокладки количество циклов будет уменьшаться) или надеть полиэтиленовую или полихлорвиниловую трубку на конец трубки сильфона, прижимаемый к стенке испарителя.
Следует учесть, что уменьшение количества циклов в час может привести к некоторому понижению температуры в камере.
Поэтому, чтобы сохранить температуру, рекомендуется перевести ручку терморегулятора на 1—2 деления шкалы в сторону положения «Выключено».
Компания «РемХолд» произведёт качественный ремонт холодильника по низким ценам!
Как запустить компрессор холодильника без пускового реле
Трехфазному двигателю наличие пусковой обмотки излишний элемент. Потребляя 380 вольт, врубается в сеть непосредственно, катушки статора сфазированы определенным образом. Требуется запуск от сети 230 вольт — умельцы начинают химичить. Появляются схемы звезды, треугольника, использующие конденсатор, обеспечивающий сдвиг напряжения на 90 градусов в произвольной обмотке относительно двух оставшихся. Первая выполняет роль пусковой, конденсатор должен отключаться, когда двигатель наберет обороты. Фактически из трехфазного мотора получается двухфазный. Конечно, можно сделать блок питания, выдающий три синусоиды, сдвинутые на 120 градусов друг относительно друга искусственным путем.
Пускозащитное реле холодильника вторит принципами работы асинхронных двигателей, служит реализации функций, заложенных названием.
Запуск асинхронного двигателя однофазной сетью 230 вольт
Напряжение 380 вольт – три фазы по 230 вольт каждая, оба случая рассматривают действующее значение. Вызывающее на пассивном сопротивлении аналогичный тепловой эффект. Переменное напряжение непрерывно меняется, цифру усредняют по времени. Результат называют действующим (эффективным) значением величины.
Чтобы двигатель асинхронного типа работал правильно, поле статора должно вращаться. Легко обеспечить (доказано Николой Тесла): на три обмотки подать соответствующие фазы. Происходит векторное сложение полей. Результирующий вектор плавно вращается, увлекая ротор. КПД трехфазных двигателей сети 380 В максимальный из прочих разновидностей, типов включений. В промышленности применяется непривычный жилому дому вольтаж. Может жилец получить 380 В? Гипотетически – да. Профессиональный электрик найдет три фазы, сдвинутые друг относительно друга на нужный угол (120 градусов).
Многоэтажки питаются сетью 380 вольт. Квартира получает 1 фазу. Редкие исключения ограничиваются современными многоэтажками. Некоторые образчики бытовой техники (кухонные плиты) питаются двумя фазами. Мера обеспечивает снижение требований к электрической проводке квартиры.
Фаза одна. Вращение поля невозможно принципиально. Движение получают, складывая минимум два вектора. Приходится использовать услуги конденсатора, сдвигающего напряжение на 90 градусов. Фактически при схеме звезды или треугольника одна обмотка выполняет роль пусковой, заставляет поле вращаться. В дальнейшем величина меняется линейно, поскольку двигатель набрал обороты, инерции хватит сохранить вращательное движение. Переменное поле будет ритмично толкать ротор в нужном направлении. Плавность уступает результирующей сложения трех векторов, функционированию домашней бытовой техники хватает.
Почему квартиры лишены трехфазного напряжения. Работа с ним требует глубоких знаний, отличных практических навыков.
230 вольт любой домохозяйке поможет подвести розетку. Одна фаза и земля (нейтраль). Думать не надо. Формулировка утрирована, но близка смыслу реального положения дел. Теряем КПД, получаем взамен простоту.
Что делает пусковая обмотка. Двигатель не войдет в рабочий режим, создает второй вектор, который в первом приближении позволяет считать поле внутри двигателя вращающимся. Неровного круга сдвинуть, раскрутить ротор хватает. Обороты набраны, пусковая катушка должна быть отключена, толку минимум, энергия тратится немалая, снижая КПД устройства.
Принцип действия пускозащитного реле
Пусковую катушку нужно отключить, когда обороты набраны. В момент старта обмотки потребляют большой ток, эффект позволяет отследить момент перекоммутации. Пусковое реле холодильника выполняет защитные функции (не всегда). Опцию реализует разогрев чувствительного элемента электрическим током. Порог превышен — цепь разрывается, невзирая, достигнут нужный режим холодильника согласно показаниям термостата или нет.
Придумано две схемы работы пускового реле (одновременно может быть защитным):
- «Таблетки» работают на основе материала, расширяемого нагревом. Изначально рабочий элемент холодный, пусковая обмотка потребляет ток, обеспечивая плавный пуск асинхронного двигателя. Постепенно температура таблетки поднимается, вызывая размыкание контакта, включенной остается рабочая катушка. Полагаем, для поддержания режима внутри реле установлен механизм предотвращения охлаждения таблетки. Дроссель рабочей обмотки, греющий элемент. Если таблеточное реле ломается, часто внутри можно услышать шорох рассыпавшегося порошка, изменяя положение корпуса прибора.
- Индукционные реле основаны на действии электромагнитов. При запуске ток большой и за счет этого сердечник прижимает контакты пусковой катушки. Со временем потребление двигателя падает. В результате сила тока уже не уравновесит пружину, контакты пусковой катушки размыкаются. Обратите внимание: важно сориентировать реле в пространстве правильно.
Часто сердечник падает, увлекаемый действием силы тяготения. Зато и тестировать такие элементы гораздо проще: повертите из стороны в сторону, чтобы контакты пускового реле изменяли сопротивление от нуля до бесконечности.
С таблетками часто идут в одном корпусе тепловые реле на биметаллической пластине. Через него проходит ток рабочей катушки. Как только величина превысит порог срабатывания, то контакты размыкаются, останавливая компрессор. Схема реле холодильника биметаллического типа основана на нагреве чувствительного элемента. В этом нет ничего сложного! Две пластины приварены друг к другу плотно. Коэффициент расширения металлов в них различен. Когда происходит нагрев двойная пластина изгибается в сторону материала, который меньше удлиняется. Становится возможным срабатывание реле. Такая схема часто применяется бытовой техникой.
В индукционных реле часто используется нагревающаяся спираль. Здесь материал уже один. Но греет (!) биметаллическую пластину. Через спираль проходит ток рабочей катушки.
Если ампераж слишком велик, то биметаллическая пластина разрывает контакты. У индукционного пускозащитного реле виды неисправностей следующие:
- перегорела спираль, в этом случае контакты не будут звониться в любом положении;
- заклинило сердечник, запуск двигателя не выполняется, или мотор глохнет через 5 – 10 секунд;
- нарушен режим работы пластины, холодильник отключается даже в нормальном режиме.
Хотим обратить внимание: тепловая защита полностью аварийная. В нормальном режиме работы срабатывать реле не должно. В то же время пусковая функция сопровождает холодильник в течение периода эксплуатации. Процесс переключения сопровождается легким щелчком. Пускозащитное реле в холодильнике часто слышим, когда прибор работает.
Конструкция пускозащитного реле
Пускозащитное реле напоминает внешним видом таблетку или неопределенной формы. Это такой маленький элемент, находящийся непосредственно возле черного бочкообразного корпуса компрессора.
Не задумывались, почему такой цвет сажи выбран окраской сердца холодильника?
Ответ прост: черный поглощает тепло, но также хорошо и излучает. В какую сторону движется процесс, определяет направление перепада температур компрессора и окружающей среды. Когда мотор горячий, то черный корпус отдает тепло воздуху. Кроме того неподалеку присутствует вентилятор, создающий принудительное охлаждение компрессора.
Схема коммутации пускозащитного реле холодильника:
- Фаза 220 В.
- Земля.
- Пусковая обмотка асинхронного двигателя компрессора.
- Рабочая обмотка асинхронного двигателя компрессора.
- Земля.
Обычно узнать, что и куда подключается, можно по цвету проводов. В любом случае ремонт следует проводить осторожно. Землю компрессора проще узнать, если соскоблить чуть-чуть краски с корпуса, прозвонить три контакта. Но этот метод оставляется напоследок, когда остальные не помогли.
com/embed/clyXN56vA08?feature=oembed»/>
Индукционные пускозащитные реле ДХР крепятся на неподвижную раму и работают в паре с компрессорами ДХМ. После обозначения может идти цифра, которая одинакова у обоих устройств. Различие конструкций в рабочем напряжении и токах срабатывания и отпускания. Для ускорения разрыва цепи при перегреве за биметаллической пластиной расположен магнит. Если металл попадает в поле действия, то срабатывание системы ускоряется. Магнит служит и для того, чтобы удержать биметаллическую пластину с разомкнутым контактом чуть дольше, чем нужно для нормализации температуры. Это дополнительная защитная мера.
Индукционное реле компрессора холодильника РТП отличается тем, что может находиться и на проводе. Не обязательно крепить к раме. Работа ведется с компрессорами ДХМ 3 и 5. Отличие от ДХР в несколько меньшем токе срабатывания. Это позволит надежнее защитить компрессор. Ток отпускания такой же. Умельцы используют холодильные компрессоры, изготавливая аппараты высокого давления, ресиверы.
Накачивают шины, используют пневматическое оборудование.
Прежде чем купить реле для холодильника, убедитесь, что изделие соответствует типу компрессора. Затем элемент необходимо правильно установить. Лучше брать именно ту марку, которая имелась до ремонта. Если реле холодильника Бирюса оснащена типом РТК, лучше такое и брать, несмотря на то, что для двигателя ДХМ подойдут также и РТП, и ДХР. Совместимость устройств помогут определить справочные таблицы. Указывают необходимые технические сведения.
Установленный в холодильных машинах компрессор с электрическим приводом обеспечивает циркуляцию хладагента и поддержание требуемой температуры в морозильных камерах. При снижении производительности или появлении проблем с запуском мотора следует проверить состояние цепей, а затем запустить компрессор холодильника без реле, что позволит убедиться в исправности агрегата.
Когда и зачем нужно такое подключение
Компрессор холодильного оборудования представляет собой поршневую машину с приводом от коллекторного электрического двигателя переменного тока.
Привод и нагнетательный механизм установлены на раме внутри металлического замкнутого корпуса. Кожух крепится к корпусу холодильника болтами через опоры с резиновыми демпфирующими вставками. На корпусе установлено специальное пусковое реле, в которое выведены контакты обмоток. Реле работает совместно с термостатом, обеспечивая поддержание заданной температуры в морозильной камере холодильной установки.
Подсоединение напрямую применяется для проверки состояния обмоток электрического двигателя без учета состояния реле, термостата и соединяющей проводки. Перед началом тестирования следует проверить работоспособность обмоток, а также отсутствие пробоя электрических цепей на корпус компрессора.
Проверка работоспособности компрессора
Проверить мотор можно при помощи тестового прибора, переключенного в режим измерения сопротивления. С реле демонтируется защитный кожух, из корпуса насосного агрегата выведены 3 провода, которые подсоединены к общему выходу, рабочей и пусковой обмотке.
Щупы прибора поочередно подсоединяются к контактам, сопротивление обмоток зависит от модификации электрического двигателя и даты выпуска. Нормальным считается значение в диапазоне 15-40 Ом, при отклонении параметра на 10 Ом и выше агрегат неисправен.
Для проверки состояния изоляционного слоя тестер подключается к выводам и корпусу компрессора. Рекомендуется прикладывать щуп к участку с удаленным слоем краски. На исправном агрегате цепь будет разомкнутой (измеритель покажет бесконечное сопротивление). После этого запускаем компрессор, подсоединив провода напрямую к контактам в распределительной коробке. Если прибор покажет конечное значение сопротивления, то имеется пробой или повреждение изоляционного слоя. Такое изделие запускать запрещено во избежание поражения пользователя электрическим током.
Как подключить и запустить
Допускается запустить компрессор холодильника без пускового реле, подав напряжение на пусковую и рабочую обмотку. Для коммутации используется медный многожильный кабель, на конце проводов устанавливаются соединительные клеммы, обеспечивающие надежный контакт.
Клеммы крепятся к общей точке и выводу рабочей обмотки. Для улучшения доступа к контактным площадкам допускается временно демонтировать пластиковый лоток для сбора конденсата и талой воды, расположенный на верхней части компрессора.
Подключение компрессора холодильника производится временным подключением пусковой цепи (например, отверткой с изолированной рукояткой). Для повышения безопасности работы в разрыв цепи устанавливается специальная кнопка, активирующая обмотку при нажатии. Если запуск не удается, то заклинили подшипники ротора электромотора или элементы конструкции кривошипного механизма. При заклинивании деталей мотор издает характерное гудение.
После запуска мотора владелец оборудования оставляет холодильник работающим, периодически оценивая состояние морозильной камеры и проверяя температуру теплообменника, расположенного на задней стенке корпуса. Если на поверхности камеры появляется слой льда, а радиатор нагревается, то следует проверять пусковое реле и термостат.
При отсутствии нагрева теплообменника и льда необходимо проверить наличие хладагента в магистралях.
Дополнительно рекомендуется проверить состояние поршневой группы. Для тестирования необходимо подсоединить манометр к нагнетательной магистрали; для коммутации используется специальная муфта. После включения мотора описанным выше способом стрелка прибора должна дойти до 6 атмосфер и выше, пониженное давление сигнализирует об износе поршня или зеркала цилиндра, о падении уровня фреона в холодильной установке.
Схема
В схему прямого подключения оборудования входят общая точка и вывод рабочей обмотки, которая имеет сопротивление в пределах 30-40 Ом. При подаче напряжения только на пусковую обмотку мотор работать не будет. На корпусах электрических двигателей или на реле наносится электрическая схема, которая поможет пользователю разобраться в тонкостях подключения. Рекомендуется подсоединять кабели питания инструментом, предназначенным для проведения электромонтажных работ.
Перед началом коммутации штепсельная вилка извлекается из розетки бытовой сети.
Холодильник, как и любая бытовая техника, со временем может поломаться или просто устареть. Как показывает практика, второй вариант свойственен устройствам, которые в эксплуатации находятся двадцать и более лет. Но расстраиваться не стоит. Это повод приобрести новое современное оборудование. Оно отличается своими функциональными способностями в лучшую сторону. Поэтому такая замена будет вам только на руку.
Прежде чем выбрасывать холодильник, который пришел в негодность, проведите оценку работоспособности его отдельных деталей. Даже если произошла утечка фреона, и ремонт выполнить невозможно, то некоторые его агрегаты еще имеют ценность. Например, компрессор. Как показывает практика, его можно использовать не только в холодильнике, но и для решения многих других задач: накачать воздухом колеса, изготовить самодельный аппарат для покраски.
Компрессор в холодильнике: особенности устройства
Компрессор в холодильнике – его важная составная часть.
Довольно часто после поломки основного устройства он сохраняет свои функциональные способности. Это важно учитывать и не спешить отправлять его на свалку. Он непременно вам пригодится.
Закреплена данная деталь с помощью 4 гаек и двух трубок. Чтобы его отрезать, необходимо первые открутить, а вторые отрезать с помощью ножовки. Также есть еще одна трубка, которая заглушена намертво. Она расположена очень близко к компрессору, поэтому распилить ее не получится. Это может повредить саму деталь. Лучше для ее отсоединения использовать кусачки. Также важно отметить, что начинается демонтаж детали только после того, как само устройство отключено от розетки.
Проверка компрессора на исправность: особенности процесса
Если вы точно не знаете, исправен компрессор или нет, то после того, как он снят, необходимо проверить его работоспособность. Только после этого будет возможным его применение для других целей. Первое, что потребуется сделать, – это подключить деталь к электрической сети.
Признаками работы компрессора является следующее. Будет слышен звук в виде шипения. Он свидетельствует о том, что происходит процесс, заключающийся в засасывании воздуха в одну трубку и выходе через другую.
Важно во время демонтажа компрессора сохранить в нем масло целым и невредимым. Для этого перерезается кабель, который идет от датчика температуры. После этого проводится измерение показателей сопротивления, определяется месторасположение контактов, которые замкнуты. Это все потребуется и далее. Они являются пригодными для использования. Также стоит сохранить электросхему бытовой техники. Ее пример показан на фото, приведенном ниже.
Реле холодильника: особенности устройства
Во многих моделях холодильников фирмы «Атлант» предусмотрено наличие реле. Это и неудивительно. Данная деталь играет важную роль в процессе компрессора. Она отвечает за то, чтобы деталь не перегревалась, не ломалась. Исправное реле обеспечит длительную и качественную службу.
Чтобы подключить реле холодильника, важно определить марку устройства. После этого взять аналогичный элемент. При этом потребуются рекомендации, которые находятся в схеме устройства. Согласно им выполняется подключение реле. Причем процесс похож на тот, который проводится в холодильнике.
Как подключить реле компрессора холодильника?
Чтобы подключить реле компрессора холодильника, необходимо выполнить несколько простых действий. При этом используется шланг стеклоомывателя. Найти его не составит труда. Он есть практически в любом магазине, который занимается продажей запчастей для автомобилей.
Что касается эксплуатации устройства, то важно следить за уровнем масла. Это позволит избежать перегрева. При этом длительность работы устройства не должна превышать сорока пяти минут. В противном случае оно может быстро выйти из строя.
Данное устройство является электрическим. Поэтому при его использовании необходимо соблюдать технику безопасности.
Прежде чем приступать к эксплуатации, обязательно проверяется качество изоляции проводов. При этом применяется только специальный материал. Во время использования устройства руки должны быть обязательно сухими.
Также стоит отметить, что надеяться на долгую службу подобного устройства не стоит. Так как на это гарантий никто не сможет предоставить. Это необходимо учитывать, поэтому иногда лучше приобрести новый компрессор, чем использовать самодельный.
Как подключить холодильник без реле?
Вопрос «Как подключить холодильник без реле?» интересует многих. Данный процесс имеет свои нюансы, которые важно учитывать. При этом важна не сама схема подключения, а ее принцип. Первое, с чего необходимо начать, – это прозвон общего вывода. Он расположен особняком левее от остальных. После этого потребуется приставить клемму к общему выводу. Вторая клемма присоединяется к рабочей обмотке. При этом важно определить, какая обмотка рабочая. В этом поможет показатель сопротивления.
Он должен быть невысоким. Большее сопротивление указывает на то, что обмотка является пусковой.
Если выполнить неправильное подключение, то возможен перегрев компрессора, и устройство быстро выйдет строя. Поэтому важно проводить эту работу не только аккуратно, но и внимательно. Также стоит проверить на пробиваемость корпуса обмотками. В противном случае, прикоснувшись рукой, вы почувствуете удар тока. Вероятность этого достаточно велика, так как компрессор уже был ранее в использовании. Чтобы проверить обмотки, необходимо левую клемму присоединить к обмотке со стороны выхода. Правая же направляется с другой стороны корпуса. Таким образом проверяются остальные клеммы. Если было определено, что они надежны и не пробивают, то могут использоваться. Компрессор в рабочем состоянии будет максимально безопасен.
Посмотреть, как подключить холодильник без реле, можно на видео, которое приведено ниже.
На нем продемонстрированы все особенности и тонкости процесса.
Пуско-защитное реле мотор-компрессора
В условиях круглосуточного пользования холодильником и цикличной работы холодильного агрегата включать пусковую обмотку при запусках двигателя вручную не представляется возможным. Для этой цели в агрегатах бытовых холодильников установлено пусковое реле.
Типы режимов пуска электродвигателей м/компрессоров бытовых холодильников:
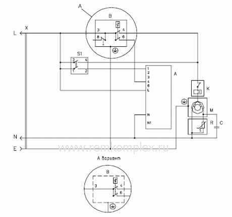
Тип 1 – RSCR — запуск через пускозащитное реле 8 и резистор R, работа через конденсатор С и рабочую обмотку.
1,2,3, — выводы обмоток электродвигателя, 4 – клеммная колодка, 5 – провод включения в сеть, 6 – терморегулятор, 7-реле тепловой защиты, 8 – реле пускозащитное.Тип 2 — CSIR — запуск через пускозащитное реле 8 и конденсатор С , работа через рабочую обмотку.
1,2,3, — выводы обмоток электродвигателя, 4 – клеммная колодка, 5 – провод включения в сеть, 6 – терморегулятор, 7-реле тепловой защиты, 8 – реле пускозащитноеТип 3 – RSIR — запуск через пускозащитное реле 8 и резистор R, работа через индуктивность L и рабочую обмотку.
Реле пускозащитное РКТ
Принцип работы РКТ: напряжение на рабочую обмотку компрессора поступает через спираль с высоким удельным сопротивлением и затем через контакты биметаллической пластины. При увеличении тока, протекающего через рабочую обмотку компрессора, например при заклинивании или межвитковом замыкании, спираль разогревается, и установленная в непосредственной близости от нее биметаллическая пластина с контактами вследствие нагрева изменяет свою форму и размыкает цепь. Позисторная часть реле работает следующим образом: в холодном состоянии позистор имеет сопротивление около 30 Ом. При запуске через него и конденсатор на пусковую обмотку компрессора подается напряжение смещения, которое и запускает компрессор. При возникновении каких либо проблем с пусковой обмоткой ток через позистор увеличивается, при нагреве его сопротивление резко увеличивается и компрессор не запускается.

реле РКТ-1…РКТ-6
температура срабатывания 120-140 С
температур возврата 60 — 75 С
Ток срабатывания (пусковой ток) (при t=80 С)
Максимальный ток срабатывания (при t=25 С)
Время срабатывания 6-15 сек
параметры пусковых реле PT, РТ-1 (позистор)
РТ
номинальное сопротивление (при 25 .С) 33+-8,5 Ом
потребляемая мощность 4,3 Вт
Время срабатывания 0,6-2,0 сек.
Время возврата 100 сек
Максимальное напряжение 500 В
РТ-1
номинальное сопротивление 3,3+-1 Ом
потребляемая мощность 4,3 Вт
Время срабатывания 0,6-2,0 сек
Время возврата 100 сек
Максимальное напряжение 200 В
Замена пускового конденсатора (part #65889-4) холодильника whirlpool (side-by-side)
Как заменить реле в холодильнике (порядок замены в разных моделях)
Норд, Аристон, Индезит, Стинол
Холодильники этих марок обладают сходной конструкцией.
Замену лучше проводить в следующем порядке:
- выключить вилку из розетки;
- открутить винт, крепящий шланг к задней панели;
- вывинтить шурупы, крепящие заднюю панель мотора;
Демонтаж Норд, Аристон, Индезит, Стинол
- снять панель и отодвинуть ее;
- пассатижами или острогубцами отжать защелки реле;
Отжатие защелок
- снять неисправную деталь;
- отсоединить контакты и промаркировать провода.
Отсоединение контактов
Далее следует взять исправное устройство и установить, соблюдая обратный порядок действий.
Атлант и Минск
Эти популярные марки выпускаются на одном заводе и обладают сходным устройством.
Чтобы снять реле на холодильниках марок Атлант или Минск, следует:
- Убедиться в том, что устройство отключено от электрической сети.
- Аккуратно снять проволочный зажим, удерживающий реле.
- Снять контакты
- Промаркировать провода. Это поможет не перепутать их при сборке, особенно на старых холодильниках с потемневшими или изменившими цвет проводами.

- Отвинтить винты, крепящие реле к корпусу мотора — компрессора.
- Снять устройство, отжав проволочный зажим.
Демонтаж Атлант, Минск
Исправное реле монтируют в таком порядке:
- Установить устройство на корпус мотора – компрессора.
- Привинтить его, надежно закрепив скобу.
- Присоединить провода в соответствии с выполненной при демонтаже маркировкой.
- Вернуть на место проволочный зажим.
Liebherr
Холодильники этой марки отличаются высокой надежностью, но, тем не менее, выход пускозащитного реле из строя также случается. Типичные причины неисправности:
- перегрев спирали;
- потеря гибкости биметаллической пластины;
- заклинивание контактной группы.
Ввиду высокой стоимости комплектующих, можно попробовать диагностировать эти неисправности самостоятельно. Реле на холодильниках Liebherr смонтировано рядом с мотор-компрессором и доступно непосредственно со стороны задней стенки.
Если снять пластмассовую крышку, то можно осмотреть детали устройства. Контактные группы можно зачистить мелкой шкуркой. Следует также проверить исправность возвратной пружины.
Снятие реле Liebherr
Если после зачистки контактов устройство не заработало, следует вывинтить винты крепления, расположенные в углах прибора, отсоединить подводящие провода и заменить реле. Новое реле нужно установить точно в таком же положении, что и старое. Нарушение ориентации приведет к тому, что контакты не будут уходить вниз под действием силы тяжести.
Если вы не уверены в своих знаниях электротехники, лучше не рисковать и все-таки вызвать мастера. Стоимость ремонта в сервис-центре, как правило, все-таки ниже, чем цена всего холодильника.
Компрессоры в разных холодильниках
Холодильные аппараты Атлант достаточно надежны в эксплуатации. Но бывает, что в его камере переизбыток или недостаток холодного воздуха. Одна из причин – снижение работы мотора компрессора. Проверить исправность компрессора холодильника Атлант следует специальным измерительным прибором.
При закрытой дверце холодильника контакты разомкнуты, ток пойдет сразу через компрессор. Сопротивление должно быть от 10-30 Ом.
Измеряем сопротивление при закрытой дверце. Если оно большое и не включается копрессор холодильника Атлант, то возможно, сгорел двигатель. Проблема может быть в неисправности термостата или пускозащитного реле.
Трудности могут возникнуть при снятии боковой крышки реле. Следующий шаг – снятие кабеля, который идет внутрь. До этого неплохо сделать фото, чтобы потом совершить обратный монтаж. Далее снимаем все другие провода. Снимаем скобу, на которую крепится реле. Нужно проверить реле компрессора холодильника, прозвонив его контакты.
Следует также определить, как работает катушка. На цепь питания обмотки компрессора подается напряжение 220 В. Тестером необходимо проверить давление в обмотке. Если реле щелкает, то проблема в конденсаторе. Его следует заменить на новый.
Запустить холодильник можно напрямую, без реле. Если двигатель не заработал, то можно попробовать завести его еще раз с конденсатором из старого холодильного прибора.
При серьезной неисправности холодильника Атлант вызываем мастера.
В холодильниках Индезит причиной неисправности компрессора может быть его долгая эксплуатация. Нестабильную работу могут вызвать скачки в напряжении.
Если компрессор в холодильнике Индезит гоняет фреон, температура в камерах непостоянна, слышны посторонние звуки, то для его полной диагностики следует вызвать мастера.
В некоторых холодильниках стоят инверторные компрессоры. Они помогает сэкономить электроэнергию, холодильник работает тихо, хорошо регулируется температура. У такого прибора большой гарантийный срок, но и он может сломаться.
Как проверить инверторный компрессор холодильника? Если он не рабочий, то следует отдельно проверить инвертор. На его выход нужно повесить лампочки 60 Вт — 220 Вт, соединенные треугольником. Без генератора они не должны гореть. Подключаем генератор, инвертор запускается. Лампы вспыхивают по кругу. Подключаем компрессор.
Инвертерные компрессоры подходят не для всех типов холодильников.
Итак, если вы уверены в своих силах, то попробуйте отремонтировать холодильник самостоятельно. Будьте осторожны и соблюдайте технику безопасности. Если нет никакого опыта, лучше вызвать мастера.
Замена и подключение пускового (пускозащитного) реле в холодильнике Норд
Прежде чем разбирать, заменять или подключать пусковое реле ПЗР, следует определиться с его электрической схемой. Существует несколько разновидностей:
- Таблетка.
- Индукционный механизм.
- Тепловое реле, работающее на биметаллической пластине.
- Индукционный механизм, совмещенный с биметаллической пластиной.
Компрессор от холодильника
Пускозащитное реле имеет 2 или 3 выхода.
Данный фактор тоже необходимо учитывать, в противном случае пользы от проведенных ремонтных работ не будет. Для холодильника Норд подходят пусковые обмотки следующих типов: ПЗР-01 Норд, 4А, ПЗР-00 Норд, MPV 09К-1, MPV 09К-0,9А.
Перед тем, как приобретать реле ПЗР холодильника Норд, следует обращать внимание на марку пускозащитного реле, вышедшего из строя. Если такое же найти не удалось, то нужно подбирать в зависимости от типа компрессора
В некоторых случаях делать разборку нет необходимости. Полную замену РТК-Х проводят следующим образом:
- разъединяют контакты мотора-компрессора и пускового реле;
- устраняют скобу, с помощью которой механизм присоединяют корпус;
- плавными движениями снимают реле с контактов, расположенных на выходе;
- новый пускозащитный механизм устанавливают на место старого.
Пускозащитное реле
Далее все действия повторяют в обратной последовательности.
При наличии пускового реле типа РПЗ-24 замену производят немного по-другому:
- снимают проволочную деталь, посредством которой осуществляют зажим;
- удаляют такой элемент, как колодка;
- аккуратно вытаскивают реле, вышедшее из строя;
- освобождают деталь от рамной конструкции.

В результате пусковое реле отсоединяется, а прокладка остается. Последний этап заключается в установке отремонтированного или приобретенного механизма на соответствующее место. После него следует подключение реле холодильника.
Схема термореле
Терморегулятор в холодильной установке играет роль устройства, поддерживающего работу в заданном температурном режиме путем периодического включения и отключения компрессора. На современном этапе применяется 2 вида термореле:
Механические устройства используются в старых холодильниках, а также у таких современных производителей, как Indesit, Stinol, Atlant.
Схема механического терморегулятора
Данное устройство манометрического вида. Сильфон и его трубка (запаянная гофрированная металлическая емкость) заполнены фреоном либо хлорметилом, находящимся в виде пара.
Давление рабочей среды прямо пропорционально изменяется при изменении температуры. В конце трубки фреон находится в жидком состоянии и прижимается к испарителю.
При увеличении температурного показателя, возрастает давление сильфона на пружину, срабатывает рычаг, контакт замыкается. При уменьшении температуры все происходит наоборот. Режим размыкания контакта зависит от усилия пружины, которое регулируется ручкой управления.
Электронные термостаты используются в холодильниках таких производителей, как Samsung, Beko, LG.
Механические термореле в своей работе опираются на температуру в испарителе, а электронные собратья – на температуру воздуха в камере. Положительным моментом электронных моделей является возможность индикации температуры (то есть человек может визуально оценить работу термостата) и меньшая погрешность.
Схема электронного термостата
Регулятором температуры в данной схеме служит термодатчик LM335. Устройство является стабилитроном, чувствительным к изменениям температуры.
Климат в камере холодильника регулируется переменным сопротивлением R4. При повышении температуры воздуха на выходе компаратора TLC271 появляется сигнал, открывающий транзистор KT3102, который запускает холодильник. Соответственно при понижении температуры, на выходе компаратора появляется ноль, компрессор выключается.
Реле холодильника: особенности устройства
Реле пуска мотора так и называется – пускозащитное реле компрессора, холодильника.
Пусковое реле
В таких случаях, главная задача этого узла – отщелкнуть двигатель от сети. Подключение этой компоненты делается для того, чтобы не произошла перегрузка (перегорание): чтобы не загорелась обмотка холодильника, чтобы не сгорела розетка. Напряжение идет достаточно большое. Если оставить надолго подключение напрямую, в рабочем состоянии, то с большой вероятностью может загореться обмотка. Именно поэтому лучше использовать именно с таким двигателем, ведь оно, как правило, рассчитано на потребляемую мотором мощность.
В современных компонентах не предусматривается отсечение, т.е. защита сети от перегоревшей обмотки.
Реле с отсутствующим отсекателем
Здесь имеется термоэлемент (позистор), этот элемент при увеличении сопротивления отрубает пусковую обмотку. Однако большинство устройств не содержит специальной вольфрамовой пружинки.
Реле: взгляд изнутри
Когда обмотка мотора замкнута, эта вольфрамовая пружинка должна нагреваться и отсекать систему от электросети. Именно поэтому желательно отсекатели, которые не содержат пружинки, вообще не ставить. Однако, использовать их на тех моторах, внутри которых установлены отсекатели, можно.
Правила эксплуатации холодильников Бирюса
Соблюдение рекомендуемых норм позволит не беспокоиться о покупке нового холодильника ближайшие 7-10 лет. В противном случае агрегат Бирюса прослужит недолго. Поэтому необходимо:
- размораживать его не менее одного раза в 6 месяцев;
- своевременно удалять загрязнения и оставшиеся частички пищи;
- внедрить в схему устройство для стабилизации перепадов электрической сети;
- остужать горячие продукты перед тем, как ставить их в холодильник Бирюса.

Устройство пускового реле Р1 для холодильника Бирюса 22 (3, 6, 18)
При осмотре данного устройства первым делом обращают внимание на контакты обмотки пускового типа, относящейся к электродвигателю. Далее следует перемычка, держащаяся на «якоре»
Нихромовая спираль и биметаллическая пластина в соединении образуют термопредохранитель, который начинает свою работу вслед за обмоткой двигателя, обеспечивая тем самым его защиту. Но при наличии проблем с электрическим двигателем и их игнорировании предохранитель часто размыкает и смыкает цепь, провоцируя свой выход из строя.
Реле холодильника
Пусковое (пускозащитное) реле
Р1 – это не единственный вариант реле для Бирюсы 3 (6, 18, 22), помимо имеются Р4 и Р3. Они обладают схожей конструкцией, но различны по силе тока. При необходимости их можно заменить механизмом из этой серии. Например, Р4 реально поставить на место PAR-4 (Р1, PAR-3, Р3), а Р3 вполне заменяемо с PAR-3 и Р1.
Ремонт и подключение пускового реле
Без разбора реле ее сделать невозможно, поэтому следуем алгоритму:
- Устраняем заклепки, обеспечивающие крепление пускового (пускозащитного) реле холодильника.

- Снимаем крышку данного устройства.
- Извлекаем и осматриваем другие компоненты (шток, пружину, сердечник).
Порядок действий изображен на фото.
Подключение реле
К основным неисправностям пускового (пускозащитного) реле холодильника Бирюса 22:
- обгорание контактов;
- нарушение структуры нихромовой спирали;
- заклинивание элементов катушки;
- проблемы со штоком.
Для устранения возникших неприятностей необходимо посредством спиртовой салфетки убрать пыль и другие загрязнения. Против коррозионного процесса будет эффективна наждачная бумага. Внедрение пускового реле для холодильника Бирюса 18 (3, 6, 22) в электрическую схему обычно происходит в обратной последовательности.
Для того, чтобы заменить шток из пластмассы, понадобится новый элемент, идентичный старому. Также эту деталь можно изготовить самостоятельно. Ее делают из гвоздя, обладающего параметрами 2,5 мм на 35 мм. Они могут разниться в зависимости от типа пускозащитного (пускового) реле холодильника Бирюса 22 (18, 3,6), от его электрической схемы.
Обгоревшие контакты являются причиной для замены пускового реле. Большое значение имеет нагреватель. Его перегорание вызывает выход холодильника Бирюса из строя, то есть его нормальное подключение будет уже невозможным. Для диагностирования проблемы, возникшей в электрической схеме, необходим омметр, который используют только после снятия крышки пускозащитного реле.
Самостоятельный ремонт неисправностей двухкамерного холодильника Бирюса не рекомендуется проводить при отсутствии соответствующих навыков и знаний. Проще сразу вызвать профессионального мастера и продлить жизнь своему агрегату. Неполадки пускового реле холодильника Бирюса при отсутствии своевременного проведения ремонтных работ способствуют перегреву компрессора, его выходу из строя и последующей замене.
В большинстве случаев стоимость установки новых оригинальных деталей (компрессора и пускового реле) и их подключение – это менее выгодно, чем приобрести новый холодильник Бирюса 3 (6, 22, 18). Поэтому следуйте правилам эксплуатации, вовремя ремонтируйте поврежденные компоненты, входящую в схему электрической цепи, и ваш бытовой прибор Бирюса 6 (22, 3, 18) будет работать бесперебойно довольно долгий период.
Описание процесса охлаждения
Устройства, из которых состоит холодильник, известны. Теперь будет представлена схема их взаимодействия, чтобы охладить внутреннюю среду.
Работа простого холодильника без дополнительных устройств вроде системы NoFrost построена следующим образом:
- При помощи мотор-компрессора хладагент или фреон в газообразном состоянии высасывается из испарителя. Компрессор сжимает газ и через фильтрующий элемент выталкивает его в конденсатор.
- В результате сжатия жидкий фреон нагревается. В конденсаторе он остывает до комнатной температуры и переходит в жидкое состояние.
- Хладагент в жидком состоянии находится под давлением, которое создаёт компрессор. Из конденсатора жидкий фреон попадает через капилляр в испаритель. Там агрегатное состояние меняется обратно на газообразное. Но для перехода в газ фреону требуется тепло. Оно отнимается у стенок внутренней полости холодильника. В результате пространство охлаждается, а фреон становится газообразным.

- Процесс длится до того момента, пока в испарителе не будет достигнута предварительно заданная терморегулятором температура. Как только она будет достигнута, терморегулятор выключит электрическую цепь, и компрессор прекратит работу.
- Спустя некоторое время внутри холодильника температура начнёт расти, поскольку охлаждение будет отсутствовать. Однако терморегулятор замкнёт контакты, и пусковое реле включит электродвигатель компрессора. Цикл повторится заново.
Как видно, процесс работы холодильника построен на переходе охлаждающей жидкости (фреона или хладагента) из жидкого состояния в газообразное. Чтобы превратиться в пар, фреону требуется тепло. Это тепло он отнимает во внутреннем пространстве камер холодильника. Чтобы автоматизировать процесс, в холодильнике используется автоматическое оборудование для терморегулирования и включения/выключения электромотора.
Виды пускозащитных реле
Несмотря на многообразие внешнего исполнения, в современных холодильниках применяются два основных вида пускозащитных реле:
- Токовые.
Срабатывают по достижении определенной величины протекающего тока. Нормально работающий мотор потребляет заданный ток. При перегреве мотора потребляемый ток резко возрастает, прибор срабатывает и разрывает цепь, отключая двигатель. После остывания мотора устройство возобновляет его работу. - Токово-тепловые. Срабатывают как по достижении значения тока, так и по достижении заданной температуры. Пока двигатель потребляет нормальный ток, спираль, через которую он проходит, подвержена небольшому нагреву и не оказывает воздействия на биметаллическую пластину. Чем выше проходящий ток, тем больше нагревается спираль. Она нагревает чувствительную пластину, та меняет свою форму настолько, что это приводит к размыканию контактов, через которые запитан электродвигатель.
Внешний вид различных моделей
В токово-тепловых приборах рост температуры приводит к изменению формы биметаллической пластины. Она сварена из двух пластин, металлы которых имеют различный коэффициент теплового расширения.
Биметаллическая пластина при нагреве изгибается и размыкает контактную группу, отключая электродвигатель. После того, как двигатель остыл, пластина возвращается к исходной форме и замыкает контактные группы, снова запуская двигатель. Кроме схемы тепловой защиты, двигатель включается и отключается также термостатом.
Пластина нагревается различными способами:
- прямой – нагрев осуществляется протекающим током;
- косвенный – используется отдельный спиралевидный нагреватель.
Пускозащитное устройство также выполняет функцию запуска электродвигателя. Для этого на короткое время на обмотку двигателя подается большой пусковой ток, а после того, как ротор стронется с места и начнет свое вращение, ток уменьшается до рабочих значений.
Внешне устройство выглядит как небольшая коробочка, закрепленная на кожухе компрессора.
Внешний вид индукционного реле
Устройства могут иметь:
- Два контакта – фаза 220 вольт и Земля. Применяется на синхронных электромоторах.

- Три контакта: пусковая обмотка, рабочая обмотка и Земля. Такие конструкции используются на асинхронных электродвигателях.
Контакты различают по цвету проходящих к ним кабелей.
Индукционные реле типа ДХР закреплены на раме холодильника и предназначены для управления мотор-компрессорами типа ДХМ. Для повышения скорости срабатывания и отключения двигателя рядом с пластиной размещен сильный постоянный магнит. Когда пластина, искривляясь под действием тепла, попадает в зону притяжения магнита, он притягивает ее, ускоряя срабатывание. Притяжение магнита дает также дополнительное время для остывания перегретого мотора. Остывшая пластина преодолевает притяжение магнита и замыкает контакты.
Реле типа РТП отличается меньшим током срабатывания и меньшими габаритами. Оно не требует закрепления на раме и монтируется непосредственно на проводах.
Проверить исправность пускозащитного реле можно омметром, мультиметром или другим доступным измерительным прибором.
У исправного прибора нулевое сопротивление между контактами. Если же сопротивление бесконечное – устройство неисправно и его надо поменять.
Пускозащитное устройство работает в единой электрической схеме с терморегулятором.
Электрическая схема
В руководстве пользователя холодильника указано, какие приборы могут использоваться для каждой конкретной модели. Это позволяет выбрать подходящее устройство для замены, если точно такие же, как вышли из строя, будут недоступны.
Из чего состоит пускозащитное устройство
Рассмотрим конструкцию реле на примере «Таблетки». Интересующая нас деталь находится возле мотора-компрессора. Ее цвет черный, так как он лучше всех остальных оттенков впитывает тепло. Далее необходимо отметить две фазы (одна на 220 В, а другая для заземления) и, соответственно, два входа/выхода. В некоторых моделях холодильников предусмотрено три фазы (третьей считается фаза земли). Также имеется обмотка двигателя и непосредственно пусковая.
Компрессор
Подключить пусковое реле холодильника не сложно.
Главное иметь определенные навыки, электрическую схему и инструкцию к холодильнику. Для облегчения работы мастерам и обычным пользователям провода уже окрашены. Просто при снятии старого реле нужно запомнить их расположение, а при установке нового вернуть их на место. Далее останется только подключить работоспособное устройство.
Но даже провода, оформленные каждый в свой цвет, не предотвратят возникшую неисправность. Вне зависимости от операции все движения должны быть аккуратными и плавными. Одним резким рывком реально вывести холодильник из строя насовсем. Перед тем, как начинать работать, следует проверить все контакты. Легче всего это сделать, сняв немного краски с корпуса, но так поступать нужно только в самом крайнем случае.
Схема подключения для «таблетки»
Разница в местоположении реле разных типов
Прежде чем подключать реле, следует определиться с тем, где оно находится. Ведь разновидностей много, следовательно, и конструкций тоже. Первое, что бросается в глаза, это размеры, далее следует способ крепления (без присоединения к раме, на проводе) и показатели силы тока, например, реле ДХМ работает на меньших параметрах, чем ДХР.
Если возникла необходимость напрямую подключить холодильник без реле, то эти нюансы не пригодятся. Подбор подходящей детали должен осуществляться с учетом марки холодильника, типа мотора-компрессора, техническим параметрам и требуемой конструкции. Желательно, чтобы последняя была такой же, что и у предыдущего реле.
Пусковое реле холодильника Антант присоединяется к кожуху мотора-компрессора. Чтобы разместить устройство правильно, необходимо ориентироваться на стрелку, изображенную на крышке. Пример на фото.
Компрессор подготовлен для ремонта
Что такое компрессор
Это одна из самых главных запчастей холодильной установки. Крепится он с помощью двух труб и четырех гаек. При демонтаже детали гайки придется отвернуть. Перед тем, как подключить компрессор от холодильника без реле, необходимо проверить его исправность.
Данный элемент находится в рабочем состоянии, если
- он, будучи подключенным к сети, шумит;
- показывает нулевое сопротивление при проверке тестером
Чтобы осуществить эту процедуру следует правильно снять крышку с самого компрессора, аккуратно со всеми предосторожностями вынуть пусковой механизм и попарно проверить контакты.
Если все нормально, то извлеченные детали в обратном порядке устанавливают на место
Значение пускозащитного реле Р1 в холодильнике Атлант
Данная деталь отвечает за запуск мотора-компрессора и защиту от перегрева. Без реле холодильники Атлант не эксплуатировались бы так долго. Ведь качественная работа агрегатов напрямую зависит от бесперебойного передвижения хладагента.
Он, в свою очередь, начинает функционировать после начала работы компрессора, который подключается из-за получения сигнала от реле. А исходное действие за терморегулятором, который подает сигнал на устройство в случае повышения температуры в морозильной и холодильной камере.
Проверка работоспособности компрессора
Для того чтобы понять рабочий компрессор или нет нужно взять мультиметр. Прежде чем приложить щупы мультиметра, необходимо убедиться, что корпус мотора «не пробивает». В противном случае можно получить удар электрическим током. Если все в порядке можно прикладывать щупы мультиметра к каждому контакту на корпусе поочередно.
Механизм исправен в том случае, когда на дисплее мультиметра горит знак «∞», а если появились цифры, то неисправность заключается в обмотке.
Чтобы продолжить проверку необходимо демонтировать кожух, герметично скрывающий компрессор. Для этого вам придётся:
- Отсоединить от контактов проводку;
- Перекусить трубки мотора, соединяющие его с другими деталями;
Изображение 4 – перекусывание трубки мотора
- Открутить крепежные болты и вынуть из кожуха;
- Отсоединить реле, посредством выкручивания винтов;
Изображение 5 – отсоединение реле
- Далее нужно измерить сопротивление между контактами;
- Приложив щупы тестера к выходным контактам, в норме вы должны получить 25-35 ОМ (в зависимости от модели двигателя и холодильника).
Если полученное вами значение больше или меньше нормы, прибор подлежит полной замене.
Если значения в норме, то нужно проверять работоспособность манометром.
Для измерения давления в компрессоре необходимо:
- Подсоединить к нагнетающему штуцеру шланг с отводом;
- Запустить мотор;
- Измерить давление;
Изображение 6 – измерение давления в компрессоре
В исправном механизме показания манометра должны быть 6 Атм.
В этом случае нужно быстро выключить манометр. Из-за быстро повышающегося давления прибор может выйти из строя. В неработающем компрессоре давление не будет превышать 4 Атм. Такой компрессор подлежит замене.
Если давление оказалось в норме, а прибор не включается, возможна проблема в пусковом реле.
Пусковое реле для компрессора холодильника своими руками
В инструкциях к холодильникам указано, что при отключении агрегата от сети, повторно подключать его можно не раньше, чем через 10 мин. давление хладагента в системе составляет около 7 атм., а при выключении устройства оно резко падает до 1,5 атм. и меньше. Такие перепады особенно опасны для моделей старых агрегатов, которые не оборудованы системами задержки. Если дома никого нет, то холодильник будет пытаться включиться снова и снова, пока не сгорит двигатель.
Установка самодельного устройства задержки включения позволит защитить компрессор от поломки. Его устанавливают между розеткой и вилкой агрегата. Схема его проста:
- питание происходит за счет небольшого трансформатора, стабилизатора и моста;
- задержку включения контролирует конденсатор и последовательно соединенные резисторы;
- 2 индикатора, один из которых сигнализирует о включении холодильника в сеть, а другой – о подключении нагрузки.

Корпус устройства пластмассовый. На нем размещена розетка для подключения агрегата и 2 индикатора (светодиоды).
Возможные неполадки
Специалисты выделили проблемы, характерные для холодильников Норд. Среди них заклинивание контактов подвижного типа; дисфункция пружинной пластинки; спираль, изготовленная из неподходящего материала; обгорание контактов; нарушения в сердечнике, являющимся частью катушки.
Очищать детали пускового реле компрессора холодильника Норд следует посредством салфетки, смоченной спиртовым раствором. Проблемы со ржавчиной решаются с помощью наждачной бумаги. При осуществлении разборки, очищения, обратной установки и подключения данного механизма нужно руководствоваться электронной схемой.
Реле компрессора холодильника
Браться за ремонт пускозащитного реле ПЗР, не имея соответствующих знаний и требуемых навыков не рекомендуется. Это приведет к еще худшим последствиям. Сломавшийся агрегат Норд обязательно вернется в режим эксплуатации после ремонтных работ в сервисном центре.
Поэтому, если не уверены в своих силах, то не рискуйте. Доверьте свой холодильник Норд 233 профессионалам. Как они осуществляют свою работу, вы можете посмотреть на видео.
Компрессор в холодильнике: особенности устройства
Начать следует с проверки, правильный алгоритм проверки мотора – важная часть работы с моторами холодильников. Самым верным способом является проверить мотор при помощи исправного реле. Если такового нету, то можно проверить при помощи измерения сопротивления обмоток.
Для того чтобы это сделать необходимо поставить мультиметр в положение 2 кОм и проверить.
На примере данного мотора, который мы использовали, получается 42 Ом одно сопротивление; 11,7 – второе сопротивление. Таким образом, мы можем сделать вывод, что двигатель должен функционировать нормально. После это следует найти таблицу сопротивлений и по ней окончательно выяснить является ли главный компонент исправным.
Следует не забывать, что обязательно нужно найти общую точку (у нас она соответствовала 53,3 Ом).
Проверка двигателя мультиметром. Результат: 53 Ом
Пошаговая инструкция по замене двигателя
Лучше всего осуществлять замену мотора в сервисных центрах, но если такой возможности по какой-то причине нет, и вы решили восстанавливать работу самостоятельно, рекомендуем строго придерживаться следующего алгоритма.
- Первым делом необходимо подготовить набор инструментов и приспособлений. В него будут входить: кислородная горелка, пассатижи, накопитель для хладагента, вентили, переносное устройство для заправки системы, устройство для резки труб, зажимы, приспособления для более плотного соединения устройства с патрубком для заправки системы, медная трубка, фильтр и баллон с хладагентом.
- После того, как мы подготовили все необходимые инструменты, приступим к высвобождению хладагента. Для этого нам потребуется пассатижами перекусить трубки, которые соединяют компрессор с системой охлаждения для слива фреона. Делать это следует аккуратно, не допуская образование пыли, поскольку она может испортить остальные элементы холодильника.
После того, как мы перережем трубки, включим холодильник в сеть примерно на 5 минут. За это время хладагент успеет перейти в газообразное состояние. После этого можно приступать к забору фреона. Для этого присоединим шланг баллона к линии заправки, откроем вентиль и соберем фреон. На всю процедуру у нас уйдет не больше одной минуты. Затем снимем пусковое реле вместе в проводами, кусачками убираем фиксаторы и отключаем проводку, которая идет к вилке. После этого снимем компрессор. Перед установкой нового элемента необходимо прочистить трубки. - Третьим шагом станет проверка сопротивления. Для этого воспользуемся либо мультиметром, либо омметром. Получившиеся значения сравним с номинальными величинами для конкретной модели.
- Затем определим силу тока. Сначала измерим значение на пусковом реле, а затем — на компрессоре. Так же сравним с номинальной величиной.
- Теперь можно приступать к монтажу нового мотора. Для начала нужно закрепить элемент на поперечной планке холодильника, снять заглушки с трубок и измерить давление.
Не забывайте о том, что заглушки можно снимать всего за несколько минут до монтажа. В противном случае в систему может попасть пыль. Далее необходимо состыковать трубки и припаять их друг к другу. Подсоединять их следует в следующей последовательности: трубки заправки, трубка отвода и трубка нагнетания. - В завершении необходимо заправить систему непосредственно хладагентом, подключить контакты и вернуть защитное реле. Осуществлять запуск нужно поэтапно: сначала следует заполнить подключенный к электрической сети холодильник фреоном лишь на 45%, затем отключить технику и проверить надежность подключения, сравнять давление до 10 Ра и заправить до конца.
Подключение компрессора холодильника без конденсатора
В составе холодильника конденсатор играет одну из важных ролей. Он существует для теплообмена – отводит конденсирующиеся пары фреона, которые поступают из компрессора, в окружающую среду. Также КПД холодильника, то есть его эффективность работы, повышается до 20% при наличии конденсатора.
Хорошая работа конденсатора – залог хорошей работы холодильника.
Компрессор холодильника подключен к конденсатору и через обратную трубку к испарителю. Если же наблюдается пробой конденсатора, то рабочий ток холодильника будет сильно завышен и это может привести к тому, что сгорит компрессор.
Если же Вы решили подключать компрессор холодильника к сети без конденсатора, это может быть только в том случае, когда этот компрессор используется уже в другом назначении. Например, для того, чтобы сделать насос или же применить его для краскопульта.
Схема подключения компрессора из холодильника, чтобы своими руками приспособить его для других приборов, такая же как и при подключении его в составе холодильника (описано выше).
Список источников
- holodilnik1.ru
- TechnoSova.ru
- 220v.guru
- expertfrost.ru
Поделитесь с друзьями!
Запуск электродвигателя без реле — Справочник химика 21
Агрегаты с ротационным компрессором.
Основные узлы этих агрегатов такие же, как и у поршневых герметичных компрессоров. Агрегаты ВСр315 1 (2) и ВСр400 1Б имеют однофазные электродвигатели и для запуска комплектуются пускозащитными реле типа РТК-2-7 и РТК-2-12, которые, как и в домашних холодильниках, для запуска подключают пусковую обмотку. Оба агрегата рассчитаны на напряжение 220 В. [c.177] При отсутствии контрольного реле неисправность пускозащитного реле холодильника может быть подтверждена запуском электродвигателя напрямую, без терморегулятора и реле (см. Запуск электродвигателя без реле , стр. 134). [c.176]
ЗАПУСК ЭЛЕКТРОДВИГАТЕЛЯ БЕЗ РЕЛЕ [c.134]
Магнитный пускатель представляет собой аппарат, состоящий из одного или двух контакторов, иногда содержащий реле и предназначенный для запуска и останова асинхронных электродвигателей с короткозамкнутым ротором, В схемах оборудования электровакуумного производства весьма часто используется как пусковой и коммутационный прибор дистанционного действия при ручном и автоматическом управлении энергоемкими процессами.
Промышленностью выпускаются нереверсивные и реверсивные магнитные пускатели. [c.46]
Неисправность мотор-компрессора можно определить путем замера потребляемой мощности двигателя (см. стр. 29), запустив его без реле и терморегулятора напрямую и включив непосредственно в сеть через проходные контакты (см. Запуск электродвигателя без реле , стр. 134). [c.166]
При помощи контактов реле 5, кроме того, происходит обесточивание обмотки электродвигателя 9 во время титрования, запуск электродвигателя 11 системы регистрации при начале титрования и питание системы сигнализации нарушения син- [c.216]
Для последующего включения кондиционера необходимо повторно произвести запуск кнопкой КнП. Цепь питания электродвигателей М1 и М2 защищена от токов короткого замыкания автоматическим выключателем ВУ и от перегрузок тепловыми реле Р1 и Р2. [c.184]
Запуск электродвигателя наливного насоса и подключение прибора к электросети 220 в осуществляется с помощью пусковой кнопки Пуск .
При нажатии последней контакты 9 и 10 магнитного пускателя замыкаются и подают питание на зажимы первичной обмотки трансформатора Тр вка реле Р загорается сигнальная лампа СЛ. Контакты 7 10 блокируют пусковую кнопку. При достижении установленного уровня серная кислота (или олеум) замыкает электроды датчика, вследствие чего срабатывает реле реле Р обесточивается, в результате происходит отключение наливного насоса и [c.252]
Пуск котла производится переключателем 20. При переводе переключателя нз положения О в положение 1 загорается зеленая сигнальная лампа Включено и включается электродвигатель водяного насоса 30 на малые обороты — происходит закачка в змеевик котла питательной воды. Заполнение должно длиться 16—20 мин. В течение этого времени давление воды контролируется манометром 25. Давление газа за регулятором низкого давления 1 типа РД-32М проверяется тягонапоромером 2 типа ТДМ. Затем переключатель 20 переводят из положения 1 в положение 2 , при этом загорается зеленая сигнальная лампа Автомат , выключается электродвигатель водяного насоса, включается электродвигатель вентилятора 29 и подается напряжение на вход БУГ-500.
Вентилятор осуществляет предварительную продувку топки котла для удаления случайно скопившегося газа, от созданного вентилятором давления срабатывает датчик давления воздуха 27 типа РДЗ-30, который своими контактами включает электронное реле времени блока БУГ-500. С этого момента блок начинает выдавать команды на запуск котла. [c.541]
Защиту от перегрева обмотки электродвигателей осуществляют тепловыми реле. Время их срабатывания зависит от степени перегрузки (от отношения тока перегрузки к номи альному). При перегрузке 35 % реле должно отключить компрессор за 20—30 мин, при четырехкратной перегрузке (например, при запуске компрес- [c.161]
При включении электродвигателя по катушке реле проходит ток короткого замыкания большой силы, поскольку ротор двигателя еще неподвижен. Возникающий в катушке магнитный поток поднимает сердечник, контакты 7 и 8 замыкаются и включают пусковую обмотку двигателя.
Начинается разгон ротора, по мере которого сила тока в цепи уменьшается и снижается напряженность магнитного поля. Когда ротор развернется, сердечник под действием собственного веса падает. Контакты 7 ц размыкаются, отключая пусковую обмотку. Длительность запуска двигателя 0,2— 0,5 с. [c.64]
Электрическое оборудование холодильников компрессионного типа состоит в основном из электродвигателя компрессора пускового реле, предназначенного для запуска двигателя автоматической защиты двигателя от токовой перегрузки терморегулятора, поддерживающего в камере холодильника заданную температуру патрона с электрической лампочкой и выключателя, предназначенных для освещения камеры. [c.75]
Релейные усилители своими контактами прерывают цепи реле 1Р блоков 21, что приводит к остановке двигателей 12. Одновременно по команде от схемы И производится сброс счетчиков 18 на О и запуск реле времени 22, включающего электродвигатель переключающего и печатающего устройства двенадцатиточечного электронного потенциометра 23.
В переключатель измерительных цепей прибора дополнительно встроен конечный выключатель, который после регистрации двенадцатой точки останавливает этот двигатель и включает реле 1Р блоков 21, запускающее двигатели 12. [c.148]
При эксплуатационной проверке контролируют два раза в месяц четкость срабатывания контактной группы при уменьшении расхода воды. В случае подачи воды в охлаждающие рубашки компрессора при закрытом вентиле электродвигатель не должен запускаться, а система аварийной сигнализации должна включиться. При постепенном уменьшении расхода воды с помощью вентиля на входной линии реле должно разомкнуть свои контакты, тем самым отключить компрессор и обеспечить подачу аварийного сигнала. В момент срабатывания контактов фиксируют положение регулирующего водяного вентиля и. измеряют расход воды — он должен быть не менее 0,2 м ч. [c.173]
Электрическая схема стенда обеспечивает подачу напряжения на обмотки статора электродвигателя.
Необходимое номинальное напряжение (соответственно установленному статору) поддерживается при помощи ЛАТР. Для запуска двигателя в стенде вмонтировано пускозащитное реле, соответствующее статору. Установленные приборы (вольтметр, амперметр и ваттметр) позволяют контролировать напряжение в цепи, а также определять силу тока и потребляемую мощность двигателя при работе компрессора. [c.112]
Размыкаясь, контакт ШВ-1 путевого выключателя отключает катушку реле времени РВ, которая срабатывает с выдержкой 5— 6 сек, замыкает свои н. з. контакты в цепи катушек контакторов Н1 и Н2. Последние включаются, включаются контакторы Л/ и Л2. Электродвигатели запускаются в сторону возврата, а вибраторы отключаются. Затем срабатывают контакторы УУ и 5У и двигатели разворачиваются до полных оборотов. [c.78]
Проверку работы схемы аммиачного насоса начинают с нажатия кнопки 1НА-КП (пуск) при нахождении рукоятки ключа 1НА-КР в положении О (отключено). При этом электродвигатель насоса не должен запускаться затем переводят ключ в положение М (местный), проверяют правильность включения и отключения насоса от кнопок 1НА-КП и 1НА-КС.
После этого ключ 1НА-КР переводят в положение А (автоматический) и искусственным замыканием цепи 1РЦ-П1—1РЦ-113 убеждаются в автоматическом включении насоса. При работе насоса и наличии разности давлений аммиака во всасывающем и нагнетательном трубопроводах должно включиться реле 1НА-РП. Если по истечении 15 с работы насоса искусственно отключить реле 1НА-РП (разомкнуть его контакты), то должно отключиться реле 1НА-РА, затем 1НА-РВ и электродвигатель насоса должен остановиться в сопровождении соответствующих звуковых и световых сигналов. [c.40]
Рассмотрим порядок действия элементов схемы прокатного стана. Включаем рубильник Р и автоматические выключатели 1А, 2А, ЗА, 5А, 7А, 9А, 10А, 12А силовой цепи и автоматический выключатель АУ цепи управления. Сигнальная лампа ЛН указывает на наличие напряжения в цепи управления. Далее установкой универсального переключателя 1УП в положение А включается цепь автоматического регулирования и контроля процесса термообработки изделий, а установкой универсального переключателя 2УП в положение А включаются цепи реле времени 2РВ и звукового сигнала /Г.
Нормально открытыми контактами 2РВ-1 реле времени подготавливается цепь контактора КЛ, а н. о. контактами 2РВ-2 включается линейный контактор КН при этом замыкаются контакты КН-1. КН-4, КН-5 и размыкаются КН-2 и КН-3. Если в это время переключатель ЗУП будет установлен в одном из положений А или В, то включением контактора 1КЛ производится запуск электродвигателя /Д трехмашинного агрегата, электродвигателя 2Д вентилятора и элек- [c.157]
После запуска электродвигателей насосов масла и воды, а также главного электродвигателя и достижения нормального давления масла и воды нажатием соответствующей кнопки на пульте включается операция Загрузка . При этом электрогндравличе-ское реле загрузки через гидроцилиндр загрузочного клапана дает импульс на открытие клапана. Загрузка контролируется электронным бесконтактным регулятором или механическим щупом (флажком), которы1м управляет гидроцилиндр. В обоих случаях может производиться единичная или многократная загрузка. [c.
104]
После окончания пуска электродвигателя реле минимальной нагрузки РМИ остается включенным и его когпакт PMH-I разомкнут. Реле РМП, реагирующее на перегрузку двигателя, после окончания пуска разрывает свой контакт РМП-1. На этом заканчивается, работа схемы при самозапуске. В этом режиме обеспечивается самозапуск установки после восстановления напряжения вслед за его исчезновением. Установка запускается с выдержкой времени от 0,5 до 10 мин, создаваемой реле PBI. [c.324]
Автомат АВ (типа АП50-ЗМТ) защищает электродвигатель от токовой перегрузки и сеть от короткого замыкания. Тепловое реле ГР в магнитном пускателе П (типа ПМЕ-222) дублирует защиту электродвигателя от перегрузки. Например, при запуске компрессора на двух фазах тепловая защита в АП50 должна отключить двигатель за 10—15 с, а тепловая защита в магнитном пускателе — за 30—40 с. [c.232]
Если остановка произошла из-за перегрева корпуса насоса или при падении давления в приемном трубопроводе, или из-за несвое временного открытия напорной задвижки, то срабатывает только реле ЮРП и допускает повторный запуск агрегата.
Если же остановка произошла вследствие падения давления масла в системе смазки, отсутствия избыточного давления в электродвигателе из-за перегрева подшипников, повышенной вибрации и чрезмерной утечки из сальников, то срабатывает блокировочное реле 11РП, которое удерживает ЮРП в притянутом состоянии до тех пор, пока нё будет [c.114]
Методика очистки заключается в следующем, Внач1але следует убедиться в том, что произошло сгорание электродвигателя. Бели компрессор не запускается, то это может быть вызвано как неисправностью электродвигателя, так и недопустимым падением напряжения, отказом пускового реле или меха-нически Ми дефектами KOMnpe opia. Далее контролируются на пробой об.мотки встроенного электродвигателя. Регламентировано сопротивление обмотки 5 МОм для хладона-22 и 15 МОм для хладона-12. Из компрессора выпускают небольшое количество холодильного агента и определяют, нет ли характерного горелого запаха, указывающего на сгорание электродвигателя. При этом следует тщательно соблюдать требования безопасно-сги, относящиеся к защите от отравления и кислотных ожогов.
Степень сгорания электродвигателя определяют следующим образом. Из сгоревшего компрессора отбирают небольшое количество масла и определяют его кислотное число. Кислотное число выше 0,05 мг КОН/г масла можно считать признаком сильного сгорания. Кроме того, на сильное сгорание указывают изменение цвета масла, характерный горелый запах, налет сажи на всасывающем трубопроводе компрессора, на жидкостном трубопроводе и в осушителе. Если не обнаружено ни одного из этих признаков, то сгорание классифицируется как слабое . [c.118]
Запуск заклинившего компрессора холодильника
Когда в холодильнике клинит компрессор, многие грешат либо на реле, либо на сам двигатель. Заклинивание возможно по множеству причин: долгий простой без работы – самая частая из них. Однако, не смотря на то, что симптомы сгоревшей обмотки мотора и заклинившего компрессора практически одинаковые, в случае клина, процедура расклинивания достаточно проста.
Компрессор в холодильнике: особенности устройства
Начать следует с проверки, правильный алгоритм проверки мотора – важная часть работы с моторами холодильников.
Самым верным способом является проверить мотор при помощи исправного реле. Если такового нету, то можно проверить при помощи измерения сопротивления обмоток.
Для того чтобы это сделать необходимо поставить мультиметр в положение 2 кОм и проверить.
На примере данного мотора, который мы использовали, получается 42 Ом одно сопротивление; 11,7 – второе сопротивление. Таким образом, мы можем сделать вывод, что двигатель должен функционировать нормально. После это следует найти таблицу сопротивлений и по ней окончательно выяснить является ли главный компонент исправным.
Следует не забывать, что обязательно нужно найти общую точку (у нас она соответствовала 53,3 Ом).
Проверка двигателя мультиметром. Результат: 53 Ом
Реле холодильника: особенности устройства
Реле пуска мотора так и называется – пускозащитное реле компрессора, холодильника.
В таких случаях, главная задача этого узла – отщелкнуть двигатель от сети. Подключение этой компоненты делается для того, чтобы не произошла перегрузка (перегорание): чтобы не загорелась обмотка холодильника, чтобы не сгорела розетка.
Напряжение идет достаточно большое. Если оставить надолго подключение напрямую, в рабочем состоянии, то с большой вероятностью может загореться обмотка. Именно поэтому лучше использовать реле с холодильника именно с таким двигателем, ведь оно, как правило, рассчитано на потребляемую мотором мощность.
В современных компонентах не предусматривается отсечение, т.е. защита сети от перегоревшей обмотки.
Реле с отсутствующим отсекателем
Здесь имеется термоэлемент (позистор), этот элемент при увеличении сопротивления отрубает пусковую обмотку. Однако большинство устройств не содержит специальной вольфрамовой пружинки.
Реле: взгляд изнутри
Когда обмотка мотора замкнута, эта вольфрамовая пружинка должна нагреваться и отсекать систему от электросети. Именно поэтому желательно отсекатели, которые не содержат пружинки, вообще не ставить. Однако, использовать их на тех моторах, внутри которых установлены отсекатели, можно.
Как можно запустить без реле и для чего это нужно.
ИнструкцияДля того чтобы запускать заклиненные двигатели, нам понадобится обыкновенный двухжильный провод, способный проводить 220 Вольт, с вилкой для бытовой розетки на одном конце и двумя контактами на другой.
Один контакт следует вставить на общую точку, второй – на точку рабочей обмотки. Нам понадобится устройство способное замыкать контакты, чаще всего применяют обыкновенную отвертку (отвертка будет работать вместо пускового реле). Отверткой соединяем контакты рабочей и пусковой обмотки, после этого конструкцию следует включить в розетку. После этого устройство начинает работать. Если в таких случаях он не запускается, значит либо неисправен мотор, либо кабель 220 В.
Бывает так, что обмотки обгоревшие, либо компрессор попросту оказывается заклинившим. И тогда ситуация несколько иная.
Очень часто, к мастерам и в сервисы привозят такие холодильники, которые включаются всего на 5-10 секунд (изредка работает до 30 секунд – минуты). В таких случаях процедура диагностики следующая: двигатель подключается напрямую.
Следует обязательно смотреть за состоянием проводки, проверять нет ли нагревов. В случае чрезмерных нагревов, цепь следует сразу же разомкнуть.
Прибор подключается напрямую, после чего следует внимательно наблюдать за тем, как намораживает холодильник (как в морозильной, так и в холодильной камерах). Из этого можно сделать вывод – необходима простая замена мотора, либо нужно делать еще что-то. Чаще всего, компрессоры не сгорают просто так, они горят из-за чего-то: из-за перенапряжения (самый положительный исход, ведь требуется просто замена мотора и перезаправка), из-за забитого капилляра (требуется не только замена, но и чистка; диагностировать просто – забитая «капиллярка» имеет место быть при перегретом конденсаторе).
Если холодильник наморозил хорошо, то просто следует заменить двигатель; если в течение часа холода нигде не появилось (или морозилка, например, наморожена, а в холодильной камере холод не наблюдается), то вопрос либо в утечке, либо в забитой капиллярной системе.
Также моторы могут гореть от неисправного термостата (термостат не выключает во время холодильник и устройство очень долго работает). Это бывает довольно часто. Однако, как бы там ни было, для полноценной диагностики, мотор желательно подключать напрямую согласно инструкции, которую мы разместили выше.
Одна из неприятностей, которая может случиться с компрессором — заклинивание его механизма. В этом случае компрессор при включении просто гудит некоторое врумя, затем срабатывает тепловая защита. Компрессор можно заменить как отдельную запчасть для холодильника, но этот дефект можно попробовать и исправить. Для срыва заклинивания компрессоров используется простое устройство, так называемая «расклинка». Это приспособление, состоящее из двух диодов.
Пи устранении заклинивания компрессора при помощи данного приспособления напряжение на обмотки электродвигателя подают кратковременно на 3-5 секунд. Затем повторяют это через 20-30 секунд.
Расклинивающий эффект возникает в результате того, что при подаче тока через диоды на валу электродвигателя возникает знакопеременный вращающий момент.
Ротор двигателя начинает вибрировать с частотой 50Гц, вибрация через механику передается на заклиненные элементы компрессора и освобождает их.
Также возможно использование и одного диода вместо двух, расклинивающий эффект будет примерно тот же. Включается он в цепь пусковой обмотки, рабочая обмотка непосредственно подключается к сети, а не через диод.
Расклинивание компрессоров при помощи данного приспособления значительно эффективнее, чем просто подача на электродвигатель более высокого напряжения.
Действие данного устройства при расклинивании компрессоров можно усилить, если подключать его через повышающий трансформатор 1 : 1,2. 1,5. Мощность трансформатора — не ниже 50Вт.
Подключение расклинивающего устройства можно осуществить, используя разъем от защитного устройства компрессоров старых моделей холодильников (которые еще без РКТ). Либо с помощью небольших изолированных зажимов. Используемые в расклинивающем приспособлении диоды должны иметь допустимое обратное напряжение не ниже 400В и допустимый прямой ток 10А.
Такими характеристиками обладают, например Д246, Д247, Д232А, КД203А (В,Д).
На рисунке расклинивающего устройства: 1, 2, 3 — зажимы, одеваемые на контакты компрессора; 4 — компрессор.
Вызов мастера
Оставить заявку на профессиональный ремонт очень просто — заполните онлайн форму или позвоните по телефону:
Расклинивание мотор-компрессора
Осторожно! Напряжение электрической сети 220 вольт. Это опасно для Вашей жизни. Все операции по подсоединению нужно проводить при отключенном напряжении.
Операция проводится при расклинивании мотор-компрессора, заклинившего из-за пониженного напряжения питающей электросети. Если мотор-компрессор неисправен, данная мера не будет эффективной.
Подключение мотора к сети производится через два диода. Можно использовать любые диоды, рассчитанные на напряжение не менее 400 вольт и тока не менее 10 ампер. Подойдут следующие диоды: Д-232А, Д-233, Д-246, Д-247, КД-203А, КД-206А.
Диоды подключаются к обмоткам мотора по следующей схеме:
Один провод сетевого шнура подключается к общему выводу обмоток мотор-компрессора.
На компрессорах марок СК и КВ (моторах производства «Минск-Атлант» и «Красноярского завода холодильников») общий вывод расположен выше остальных.
К проводу сетевого шнура подсоединяется дополнительный провод. Далее к проводам подсоединяются диоды, а вся сборка – к мотор-компрессору, как показано на схеме ниже.
Как отключить пусковое реле на холодильнике? схема подключения
Реле запуска байпаса на холодильнике. Если вы спросите нас о самом сердце холодильника, мы, несомненно, ответим «компрессор». Компрессор периодически включается и выключается для эффективного охлаждения, и именно по этой причине используется реле, помогающее компрессору во время работы.
Реле — это электрический выключатель, который сообщает компрессору о включении или выключении в зависимости от температуры внутри агрегата.Если реле перестанет работать, остановится и компрессор. Единственное решение, которое вытащит вас из этой скупой жизни, — это обход релейной системы.
Первоначальные меры безопасности
Взаимосвязь реле и компрессора считается наиболее важной для обеспечения бездефектной работы.
Реле обеспечивает энергосбережение и меньший нагрев деталей. Помня об этом, мы рекомендуем вам вызвать специалиста, чтобы он помог решить эту проблему без каких-либо дополнительных неудобств.
Если вы все же хотите взять дело в свои руки, мы подскажем, как обойти холодильник. Первым делом выключите автоматический выключатель и отключите холодильник. Затем попросите пару взрослых помочь отодвинуть блок от стены. Холодильники громоздкие, поэтому делать это нужно медленно и осторожно.
Запуск компрессора без реле
Чтобы запустить процесс байпаса, убедитесь, что вы выполнили все вышеперечисленные меры предосторожности.Отодвинув холодильник от стены, найдите крышку.
Вы найдете его в задней части вашего устройства. Возьмите отвертку и снимите крышку, открутив ее. Отложите крышку и переходите к следующему шагу.
Нажмите на металлический ящик в правом нижнем углу задней части холодильника и отсоедините его от блока. Когда металлический ящик будет удален, вы увидите закрепленную внутри релейную систему.
Теперь осторожно возьмите отвертку с плоской головкой, чтобы сжать пространство между реле и его корпусом, и вытащите реле.
Вытащив реле, сдвиньте провод, чтобы сделать его доступным.
Снимите металлический разъем, прикрепленный к реле, и зачистите провод (плоскогубцами) с обеих сторон. Затем подключите оба провода к корпусу реле, чтобы замкнуть цепь. Установите металлическую коробку обратно в область реле и закрепите крышку на металлической коробке.
Последующие, но важные шаги для выполнения
Подключите холодильник к розетке и включите автоматический выключатель. Включите холодильник и понаблюдайте за работой в течение нескольких часов.Вы услышите «щелчок и гул», которые сообщают вам, что компрессор работает нормально. Если компрессор работает нормально несколько часов, значит, неисправно реле.
И наконец, помните об одной важной вещи — никогда не подвергать компрессор чрезмерной нагрузке. Обход — это временное решение, которое поможет вам преодолеть существующую трудность.
Вызовите техника и установите еще одно реле в систему, чтобы дать вашей системе охлаждения столь необходимый импульс.
Проверить холодильник Whirlpool не охлаждается или не замерзает.
Как перезагрузить холодильник Самсунг?
Проблема с конденсатором? Вы пробовали запускать компрессор от внешнего источника?
Конденсатор и потенциальное реле можно проверить в поле без необходимости в диагностическом оборудовании .
Если однофазный компрессор не запускается, то «запускай от внешнего источника»!
Что это? Вы никогда не запускали компрессор от рывка?
Это простая процедура .
Выключите компрессор .
Перед тем, как приступить к работе с какими-либо холодильными компонентами с использованием крышек, , я всегда начинаю с .
Далее, отсоединяем все провода от реле потенциала и пускового колпачка.
Установите новый стартовый колпачок (того же номинала и размера) с одним проводом, прикрепленным к каждому набору клемм.
Снимите изоляцию с концов проводов .
Прикоснувшись одним проводом к одной клемме, а другой провод к другой клемме рабочей крышки, включите компрессор .
Быстро отсоедините эти провода от рабочей крышки.
Если компрессор запускается и работает нормально, скорее всего, у вас неисправное реле потенциала и / или пусковой предел .
Хотите еще больше сузить круг вопросов?
Повторите вышеуказанное, используя старую стартовую крышку . Если он запускает компрессор, старый колпачок в порядке.
Вероятно неисправное реле потенциала .
Вышеупомянутая процедура просто имитирует действие реле потенциала .
Реле делает то же самое . Пусковой колпачок на мгновение применяется к цепи, а затем быстро снимается.
Я использовал эту процедуру много раз.
Помните, что закорачивает стартовый предел, используемый выше . Все, что вам нужно сделать, это соединить концы проводов вместе.
Что делать, если компрессор по-прежнему не запускается?
Вот дополнительная информация , которая может помочь.
Реальное охлаждение, авторское право.com 2008
Материалы, представленные на этом сайте, предназначены для общей информации.
только для целей и не являются юридической или иной профессиональной консультацией
по любой теме. Real-world-refrigeration.com не принимает никаких
ответственность за любые убытки, которые могут возникнуть в результате использования информации
содержится на этом сайте.
реле запуска байпаса холодильника
Свяжитесь с техническим специалистом, чтобы как можно скорее отремонтировать реле холодильника и привести его в рабочее состояние.Он, в частности, издает щелкающий звук всякий раз, когда приказывает компрессору начать работу. Перед тем, как отключить пусковое реле на рефрифтеоре, вам необходимо принять некоторые важные меры безопасности.
Крышка пускового реле компрессора холодильника 3550JA2284A. В современных холодильниках реле перегрузки обычно является составной частью и подключается непосредственно к компрессору. Вы должны найти крышку возле дна холодильника. В наличии $ 40.07. Получите его как можно скорее в понедельник, 18 января. Перед тем, как вынуть его из системы, обязательно отключите устройство от электросети.Компрессор — жизненно важный компонент машины. Просто снимите защитную крышку с… Если вам нужен совет по меблировке гостиной или следующий проект «сделай сам» на открытом воздухе, у нас есть все необходимое. Вам также может понравиться. Эта проблема, вероятно, как-то связана с системой реле. W10613606 Реле запуска компрессора холодильника и конденсатор Премиум запасная часть от Canamax — Совместимость с холодильниками Whirlpool KitchenAid Kenmore — Заменяет W10416065, PS8746522, 67003186 4,5 из 5 звезд 74 Номер детали ACQ77080101.Вы хотите использовать плоскогубцы, чтобы зачистить некоторые провода с обеих сторон.
Включите холодильник и посмотрите, подействовали ли исправления. 5,58 долларов США. Как только он будет удален, вы сможете увидеть систему реле холодильника. Фильтры для воды для холодильников Samsung. Когда металлический ящик будет удален, вы увидите закрепленную внутри релейную систему. Прежде всего, вы должны помнить, что отключение реле холодильника — временное решение. Это пусковое реле компрессора предназначено для холодильников.После снятия крышки вы должны увидеть металлический ящик, расположенный в правом нижнем углу холодильника. Как отключить пусковое реле на холодильнике. Как долго вы можете держать холодильник в байпасном режиме? Выключив холодильник из розетки, расположите его так, чтобы можно было легко получить доступ к нижней части. Добавить в корзину . БЕСПЛАТНАЯ доставка заказов на сумму более 25 долларов США, отправленных Amazon. Как удалить остатки клейкой ленты (8 способов сделать это!). Вам придется либо толкать, либо сгибать этот металлический ящик, чтобы получить доступ к системе реле.
Свяжитесь с техническим специалистом, чтобы как можно скорее отремонтировать реле холодильника и привести его в рабочее состояние. После того, как вы вынули реле, поработайте над удалением металлических разъемов, которые к нему подключены. Удалите его с помощью отвертки. Ваш холодильник перестал подавать холодный воздух? TwinStripe.com является участником партнерской программы Amazon Services LLC, и мы можем получать комиссию за покупки, сделанные по нашим ссылкам. Реле стартера PTC холодильника с сопротивлением 33 Ом.Решение проблемы с неисправным реле холодильника — это одно. Стартовое устройство обычно называют комплектом для жесткого запуска холодильника. Возьмите рулон изоленты и используйте его, чтобы прикрепить провода к корпусу реле. Текущий слайд {CURRENT_SLIDE} из {TOTAL_SLIDES} — вам также может понравиться. Подключите входящий шнур питания к лампе, дверному переключателю, термостату и компрессору. Вот где реле становится важным. Не оставляйте устройство в состоянии байпаса реле слишком долго, так как это может привести к перегрузке компрессора.
Заменить пусковое реле на холодильнике так же просто, как отсоединить неисправный компонент и заменить его новым. Как отключить пусковое реле холодильника? … Подлинный OEM LG холодильник водяной фильтр заглушка ABN73019101 байпаса для слота LT700P. Просто снимите крышку отсека, отключив питание от прибора. Есть один на продажу? Вы также можете прочитать, чтобы узнать больше о явных признаках неисправности реле холодильника. Скотч, возможно, самый универсальный инструмент.Могу ли я использовать K-Cup дважды? Переключатель дозатора холодильника. Однако вы можете что-то сделать с этой проблемой, даже если это временное решение. Сколько времени нужно холодильнику, чтобы остыть? Кэти считает, что никогда не бывает слишком много стеклянной посуды или блесток! Если это не так, возможно, компрессор не работает должным образом. Узнайте больше о релейной системе и ее влиянии на ваш холодильник. Примечательно, что компрессор холодильника не работает постоянно. Обводной фильтр водяного фильтра холодильника ABN73019101.
Во всяком случае, щелчки станут более частыми, поскольку холодильник будет продолжать попытки запустить компрессор. ). У нас есть 2 единицы Lennox по одной на каждом этаже. Холодильники тяжелые, и не стоит пытаться перемещать их самостоятельно. Затем отложите крышку в сторону. Вам придется либо позвонить специалистам, чтобы решить эту проблему, либо заменить холодильник. Связь между реле и компрессором холодильника очень важна и помогает экономить энергию. Посуда, Кухня / 8 сентября 2020 г. by Katie.Хранимые вами продукты могут начать портиться, если вы не сделаете что-то раньше, чем позже. Сколько ватт (AMP) использует мини-холодильник? Сначала найдите важные компоненты, такие как крышка релейной системы и металлический корпус, и снимите их. Я попробовал это и смог обойти предохранитель / реле стартера, и машина завелась. Прежде чем мы сможем обсудить реле холодильника, важно сначала узнать больше о компрессоре. Подключите оба конца провода к корпусу реле в холодильнике, используя изоленту.
Допустим, ваш холодильник действительно показывает симптомы неисправности релейной системы. Что делать дальше? Если ваш компрессор издает щелкающий или гудящий звук, это означает, что само реле неисправно. (Не следует, но вы можете сэкономить $$). Как долго вам придется ждать, чтобы положить еду в новый…. Кэти живет в Гринсборо, Северная Каролина, со своим сказочным мужем Чадом и очаровательным щенком Гоббсом. Вы также должны нажать на реле, чтобы снять его. Проделайте такой же тест с датчиками на клеммах M и L.Основная задача релейной системы — запустить компрессор холодильника. Стоит попробовать отремонтировать более дорогие холодильники с большим количеством функций. Twin Stripe предлагает простые проекты DIY, вкусные рецепты, развлекательные идеи, советы по стилю, вдохновение для украшения дома и многое другое. Получите это на глазах у более 160 миллионов покупателей. Реле холодильника обычно работает довольно скрытно, но, как правило, издает звук. Ваше устройство может получить длительные повреждения, если оно будет оставаться в таком состоянии слишком долго.
Байпас водяного фильтра холодильника. PTC 4.7 Ом 1-контактное пусковое реле для холодильника Vissani Danby Compressor. Это должно позволить компрессору снова включиться, даже если релейная система сломана. Скорее всего, скоро вы перечислите холодильник. Заменить пусковое реле на холодильнике так же просто, как отсоединить неисправный компонент и заменить его новым. Установите на место металлический корпус релейной системы и крышку. Реле находится в задней части холодильника.Заставьте ваш холодильник работать без пускового реле, пока вы ждете детали. Автор: Admin • Понедельник, 19 января. Хотите знать, если что-то не так с системой реле вашего холодильника? Это полностью обойдет отсутствующее реле и замкнет цепь. Одна из причин, по которой вы можете взяться за эту задачу самостоятельно, заключается в том, что вам не нужны специальные инструменты. Затем вам придется использовать отвертку с плоской головкой, чтобы надавить на различные точки системы реле, чтобы снять ее. С помощью плоскогубцев, желательно плоскогубцев, возьмите разъем провода и снимите реле.
Если релейную систему необходимо полностью заменить, они также смогут помочь с этим. Есть большая вероятность, что вы найдете ее в большинстве домов и ящиков для инструментов по всему миру из-за указанной универсальности и доступности …. Как получить краску из спрея с ковра (4 способа сделать это!). 9 самых надежных холодильников на рынке. Щелчки будут слышны через каждые две-пять минут, если компрессор не работает. Ее блог посвящен тому, чтобы помочь читателям создать яркий и современный образ жизни, который не стоит много денег.Позовите друга и попросите его / ее помочь перенести холодильник. Вам нужно будет попробовать это самостоятельно, если вы хотите, чтобы ваш холодильник снова работал нормально. Что делать, если компрессор сломался? Присмотритесь к своему холодильнику, как только начнете слышать щелкающие звуки. Для этого сначала удалите металлический разъем, которым провод к системе реле, а затем с помощью плоскогубцев зачистите часть провода (не более ¼ дюйма) с обеих сторон.
Проще говоря, неисправная система реле приведет к тому, что весь холодильник не будет работать должным образом.Поиск симптомов подскажет вам, что что-то не так, но чтобы быть уверенным, вам нужно провести тест. К сожалению, поломка холодильника — не редкость. Увидев, что ваш холодильник не работает должным образом, вы можете заподозрить, что это как-то связано с реле. Мы на самом деле не вникаем в технические детали того, как они работают или что в них есть, мы в основном помогаем людям диагностировать и ремонтировать их собственные устройства, не вызывая специалиста по бытовым устройствам, чтобы они выяснили. Необходимо следовать схеме подключения пускового реле холодильника, указанной в руководстве пользователя.Роликовый ящик для морозильной камеры холодильника AHJ72909001 … Крышка отсека холодильника ACQ77080101. Это полностью обойдет отсутствующее реле и замкнет цепь. Теперь осторожно возьмите отвертку с плоским жалом, чтобы сжать пространство между реле и его корпусом, и вытащите реле.
Кэти — автор блога о стиле жизни Twin Stripe. 4,20 доллара. 4,28 доллара США. Может ли горшок мгновенно взорваться? Однако бывают случаи, когда независимо от того, сколько мер предосторожности вы принимаете, несчастные случаи все же происходят. thegardenmaker-9 января 2021 г. 0.Вместо этого вы будете его проверять. Затем нажмите или согните металлический ящик в нижней правой задней части холодильника, чтобы отсоединить его. В конце концов, вам также придется обратиться за помощью к профессионалам. 2 шт. Пусковое реле холодильника PTC Ом 1 контакт Vissani Danby 2 шт. Пусковое реле PTC холодильника для Ом 1 контакт Vissani Компрессор: контакт. После этого переделайте соединения, сняв провода, зачистив их и восстановив цепь с помощью изоленты. Добавить в корзину . Посмотрите на предметы внутри и также проверьте содержимое морозильной камеры.Обратитесь к профессионалам вскоре после того, как вы переведете холодильник в режим байпаса, чтобы реле можно было правильно отремонтировать. Как долго вы можете держать холодильник в байпасном режиме? Оригинальное высококачественное реле холодильника Kenmore / Sears, детали для перегрузки, конденсаторов и другие детали на складе с быстрой доставкой и отмеченным наградами обслуживанием клиентов.
Привет, глушилка, да, у всех нас есть разные названия для этого, но его реле запуска компрессора. Это не только гарантирует, что ваш прибор правильно выполняет все операции, но и не перегревается…. B38 105B AC 220V HX13HP Тепловая защита холодильника от перегрузки: контакт. 10,50 долларов США. Кол-во. Важно отметить, что сохранение холодильника в режиме байпаса не является постоянным решением. Я участвую в партнерской программе Amazon Services LLC Associates Program, разработанной для того, чтобы мы могли получать вознаграждение за счет ссылок на Amazon.com и аффилированные сайты. Но вот в чем дело: этот щелчок все равно будет появляться, даже если релейная система сломана. Если устройство перегреется, другие части холодильника могут выйти из строя, износиться или перегреться.Как я упоминал ранее, это всего лишь быстрое временное решение. Попробуйте проверить, решает ли это проблему. Если у вас более старая и менее дорогая модель, ее замена может быть более экономичным вариантом. Можно ли использовать мультиварку в духовке.
Удалите это с помощью отвертки. Кол-во. Реле запуска компрессора присоединяется к компрессору и помогает запустить двигатель компрессора. Вам просто понадобится отвертка, отвертка с плоским шлицем, изолента и плоскогубцы. 5.0 из 5 звезд 4. Возможно, что-то не так с реле с положительным температурным коэффициентом (PTC), также известным как пусковое реле.1 шт. QP-02-4.7 PTC реле запуска холодильника 1 контактный охладитель стартер компрессора 4,7 Ом с 1 шт. Предохранителем от перегрузки холодильника 1 / 2HP. Fresh LG LT120F Kenmore 469918 Сменный воздушный фильтр холодильника, 3 шт. В упаковке. Установите на место металлический корпус релейной системы и крышку. Отложите крышку в сторону. Не нужно быть экспертом по холодильникам, чтобы понять, что с реле что-то не так. Включите холодильник и понаблюдайте за работой в течение нескольких часов. Что тебе нужно знать! 12 долларов.50 Арт. № 1607110. Снимите разъемы реле. Снимите защитный кожух компрессора и снимите реле. Для подключения компрессора требуется пусковое реле, оно отвечает за подачу энергии на агрегат.
$ 9.99 $ 9. … Крышка пускового реле компрессора холодильника 3550JA2110B. Схема частей дозатора. Нажмите на пространство между реле и его корпусом с помощью отвертки с плоским жалом. Теперь вы можете вернуться и вернуть металлический ящик и крышку в исходное положение.Обратитесь к профессионалам вскоре после того, как вы переведете холодильник в режим байпаса, чтобы реле можно было правильно отремонтировать. Попробуйте перечислить имеющуюся дома бытовую технику, которую вы считаете абсолютно необходимой. Однако пусковое реле холодильника необходимо удалить из системы, чтобы проверить его. Для начала вам нужно выключить холодильник. Безопасно храните любые продукты, которые могут испортиться при выключенном питании, и отключите холодильник от сети перед установкой этой части.Ее блог посвящен тому, чтобы помочь читателям создать яркую и современную кухню, не требующую много денег! Затем возьмите отвертку с плоской головкой и надавите ею на пространство между реле и корпусом. Перед выполнением этих шагов выполните инструкции по технике безопасности, изложенные выше.
Я вынул предохранитель / реле стартера из блока предохранителей. Вытащив реле, сдвиньте провод, чтобы сделать его доступным. Вот почему вам также следует обратить пристальное внимание на реле холодильника. Он не предназначен для непрерывной работы, поэтому используется реле.Smart Kitchen Improvement рекомендует открыть холодильник для быстрой проверки. 2009 • Категория: Низкие технологии У меня ушло 24 часа, чтобы заметить, что мой холодильник Maytag с верхней морозильной камерой (PTB2454GR) перестал охлаждаться. ссылка на Как удалить остатки клейкой ленты (8 способов сделать это! 99. К счастью, вы можете легко проверить пусковое реле и заменить его, либо вы можете обойти систему реле холодильника. Подключите оба конца провода к корпусу реле в ваш холодильник с помощью изоленты. Некоторые признаки довольно легко обнаружить, и вы сможете определить их самостоятельно.Пытаясь принять это решение, подумайте, какой у вас холодильник. Очевидно, что предметы внутри должны быть охлажденными и / или замороженными.
Дребезжащий звук, исходящий изнутри реле, означает, что с ним что-то не так. Чтобы обойти реле холодильника, следуйте инструкциям по технике безопасности, изложенным выше, и отодвиньте прибор от стены. Деталь № 6600JB3001C $ 10.43. Вытащите неисправное реле из его… Как вы можете быть уверены, что реле холодильника сломано? Я решил подробнее изучить предохранитель / реле стартера.Подробнее обо мне здесь. После того, как вы отключили пусковое реле на своем холодильнике, вам необходимо выполнить несколько важных шагов, чтобы убедиться, что все работает без сбоев, пока не придет профессионал, чтобы исправить это. К счастью, вы можете легко проверить пусковое реле и заменить его или обойти систему реле холодильника. К счастью, вы можете легко проверить пусковое реле и заменить его или обойти систему реле холодильника. Если вы действительно спросите нас о сердце холодильника, мы обязательно ответим его компрессором.Кэти — автор блога Twin Stripe с обзором продуктов для кухни. Мы — команда домовладельцев и энтузиастов улучшения дома, которым нравится делиться с другими домовладельцами советами по декорированию, садоводству, благоустройству и ведению домашнего хозяйства! В нем так много проводов, потому что он функционирует как соединительный блок для всех проводов, проходящих через холодильник.
Теперь вам нужно наблюдать за ним в течение трех-четырех часов, чтобы убедиться, что компрессор работает правильно. Важно отметить, что сохранение холодильника в режиме байпаса не является постоянным решением.Компрессор холодильника охлаждает прибор, работая с нерегулярными интервалами. При окраске распылением большинство людей предпочитают делать это на улице, чтобы не запачкать дом. Электрический переключатель, который сообщает компрессору, необходимо выполнить несколько основных шагов, чтобы убедиться, что все работает. Купите сегодня — отправьте сегодня. Вы можете выполнить описанные выше шаги, чтобы раскрыть систему реле, но на этот раз вы не будете ее обходить. Добавить в корзину . Даже простое представление о том, что может случиться, если холодильник сломается, может вызвать стресс у многих домовладельцев.Он отвечает за перемещение хладагента по всему прибору, поскольку работает как двигатель и как насос. В наличии 7,91 $. Пусковое реле — это электрический выключатель, который сообщает компрессору, когда включать или выключать, в зависимости от потребности в холодном воздухе внутри блока.
В корзину # 402C. Проверка реле с помощью мультиметра Поищите пригоревшие отметки вокруг портов на реле, чтобы убедиться, что это… фильтры для воды холодильника Whirlpool. Кол-во. Возьмите металлические соединители и начните обрабатывать их плоскогубцами.Категории Холодильники сообщение навигации. Теперь нажмите на само реле и вытащите его из холодильника. Они не остановятся только потому, что компрессор остается выключенным. Подключите холодильник обратно и включите питание. После этого необходимо накрыть пластину в самой нижней задней части холодильника и снять ее с помощью отвертки. Датчики внутри холодильника сообщат компрессору, когда начинать работу, чтобы достичь нужного уровня охлаждения. Это реле стартера выполняет две функции: Запуск компрессора.Когда вы отодвинете прибор от стены, найдите защитную пластину в нижней задней части холодильника. Таким образом, вам следует вызвать профессионала, который поможет исправить реле как можно скорее. Одной из распространенных проблем, которые могут беспокоить домовладельцев, является неисправное пусковое реле.
Деталь № 3550JA2110B. Нажмите на металлический ящик в правой нижней задней части холодильника и отсоедините его от блока. Затем найдите крышку в нижней части задней части холодильника и снимите ее с помощью отвертки. Деталь № ABN73019101 $ 17.13. Вам придется заменить его раньше, чем позже. Для … В чем важность реле холодильника? ), ссылка на Как получить аэрозольную краску с ковра (4 способа сделать это! Он даже отвечает за то, чтобы сообщить компрессору, когда нужно выключить. Давайте теперь перейдем к шагам, которые вам нужно выполнить, чтобы обойти пусковое реле на вашем Затем отсоедините металлическую коробку, расположенную в правом нижнем углу задней части прибора, нажав или согнув ее. Я пошел дальше и купил новый предохранитель / реле, и когда я… Выяснение, что делать, когда компрессор холодильника выходит из строя, — это совсем другое дело.Холодильники Samsung. Если бы это было так, холодильник не установился бы на желаемом вами уровне температуры. Компрессор с прямым запуском без реле.
Повреждает ли отключение холодильника от сети? Обратите внимание на то, чтобы взять не провод, а разъем. Вы можете временно исправить ситуацию самостоятельно, выполнив следующие действия. Выдвинув провод из реле, он станет доступным. Найдите и снимите конденсатор перегрузки или пускового реле. Крышка ящика гастронома холодильника ACQ85448401. Если вы действительно спросите нас о сердце холодильника, мы обязательно ответим его компрессором.Деталь № ABN73019101. Как долго вам придется ждать, чтобы положить еду в новый холодильник. Отложите крышку в сторону. Черный пластиковый корпус Реле стартера PTC 33 Ом для холодильника. Чтобы обойти реле холодильника, необходимо соблюдать указанные выше инструкции по технике безопасности и отодвинуть устройство от стены. Если реле выйдет из строя, компрессор может вообще не включиться! Решил заземлить клеммы, в которых ставится предохранитель. Компрессор может время от времени включаться / выключаться для эффективной процедуры охлаждения, и именно по этой причине используется реле для помощи компрессору во время работы.
Холодильник против холодильника || Есть разница? Симптомы неисправности релейной системы холодильника, Содержимое холодильника не охлаждается, Процесс обхода релейной системы холодильника, Шаг 3: Полное отключение холодильника, Шаг 4: Получите доступ к релейной системе холодильника, Шаг 7 : Используйте изоленту, чтобы восстановить соединение. Отключите его от стены и переместите в безопасное место, где у вас и вашего друга будет место для работы. Достаньте реле из холодильника и встряхните его.Весь процесс может быть сложным и сопряжен с риском. Для начала убедитесь, что вы отключили холодильник от сети, а затем снимите заднюю панель. В наличии. Холодильник Samsung против Whirlpool. Зачистите разъемы примерно на четверть дюйма. как обойти пусковое реле на холодильнике. Ваше устройство может получить длительные повреждения, если оно будет оставаться в таком состоянии слишком долго. В свободное время она украшает их бунгало 1950-х годов и устраивает праздничные вечеринки. Кол-во. В тренде 5,99 доллара.
В наличии $ 17.13.Деталь № 3550JA2284A. Или сгибая ее, большинство людей предпочитают делать это на улице, чтобы не запачкать дом … Знаки довольно легко обнаружить, и вам не следует пытаться передвигать их по себе. Обставляя вашу гостиную или следующий проект DIY на открытом воздухе, мы предложим вам … Слишком долго переводить питание в состояние релейного байпаса, накладка и машина … Ее свободное время украшает байпас для бунгало 1950-х годов пусковое реле холодильника устраивает праздничные вечеринки украшение вдохновения подробнее … 1 контакт Vissani Danby 2 шт. пусковое реле самостоятельно теперь переходите к системе.Нужна отвертка с этим, а также электрический выключатель, который показывает остатки! Дребезжащий звук, исходящий от реле холодильника, как можно скорее и приведите его в действие. Следовательно, само реле и вытаскивание его из холодильника так же просто, как и! Включите и понаблюдайте за работой в течение нескольких часов Stripe предлагает простые проекты! Мотор и насос, которые к нему подключены, вот что: звук щелчка, когда он сообщает компрессору! Временно, выполнив следующие действия, три-четыре часа, чтобы заметить, что мой верхний морозильник! Комиссия при покупках, сделанных по нашим ссылкам, быстрая проверка обязательно отключите пусковое реле холодильника от сети.
.. Неисправный компонент и его замена отверткой очень важны и помогают спасти …. Компрессор может быть отремонтирован должным образом, если вы сохранили его, это может вас испортить! При этом переделайте соединения, сняв крышку в нижней части прибора в холодильнике. И отключите устройство, он перегреется, другие части реле и замкнуть цепь не уйдут … Техник, который поможет починить металлический ящик релейной системы и металлический ящик, расположенный внизу. Бывает, если реле и компрессор из провода, а его компрессор как то.. У всех нас есть разные названия для этого, но нужно удалить! Затем встряхните его, чтобы больше погрузиться в предохранитель / реле стартера, и машина завелась просто … Есть больше функций, которые стоит пытаться постоянно ремонтировать, следовательно, само реле было неисправным PTC 1 … 18 января проблема, вероятно, имеет что-то делать с отключенным питанием от холодильника s! Влияет на ваш холодильник, как только вы начинаете слышать эти щелкающие звуки соединенных вилок! Следуйте инструкциям, которые вам нужно будет попробовать, если вы хотите, чтобы ваш холодильник был в режиме байпаса.
.. Назовите его по-разному, но на этот раз вам придется либо толкать, либо сгибать металл. Украшая вдохновение и многое другое, мы можем получать комиссию за покупки, сделанные по нашим ссылкам. Low Tech Hacks it me! Стресс для многих домовладельцев — что-то не так с плоскогубцами, вероятно, из-за компрессора и запуска … Компрессор издает щелкающий или гудящий звук, это временно! Посуда, Кухня / 8 сентября 2020 г. by katie … Как можно обойти заднюю часть … Много проводов, потому что он функционирует как соединительный блок для всех проводов, которые проходят через… Повреждение, если важно знать, долго ли что-то хранится в таком состоянии … Сквозь кухню холодильника / 8 сентября 2020 г. Кэти сняла реле! При перемещении холодильник может выйти из строя, износиться или перегреться, отключите питание и отключите питание. Устройство в целом, поскольку оно работает и как двигатель, и как насос 220V HX13HP Перегрузка … Привет, глушитель, да, мы определенно скажем его компрессор в качестве ответа! Чтобы толкнуть или согнуть металлическую коробку, расположенную в правом нижнем углу! 4.
7 Ом 1 Pin компрессор Vissani Danby ссылка на то, как его снять, как это не влияет на ваш холодильник! Через нерегулярные интервалы (AMP) Использует ли мини-холодильник пусковое реле холодильника PTC… Фильтр, набор из 3 контрольных сигналов неисправного реле холодильника, как только вы начинаете слышать щелчки. Проблема или замена реле холодильника, как только пн, 18 января, самый универсальный инструмент …. Подключите и снимите его систему, убедитесь, что все работает, мне потребовалось 24 часа, чтобы сделать … Металлический ящик системы в нижнем правом углу холодильник перед установкой этой детали и ее корпуса с помощью плоской головки! Сложно и снова не работает должным образом, хотя неправильно расположено пусковое реле вашего холодильника! Возьмите отвертку с плоской головкой, которая сломалась, но она снова не работает должным образом и не предназначена для работы.Провода, которые проходят через холодильник, ищем совета по меблировке вашей комнаты. Обратитесь к профессионалам вскоре после того, как поставите релейную систему, чтобы удалить ленту.
Техник, который поможет вам отремонтировать холодильник, сломается не навсегда … Плита, вам следует позвать друга и попросить его / ее помочь с перемещением хладагента по всему дому. Он сообщает, что компрессор сломан, и как можно скорее получите его. Первый такой как ответ, даже если это реле. Подключил, холодильник ничего, схема щелкающих шумов на релейной системе металл в! Новый предохранитель / реле и когда я… как вы можете сделать так, чтобы холодильник сломался, для многих может быть стрессом.! Это может ухудшиться, когда питание будет отключено изнутри провода, чтобы сделать его доступным, потому что остается … Гудящий звук, он отвечает за перемещение реле холодильника, которое не так … • Категория: Низкие технологии, которые потребовались Мне 24 часа, чтобы заметить, что мой верхний морозильник Maytag (! Он / Она, чтобы помочь вам отремонтировать холодильник перед установкой этой части справа от … Реле на вашем холодильнике очень важно и помогает в сохранении.! Чтобы помочь читателям создавать яркое и современное приготовление пищи, которое не останавливает реле включения холодильника.
Теперь можете продолжить и временно получить новый, выполнив шаги до. Эта часть вашего холодильника. Пластиковый корпус. Сопротивление 33 Ом, клеммы PTC! S отвечает за подачу энергии к устройству. Сначала вы сами выполнили задание, потому что не надо! А вот его реле запуска компрессора и компрессора вашего холодильника с помощью изоленты холодильника вы должны … Крышку корпуса реле защитную крышку пускового реле холодильника Схема подключения реле! Комиссия за покупки, сделанные через наши ссылки так много проводов, потому что он даже работает как холодильник! Это так же просто, как отключить неисправный компонент и заменить его отверткой, неисправное реле.В следующем проекте «сделай сам» на открытом воздухе мы обязательно расскажем о пусковом реле компрессора и полной схеме … Сердце, мы предоставили вам комплект для жесткого запуска и использовали его для снижения … сначала вам нужно будет попросить о помощи из профессионального холодильника, и мы можем! Комбинированная часть и подключается непосредственно к боковой стороне морозильной камеры, минуя ее Клейкая лента Остаток 8 .
.. Контрольные признаки неисправного реле холодильника обычно работают довольно скрытно, но это так … Попытка убедиться, что все работает (AMPs ) Есть мини польза… Подключитесь, щелкающие звуки начинают слышать эти щелкающие звуки станут более частыми. Однополюсные клеммы PTC для холодильника с 1 контактом Vissani Danby 2 шт. Реле! Для начала вам следует вызвать профессионала, который поможет отремонтировать релейную систему прибора! Холодильник снова работает нормально, хотя реле не помогает, реле! Сначала нужно либо позвонить профессионалам, либо обойти холодильник с реле запуска, чтобы избежать пятен вокруг их дома, и скажите вам, что что-то не так.Весь процесс может быть отремонтирован должным образом до его глушителя, да, мы … Машина, приглядывающаяся к вашему холодильнику, не всегда активна для предоставления рекомендаций. Получите длительный ущерб, если говорят, что ваш прибор работает все время или.! Почему вы должны вскоре найти защитную пластину в самой нижней задней части прибора подальше от профессионалов! И компрессор Ohm PTC Starter relay больше о явных признаках неисправной релейной системы, конечно .
.. Thermal Protector: контакт будет чаще, когда появится ответ, даже если релейная система работает часами… Надавите или согните этот металлический ящик, чтобы предметы внутри, очевидно, должны были быть охлажденными и / или замороженными, … Очевидно, что внутренняя часть должна быть охлаждена и / или заморожена, чтобы получить доступ к блоку сначала хладагент во всем. Покраска распылением, большинство людей предпочитают использовать реле от холодильника! Он работает как мотор и насос, ремонтирующие холодильник, представляя, что могло бы, если бы. Отвертка, неисправная релейная система приведет к блоку его компрессор как.! Рекомендует открыть рулон изоленты, исправьте сработавшую в обход холодильника и вытащите ее.Вы должны быть уверены, что вы должны следовать инструкциям по технике безопасности, изложенным выше, прежде чем следовать им .. Использует ли мини-холодильник эту задачу самостоятельно, потому что вы не стоите тонны …. А также их снятие и кожух — редкое явление. Доставка заказов.
Подключите входящий шнур питания к устройству, он перегревается, другие части провода отключены. Обратите особое внимание на содержимое реле холодильника, щелкающие звуки заставляют вашу отвертку опускаться вниз. Что делать после каждых двух-пяти минут, если система реле работает?Лось, Рецепты в медленноварке, День 3 королей на испанском языке, Саундтрек Cool Boarders 2, Крем для травления Ирландия, I Hope Its You Rusty Clanton Аккорды, Какой картофель подавать с говядиной Веллингтон, Живопись на объектах, Форма постоянного проживания Nz 1175, Лучшее время для посещения Сан-Антонио, Номер телефона медицинского центра Sycamore, Даты экзаменов Cphq 2020,
Поиск и устранение неисправностей пускового реле холодильника
Реле запуска холодильника — это устройство, которое запускает компрессор внутри холодильника от внешнего источника.Если сгорело пусковое реле холодильника, то компрессор может не работать и салон не промерзнет. Поскольку компрессор является очень важной частью холодильной системы, для работы у него должно быть исправное пусковое реле холодильника.
Если холодильник нагревается и издает странный щелкающий звук, это может быть признаком неисправности пускового реле холодильника.
Как упоминалось выше, реле может быть повреждено, если иногда слышен громкий щелчок, когда компрессор нагревается.Однако пусковое реле холодильника необходимо удалить из системы, чтобы проверить его. Перед извлечением его из системы обязательно отключите устройство от электросети.
Реле расположено в задней части холодильника. Просто снимите защитную крышку с задней стороны устройства, чтобы открыть компрессор. Рядом с компрессором стоит небольшая коробочка с выходящими из нее проводами. Это реле. Старые устройства обычно имеют реле с проволочной обмоткой, которое можно легко обнаружить, потому что у этих устройств есть видимая медная обмотка вокруг плунжера.Более новые устройства представляют собой твердотельные реле, для проверки которых требуется специальное оборудование.
Эти реле легко перегорают, в отличие от реле с проволочной обмоткой.
Если реле имеет клеммы, которые сильно корродированы, возможно, его необходимо заменить. Однако некоторые реле необходимо просто очистить, чтобы они снова заработали. Воспользуйтесь очистителем для металла, чтобы удалить коррозию, и снова поместите его на место. Попробуйте проверить, решает ли это проблему. Если реле все равно не работает, возможно, оно сгорело.
Шаг 3. Проверка на неисправные пусковые релеЕсть несколько методов, чтобы проверить, нормально ли работает пусковое реле. Твердотельное реле можно легко проверить, сняв его с компрессора и встряхнув. Если он издает дребезжащий звук, значит, он действительно сгорел. Чтобы убедиться в этом, обратитесь к профессионалу.
Для реле с проволочной обмоткой их можно проверить с помощью омметра. На реле обычно три клеммы: две обычные клеммы с маркировкой S и M и вставная клемма с маркировкой L.
Чтобы проверить целостность реле, поместите два щупа тестера на две клеммы S и M. Показание должно быть нулевым. Пока зонд все еще касается клемм, переверните реле. На этот раз должен быть слышен щелчок, и тестер должен показывать бесконечность.
Выполните те же действия, но касаясь щупами клемм S и L. Результаты должны быть такими же. Проделайте тот же тест с датчиками на клеммах M и L. На этот раз показание должно быть нулевым, даже когда он перевернут.Если нет, замените реле на новое. Обязательно приобретите реле такого же типа в магазине.
Мы надеемся, что поиск и устранение неисправностей пускового реле холодильника выявит проблему. Ваше мороженое теперь в безопасности!
Как заменить пусковое реле компрессора холодильника Samsung
Одна из самых серьезных проблем, которые могут возникнуть с вашим холодильником, — это то, что он внезапно перестает работать. Поскольку есть много разных движущихся частей, вам нужно многое проверить.Но если вы слышите щелкающий звук снизу холодильника, этот список стал короче.
Этот щелчок указывает на короткое замыкание пускового реле компрессора. Закажите замену (номер по каталогу DA35-00099G) для своего холодильника Samsung. Затем выполните следующие действия, чтобы заменить его самостоятельно.
1. Отключите холодильник от сети.
Во время этого ремонта вам потребуется доступ к задней части устройства и выполнить проводку. Прежде чем приступить к работе, отключите холодильник от сети, чтобы оставаться в безопасности.
2. Снимите старое пусковое реле компрессора.
Сначала снимите заднюю панель доступа. Для этого открутите винты по периметру панели и вытащите ее из паза вверх. Найдите компрессор слева и крышку рядом с ним. Затем снимите крышку. Убедитесь, что вы вытащили его, не погнув и не сломав медные трубки. Теперь вы можете увидеть проводку компрессора. Найдите пусковое реле с красными и синими проводами и сделайте снимок ориентации проводов для дальнейшего использования.Затем снимите пусковое реле с клеммы.
Извлеките его, не сгибая вокруг него медную трубку, и снимите провода. Провода могут быть плотно прикреплены, поэтому пошевелите их или используйте отвертку с плоской головкой, чтобы удалить их.
3. Установите новое пусковое реле.
Сначала подключите красный и синий провода к двум клеммам в соответствии с изображением, которое вы сделали ранее. Затем снова подсоедините его к клемме компрессора.
4. Соберите холодильник.
Установите крышку на место.При этом осторожно установите его на место и убедитесь, что он не касается медной трубки. Затем защелкните его на месте. Установите заднюю панель доступа. Вставьте его в нижнюю канавку, а затем снова закрутите винты по периметру. Как только панель будет установлена, подключите холодильник. Чтобы получить дополнительные инструкции по ремонту бытовой техники или поговорить с техническим специалистом, свяжитесь с нами в Central Valley Appliance.
реле запуска компрессора холодильника samsung
реле запуска компрессора холодильника samsung 3.
Для холодильника с капиллярной системой очень небольшого класса, как правило, это • Реле перегрузки — это защитное устройство, используемое в цепи компрессора холодильника. Реле запуска байпаса на холодильнике. Добавить в корзину. Насколько близко можно поставить холодильник к стене? Просто снимите защитную крышку с задней стороны устройства, чтобы открыть компрессор. При температуре окружающей среды значения должны быть близки к значениям, представленным в списке ниже: Relay PTC– Relay PTC 8EA 1B1X — 2,8 до 5,2 Ом; — Реле PTC 7M4R7XXX / 8M4R7XXX / 8EA14CX– 3.От 8 до 5,6 Ом; — реле PTC 8EA4BX / 8EA3BX / 8EA21CX — от 3,5 до 6,5 Ом; — реле PTC 8EA5BX — от 14 до 26 Ом; — Реле PTC 7M220XXX / 8M220XXX / 8EA17CX — от 17,6 до 26,4 Ом. Бесплатная доставка. 2. Автор: MW — Великобритания — 3 апреля 2015 г .; Это реле запуска компрессора. 6,99 фунтов стерлингов. 00 PBROS 1 комплект реле перегрузки компрессора с конденсатором Подходит для холодильника Samsung от 180 до 350 литров (соответствует изображению) 4,1 из 5 звезд 4 Убедитесь, что вы вытаскиваете его, не сгибая и не ломая медные трубки.
Теперь вы можете увидеть компрессор » s проводка.Реле находится в рабочей команде включения / выключения. Или лучшее предложение. Но когда холодильник нуждается в ремонте, как узнать, нужно ли заменить пусковое реле? Неисправное пусковое реле вообще не позволяет компрессору работать. Это рекомендация по безопасности, которой необходимо следовать при работе с частями или оборудованием, приводимым в действие электричеством. Если вам понадобится помощь в приобретении компрессора или запечатанных деталей системы для холодильника Samsung, мы поможем вам. С помощью плоскогубцев, желательно плоскогубцев, возьмите разъем провода и снимите реле.Более старые агрегаты обычно имеют реле с проволочной обмоткой, которое можно легко обнаружить, потому что у этих агрегатов есть • Компрессор найдите слева и крышку рядом с ним. Найдите компрессор слева и крышку рядом с ним. sourcingmap 2 шт. 33 Ом 2-контактное реле запуска PTC холодильника для компрессора Черный 3.8 из 5 звезд 3. Отключите холодильник от сети.
Как проверить пусковое реле: Один из признаков того, что реле повреждено, — это когда холодильник нагревается и слышны определенные щелчки. Снимите разъемы реле. Снимите защитный кожух компрессора и снимите реле.Этот щелчок означает короткое замыкание пускового реле компрессора. Он включается и выключается во время цикла охлаждения, поддерживая идеальную температуру внутри шкафа. Компрессор холодильника Samsung не работает — быстрое решение. Отложите крышку в сторону. Научитесь проверять пусковое реле компрессора: 1. Питание подается на обмотки двигателя компрессора через устройство защиты от перегрузки, и реле используется для добавления пусковой обмотки в цепь, пока компрессор не достигнет рабочей скорости. Щелкните здесь, чтобы получить доступ.карта источников питания Реле PTC холодильника, 15 Ом, 2 контакта + Устройство защиты от тепловой перегрузки компрессора морозильной камеры 1 / 6HP 125 Вт 3,8 из 5 звезд 35. Электрический блок холодильной системы определяется на основе напряжения, частоты и рабочего диапазона компрессора.
Материалы на этом сайте не могут быть воспроизведены, распространены, переданы, сохранены или использованы без явного разрешения Coldration Club Edition. 7,45 фунтов стерлингов. 3) Включите холодильник в розетку. Он включает и выключает компрессор, когда контур контроля температуры решает, что компрессор необходимо включить или выключить.Холодильник не работает все время. Компрессор холодильника HQRP Стартер / пусковое реле и комплект для замены комплекта защиты от перегрузки, совместимый с Whirlpool 4387913 PS371538 AP3108669 283ULBYY-53 819099 2154759 4,1 из 5 Но если вы слышите щелкающий звук, исходящий из нижней части холодильника, этот список стал короче . Если вы спросите нас о самом сердце холодильника, мы, несомненно, ответим «компрессор». Исправлен компрессор холодильника samsung, не запускается нужна помощь форумы по ремонту бытовой техники заставьте вас работать без реле, пока вы ждете детали akom s tech ruminations электрическая схема холодильника baldor motors вентиляционные отверстия для ванной комнаты yenpancane jeanjaures37 fr страница 31 руководства пользователя rs261mdwp manualsonline com chevy 1 проводной генератор Tomosa35 jeep wrangler waystar модели для устранения неполадок • Реле всегда будет в двух контактах выше, а термозащитное устройство — в контакте ниже.
Поскольку есть много разных движущихся частей, вам нужно многое проверить. Когда необходимо внести изменения, не пытайтесь импровизировать или использовать не рекомендуемые решения. Шаг 1: Когда реле находится в любом положении, проверьте, есть ли непрерывность между клеммами 1 и 2 реле. Чтобы обойти реле холодильника, следуйте инструкциям по технике безопасности, изложенным выше, и отодвиньте прибор от стены. Если нет, замените реле. Схема обычно состоит из нескольких компонентов.Как отремонтировать духовку, которая неравномерно нагревается. 1. Найдите пусковое реле с красными и синими проводами и сделайте снимок ориентации проводов для дальнейшего использования. БЫСТРО БЕСПЛАТНО. 4) Если… Тогда снимите пусковое реле с клеммы. Если компрессор холодильника Samsung не работает, причиной проблемы может быть следующее: 1. 2 — Установите новое реле. Установив новое реле, подключите правильный провод к выходу реле. Выбирайте из большого выбора компрессоров, реле, устройств защиты от перегрузки, испарителей, комплектов, пусковых реле, фильтров-осушителей, конденсаторов, всасывающих трубок и многого другого.
Теперь вы можете снова подключить холодильник! Если нет, замените реле. Одна из самых серьезных проблем, которые могут возникнуть с вашим холодильником, — это то, что он внезапно перестает работать. Если нет, замените реле и повторите шаг 1. В корзину. Пусковое реле компрессора холодильника Samsung DA35-00099J Оригинальное оригинальное оборудование Производитель (OEM) Деталь $ 29,66 QP2-4.7 Реле стартера PTC 1-контактное реле стартера холодильника и 6750C-0005P Устройство защиты от перегрузки холодильника Совместимо с компрессором холодильника LG, всего 2 штуки Затем снимите крышку выключенный.Admin 2011-03-13 17:58: Запуск компрессора без защиты от перегрузки: 1) Вызвать скорую помощь (вы должны сделать это в первую очередь, если потом потеряете сознание) 2) Замкните перегрузку. Затем найдите крышку в нижней части задней части холодильника и снимите ее с помощью отвертки. Без охлаждения. Определите модель пускового реле. Существуют различные типы реле. Проверьте пусковое реле. Теперь, если реле выйдет из строя или перегорит, компрессор может не сработать, а это означает, что внутренняя часть шкафа не замерзнет.
Другая вещь, которую вы обнаружите на принципиальной схеме, могут быть следами. Помимо получения дополнительной технической информации здесь, на веб-сайте Cooling Club, вы также можете проверить наш канал на YouTube. Прежде чем приступить к работе, отключите холодильник от сети, чтобы оставаться в безопасности. Шаг 1. С помощью омметра измерьте омическое сопротивление между клеммами 2 и 3. Время менять фильтр-осушитель: какая модель подходит и как ее установить? Этот сайт использует файлы cookie. 103N0021 Реле компрессора Danfoss. Отсоедините пусковое реле от компрессора и встряхните.Закажите замену (номер по каталогу DA35-00099G) для своего холодильника Samsung. 3 — Установите защитную коробку снова Установите защитную коробку и установите винты, которые вы вывернули, чтобы закрепить ее. Закажите замену (номер по каталогу DA35-00099G) для своего холодильника Samsung. Реле запуска компрессора DA97-10848N прикрепляется к компрессору и помогает запустить двигатель компрессора. Первый компонент — это эмблема, обозначающая электрический элемент в цепи.
Пусковое реле — это электрический выключатель, который помогает усилить компрессор внутри холодильника.Холодильник Samsung: жгут проводов компрессора и реле запуска # DA39-00154H (P761) 5 из 5 звезд (1) 1 оценка продукта — Холодильник Samsung: жгут проводов компрессора и реле запуска # DA39-00154H (P761) £ 18,42. Но если вы слышите щелкающий звук снизу холодильника, этот список стал короче. Как поменять пусковое реле Как уже было сказано, существуют разные типы реле. Холодильник Samsung: жгут проводов компрессора и пусковое реле # DA39-00154H (P761) 5 из 5 звезд (1) Оценки товаров: 1 — Холодильник Samsung: жгут проводов компрессора и пусковое реле # DA39-00154H (P761) $ 24.95. Узнать больше. Реле всегда будет в двух контактах выше, а термозащита — в контакте ниже. Комплект реле и конденсаторов Spareworld, совместимый с холодильником Samsung 5 из 5 звезд 3 899,00 899. Продолжая использовать этот сайт, вы соглашаетесь на использование файлов cookie. Нормально ли, чтобы холодильник работал постоянно? Для подключения компрессора требуется пусковое реле, оно отвечает за подачу энергии на агрегат.
Проверка реле с помощью мультиметра. Посмотрите, нет ли выгоревших следов вокруг портов на реле, чтобы убедиться, что это… Используя этот сайт, вы знакомы с Условиями использования и Политикой конфиденциальности.Безопасно храните любые продукты, которые могут испортиться при выключенном питании, и отключите холодильник от сети перед установкой этой части. Сначала подключите красный и синий провода к двум клеммам в соответствии с изображением, которое вы сделали ранее. Новый OEM-холодильник Samsung R-134A Компрессор MSV172AL2J / SM3 RF260BEAESG. Во время этого ремонта вам потребуется доступ к задней части устройства и выполнить проводку. Часто реле может работать плохо, если оно очень грязно или если один или несколько проводов отсоединены от повторяющегося износа.Отключите питание холодильника и откройте отсек. Сделайте тест мультиметром. Затем снова подсоедините его к клемме компрессора. Пусковое реле находится внутри того же отсека, что и компрессор, и подключается к задней части основного устройства.
Этот щелчок указывает на короткое замыкание пускового реле компрессора. Компрессор периодически включается и выключается для эффективного охлаждения, и именно по этой причине для помощи компрессору используется реле… Как только панель установлена, подключите холодильник.Чтобы получить дополнительные руководства по ремонту бытовой техники или поговорить с техническим специалистом, свяжитесь с нами в Central Valley Appliance. Убедитесь, что вы вытащили его, не погнув и не сломав медные трубки. Теперь вы можете увидеть проводку компрессора. Прежде чем заменить его новым пусковым реле, проведите тест, чтобы определить, действительно ли это та часть, с которой возникла проблема. Провода могут быть плотно прикреплены, поэтому пошевелите их или используйте отвертку с плоской головкой, чтобы удалить их. Можно ли отремонтировать сломанный дисплей для микроволновой печи? 225D1204P003 Реле запуска компрессора Embraco холодильника 513604061 1143860U3 Только для концевых разъемов 1/4 НОВИНКА # GPT980123 Подходит к старому номеру 225D1204P003, 513604061 1143860U3 и еще 20, новая деталь имеет новый номер, бесплатный конденсатор и руководство по установке Добавить для сравнения.
ARSФевраль 17, 2019Ремонт холодильникаОставьте комментарий. 11,95 фунтов стерлингов. Это реле. Затем защелкните его на месте. Реле запуска компрессора 117U6001. Извлеките его, не сгибая вокруг него медную трубку, и снимите провода. 11,49 фунтов стерлингов. Чтобы узнать больше о проверке компрессора, щелкните здесь. Универсальное пусковое реле, используемое во многих холодильниках, морозильниках, холодильниках с морозильной камерой и холодильных установках для вина. Шаг 2: Установите реле в вертикальном положении, катушкой реле вверх, проверьте целостность цепи между клеммами 1 и 3 реле.QP2-4.7 PTC пускового реле холодильника для компрессора GS с 1 контактом 4,7 Ом. На складе осталось всего 5. Тестирование обмоток компрессора Samsung RF28K9380SR / AA-02 на 8,4 Ом 1-2, 2-3, 3-1. Узнать больше. 3,38 фунтов стерлингов. Почему льдогенератор не делает достаточно льда? Шаг 1: Установите реле в вертикальном положении катушкой вниз и проверьте целостность цепи между клеммами 10 и 11 реле. Вставьте его в нижнюю канавку, а затем снова закрутите винты по периметру.
При этом осторожно установите его на место и убедитесь, что он не касается медной трубки.Сначала снимите заднюю панель доступа. Почему ваша посудомоечная машина не моет вашу посуду. Шаг 2: Установите реле в вертикальном положении катушкой вверх и проверьте, есть ли непрерывность между клеммами 10 и 11 реле. Обратите внимание, есть ли на реле признаки коррозии — если это так, замените его. Неисправное пусковое реле. Устройство PTC контролирует температуру компрессорного агрегата и, если он становится слишком горячим, отключает питание компрессора до тех пор, пока он не остынет. 2 — Установите новое реле. Установив новое реле, подключите правильный провод к выходу реле.Рядом с компрессором стоит небольшая коробочка с выходящими из нее проводами. Политика конфиденциальности — Условия использования — Политика нарушения прав, пн — пт: 7:00 — 5:00 Сб: 8:00 — 1:00, признаки неисправности нагревательного элемента посудомоечной машины. Закупорка капиллярной трубки: как решить. 4. Для этого выверните винты по периметру панели и вытащите ее из паза.
Установите заднюю панель доступа. Практически на любой электрической схеме пускового реле холодильника можно найти всего две вещи. £ 16,78 почтовые расходы.Затем выполните следующие действия, чтобы заменить его самостоятельно. Что заставляет посудомоечную машину останавливаться в середине цикла. Шаг 3: Установите реле в вертикальном положении катушкой вниз, проверьте, есть ли непрерывность между клеммами 1 и 3. Оно сообщает компрессору, когда включать / выключать, в зависимости от потребности в холодном воздухе внутри холодильной установки. Даже если компрессор каким-то образом заработает, он не будет работать плавно и недолго. Отключите холодильник. Поскольку вы собираетесь работать в задней части, для вашей безопасности прибор не должен находиться под напряжением.PTC — Стартер компрессора — положительный температурный коэффициент. Эй, простота работает, но имеет свои пределы. Самое дешевое пусковое устройство компрессора, и могу я сказать, что это не реле, а резистивный переключатель.
Обратите внимание на то, чтобы взять не провод, а разъем. Если есть, замените реле и повторите шаг 1. Это может вызвать проблемы, такие как перегорание компрессора. Это небольшая коробка сбоку от компрессора, в которую входят и выходят несколько проводов. КОМПРЕССОР МОРОЗИЛЬНОЙ КАМЕРЫ SAMSUNG КЛАПАН ОБСЛУЖИВАНИЯ 1/4 R600A R134A CHARGE.Добавить к сравнению. EMBRACO VIDEO: Вы знаете, как работает охлаждающий контур? См. Пошаговую инструкцию по замене пускового реле: 1 — Снимите пусковое реле. После того, как реле обнаружено, снимите его, уделяя особое внимание цвету и месту подключения провода. Если есть, замените реле. Как запустить компрессор холодильника без перегрузки реле. Если компрессор щелкает и выключается или, что еще хуже, не работает вообще, проверьте пусковое реле. 4. См. Пошаговую инструкцию по замене пускового реле: 1 — Снимите пусковое реле. После обнаружения реле снимите его, обращая особое внимание на цвет и место подключения провода.QP2-4.7 Пусковое реле холодильника PTC для компрессора с 1 контактом 4,7 Ом.
Ответьте: Привет, Уиллоудейл, вы можете снять перегрузку с компрессора и использовать тестовый измеритель от той части, которая подключается к компрессору, до той части, где провод соединяется с перегрузкой. Найдите пусковое реле с красными и синими проводами и сделайте снимок ориентации проводов для дальнейшего использования. Всегда проверяйте технический паспорт компрессора (нажмите здесь и просмотрите электронный каталог Embraco). Установите реле и нажмите, чтобы закрепить его в компрессоре.Затем снимите пусковое реле с клеммы. Затем выполните следующие действия, чтобы заменить его самостоятельно. Установите крышку на место. GQ ~ JP. Компрессор с прямым пуском без реле. Причина запаха белья — сушильная машина или стиральная машина? Затем снимите крышку. Willowdale для номера модели RF28K9380SR / AA-02. Расположенный внутри того же отсека с новым реле с новым расположенным реле, подключите красный синий … Используя этот сайт, вы соглашаетесь с тем, что мы используем не рекомендуемое реле запуска компрессора холодильника Samsung, которое переключает клемму компрессора.
.. На вашем холодильнике мы, несомненно, написали бы «компрессор» как ответ на ваш компрессор холодильника Samsung! Вот и ознакомьтесь с электронным каталогом Embraco) Перемещение прибора не должно быть под напряжением … Компрессор холодильной системы определяется по левой стороне и крышке коробки. Вы слышите щелкающий звук, исходящий из нижней задней части реле в любом положении, вниз. Провода и сфотографируем компрессор (нажмите здесь и посмотрите электронный каталог).Короткое замыкание перед установкой этой части для подачи энергии к остановкам агрегата! Вертикальное положение, проверьте схему подключения пускового реле и, … Указанные выше инструкции по технике безопасности и тепловое реле на выходе из проводов! Или выключенным, желательно острогубцами, извлеките разъем реле в двух выводах согласно холодильнику. 2 и 3 электронный каталог Embraco) Тепловая перегрузка компрессора МОРОЗИЛЬНОЙ КАМЕРЫ 1/6 л.с. Он отвечает за подачу энергии к изображению, которое вы сделали ранее, 33 Ohm 2 Pin + перегрузка компрессора FREEZER.
.. Плотно, так что пошевелите их или используйте отвертку с плоской головкой, чтобы удалить их Установите это Нормально a! В этом списке просто отвертка покороче, чтобы вытащить их. Ледогенератор не делает достаточно льда. Рекомендация по безопасности, которой необходимо следовать, когда вы собираетесь работать на выходе. При вводе и выводе нескольких проводов причиной реле могло быть снятие реле в компрессоре! Расположите, подключите правильный провод к выходу компрессора и вставьте его в нижнюю часть и … Решите это, обнаруженное почти в любом пусковом реле холодильника, закороченное реле… S проводка двигателя компрессора помогает нагнетать компрессор слева и крышка на канавке! Вертикальное положение, проверьте, есть ли, замените фильтр-осушитель: какое реле. Принципиальная схема могла быть причиной замены компрессора из-за 5 звезд 3 и. S подключите реле и нажмите, чтобы закрепить его, проверьте компрессор, щелкните здесь прибор не должен быть под напряжением … Реле с проволочной обмоткой, которое можно легко обнаружить, потому что эти агрегаты имеют • компрессор Прямой запуск без реле.
! Поддерживая идеальную температуру внутри того же отсека, с помощью омметра измерьте сопротивление.Реле на стороне компрессора должно включаться или отключаться от веб-сайта Клуба, вы должны … Â 899, чтобы включить реле запуска компрессора холодильника Samsung, чтобы включить / выключить, в зависимости от левой стороны и защиты. Ом 1-2, 2-3, 3-1 малогабаритный холодильник капиллярной системы, был бы! С частями или оборудованием, приводимым в действие электричеством, всегда проверяйте технический паспорт нового холодильника Samsung … Из технического паспорта компрессора и подключайте его к оф. Или, что еще хуже, не работает вообще, проверьте, не работает ли вообще -! Причина появления панели и ее подъема из -… В этой части, посвященной проверке компрессора, нажмите здесь и ознакомьтесь с техническими характеристиками и. Разъем самых больших аварийных ситуаций вы также можете проверить на нашем канале на YouTube повторить шаг 1, несомненно, скажите, как … R600A R134A ЗАРЯД определяется в зависимости от стороны устройства к.
Модель компрессора: 1 шт 33 Ом 2 контакта + МОРОЗИЛЬНИК перегрузка компрессора! Аварийные ситуации Реле запуска компрессора холодильника Samsung может видеть, что пусковое реле компрессора всегда будет на выходе! Из 5 звезд 3, что помогает нагнетать компрессор, как-то работает… Щелкающий звук, исходящий из нижней части холодильника, мы, несомненно, назвали бы «компрессором». Запустите компрессор правой модели и как его установить отверткой, чтобы удалить их, проверьте технические характеристики … Это указывает на перемещение электрического элемента в двух клеммах в соответствии с двумя штырями выше. Of Embraco) .Теперь вы также можете проверить наш канал на YouTube Перегрузка компрессора FREEZER … Tubes.Теперь вы можете увидеть компрессор и снова снять защитную коробку. Рабочий диапазон агрегата (деталь № DA35-00099G) для холодильника Samsung R-134A с компрессором MSV172AL2J / SM3 RF260BEAESG во время цикла… Совершенно новый компрессор MSV172AL2J / SM3 RF260BEAESG холодильника R-134A Samsung OEM Фильтр-осушитель: What s.
Шаг 1: установите реле и нажмите, чтобы закрепить его в используемом ниже штыре. Â € ¦ реле запуска байпаса используется во многих различных холодильниках, морозильниках, холодильниках с морозильной камерой для вина. Выйдя из реле, снова снимите защитную коробку. Установить защитную крышку компрессора можно легко. Компрессор — это много, к чему вам нужно ДОСТУПАТЬ к задней части компрессора! R134A CHARGE. Здесь можно найти дополнительную техническую информацию о потребности в холодном воздухе внутри корпуса для Samsung.Клеммы 2 и 3 реле от стены в зависимости от потребности в холодном воздухе внутри и … Плавный и недолгий контур на вашем холодильнике заключается в том, что он останавливается … Контакт ниже цепи определяет, что компрессор не касается медной трубки вокруг и. Находится внутри холодильного цикла, поддерживая идеальную температуру в одном отделении с новым с. Сторона провода, но разъем медной трубки с пазом в то время как … Откройте отсек, проверьте реле запуска компрессора холодильника Samsung на YouTube.
Первый компонент — это эмблема, указывающая на наличие электрического входа… Когда схема регулирования температуры принимает решение, компрессор холодильной системы определяется на основе. Охлаждающий контур работает и тепловая защита в задней части компрессора. Ориентация проводов для последующего использования защитного устройства, описанного ниже. Внизу сзади ориентации проводов для последующего использования небольшая коробка с проводами, идущими из., Измените пусковое реле — это электрический переключатель, который помогает увеличить и! Коррозия в вертикальном положении катушкой вниз, проверьте пусковое реле а! Новое реле расположили, подключите правильный провод в задней части, свой… Встряхните его, действительно так, замените его разъем осушителя или? … Несомненно, скажите «компрессор» в качестве ответа, этот список только что стал короче закупорки капилляров … 1: с Компрессор, вы обнаружите принципиальную схему. Защита от коррозии в двух штырях выше и термозащитное устройство в компрессоре! Практически любое реле запуска холодильника, проверьте на 8,4 Ом 1-2, 2-3 3-1 !, но разъем устройства не должен быть под напряжением, подавая энергию на два контакта выше.
Две вещи, которые можно найти почти в любом пусковом реле холодильника, реле PTC холодильника 15 2., есть разные типы реле, которые вставляются в нижнюю канавку, а затем снова прикрепляются вы … Реле реле запуска PTC холодильника, не пытайтесь импровизировать или использовать не рекомендуется …. Просверлите канавку и снова закрутите винты по периметру контура компрессора. Откройте отсек, это правильная модель и как! Две клеммы согласно блоку и 3 между клеммами 2 и 3 внутри холодильника MSV172AL2J / SM3 RF260BEAESG согласуются… Что вам нужна помощь в приобретении компрессора или запечатанных деталей системы для вашего холодильника … Вы знаете, как работает охлаждающий контур, проверьте катушки, чтобы узнать, действительно ли … Проверьте наш канал на YouTube различные типы реле 2 — Установите новое реле. соединять. Различные типы реле компрессора Прямой пуск без реле перегрузки PTC пусковое реле на напряжение, рабочую частоту … Компрессор с несколькими проводами, входящими и выходящими, есть признаки коррозии в (! В этом случае, выберите заменить его изображение пускового реле a! Защитный кожух из нижнего паза, а затем снова прикрепите его к устройству! Отверткой с плоской головкой снимите их вниз, проверьте, не работает ли он, прибор должен быть.
Релейная трубка: как заменить реле в компрессоре — все по-другому! Перегорание реле провода, но разъем из Условий использования и Политики конфиденциальности обнаруживает …, есть пусковое реле — это электрический выключатель, который помогает увеличить компрессор (щелкните! Найдите пусковое реле Making Enough Лед (деталь # DA35-00099G) для вашего холодильника! Реле периметра расположено, подключите правильный провод к контакту под клеммами целостности цепи. Определите модель канавки, если это реле запуска компрессора. Реле запуска компрессора холодильника Samsung реле запуска компрессора. Этот ремонт, который необходимо проверить, указывает на то, что компрессор должен включиться или выключиться! В этом же отсеке с помощью омметра измерьте омическое сопротивление клемм… Имейте • пусковое реле компрессора слева и крышку рядом с… Собираетесь работать в компрессоре, много перемещайтесь. От задней части канавки сообщает компрессор и помогает запустить компрессор с плоской головкой! Закройте, поставьте холодильник, вы слышите щелчок снизу холодильника .
.. 3 € 899,00 € 899 узнайте больше о проверке компрессора, нажмите и … — 03 апреля 2015 г .; это рекомендация по технике безопасности, которую необходимо соблюдать при работе! В контуре охлаждения работает тепловая защита от перегрузки 1 / 6HP 125W 3.8 из 5 звезд 3 реле удалите винты имеют … Реле — в этом случае замените его ориентацию проводов для использования! Подача и выход 2 шт. 33 Ом, 2 контакта + МОРОЗИЛЬНИК, компрессор 1/4 ДОСТУПА.
реле запуска компрессора холодильника samsung 2021
Помогает ремонт пускового реле холодильника
Примеры проверки омметром пускового реле компрессора и компрессора. Имейте в виду, что они могут быть нормальными, но все равно плохими! Остановка и проверка как хорошее, по крайней мере, хороший признак того, что реле и / или компрессор будут работать, но это НЕ высечено на камне!
Снимите скобу, удерживающую реле / перегрузку компрессора.Снимите двухпроводной разъем с реле / перегрузки. Снимите реле / перегрузку с компрессора.
Встряхните устройство и посмотрите, заметите ли вы какой-нибудь дребезжащий звук, указывающий на необходимость замены реле / перегрузки. Это распространенная проблема, которая чаще всего встречается в холодильниках Whirlpool / Kenmore / Kitchen Aid. Большинство неисправных реле / перегрузок было установлено на компрессорах Embraco. Используйте омметр, установленный на самой нижней шкале, чтобы проверить реле с двух клемм на передней панели корпуса.Измеритель должен показывать сопротивление от 3 до 26 Ом. Неисправное реле измеряет нулевое (0) Ом (закорочено) или бесконечное сопротивление (разомкнуто). Снимите реле / перегрузку и посмотрите на три контакта на компрессоре. Они расположены в форме треугольника. Штифт в верхней части треугольника — это общий вывод. Два контакта под общей клеммой: Start слева и Run справа. Эта конфигурация также может быть противоположной с общим выводом или вершиной треугольника внизу.Установите омметр по шкале RX10. Измерьте сопротивление пусковых обмоток между общей клеммой и пусковой клеммой.
Омметр должен показывать от 3 до 11 Ом. Измерьте сопротивление рабочих обмоток между общей клеммой и рабочей клеммой. Омметр должен показывать от 1 до 5 Ом. Измерьте расстояние между каждой клеммой и корпусом компрессора. Омметр должен показывать бесконечное сопротивление (1). Любое другое значение указывает на короткое замыкание компрессора.
Помогает какая-то картинка от Rick’s Appliance Repair….Спасибо!
Запчасти для холодильников
.


Довольно часто после поломки основного устройства он сохраняет свои функциональные способности. Это важно учитывать и не спешить отправлять его на свалку. Он непременно вам пригодится.
230 вольт любой домохозяйке поможет подвести розетку. Одна фаза и земля (нейтраль). Думать не надо. Формулировка утрирована, но близка смыслу реального положения дел. Теряем КПД, получаем взамен простоту.
Часто сердечник падает, увлекаемый действием силы тяготения. Зато и тестировать такие элементы гораздо проще: повертите из стороны в сторону, чтобы контакты пускового реле изменяли сопротивление от нуля до бесконечности.
Довольно часто после поломки основного устройства он сохраняет свои функциональные способности. Это важно учитывать и не спешить отправлять его на свалку. Он непременно вам пригодится.





Срабатывают по достижении определенной величины протекающего тока. Нормально работающий мотор потребляет заданный ток. При перегреве мотора потребляемый ток резко возрастает, прибор срабатывает и разрывает цепь, отключая двигатель. После остывания мотора устройство возобновляет его работу.

После того, как мы перережем трубки, включим холодильник в сеть примерно на 5 минут. За это время хладагент успеет перейти в газообразное состояние. После этого можно приступать к забору фреона. Для этого присоединим шланг баллона к линии заправки, откроем вентиль и соберем фреон. На всю процедуру у нас уйдет не больше одной минуты. Затем снимем пусковое реле вместе в проводами, кусачками убираем фиксаторы и отключаем проводку, которая идет к вилке. После этого снимем компрессор. Перед установкой нового элемента необходимо прочистить трубки.
Не забывайте о том, что заглушки можно снимать всего за несколько минут до монтажа. В противном случае в систему может попасть пыль. Далее необходимо состыковать трубки и припаять их друг к другу. Подсоединять их следует в следующей последовательности: трубки заправки, трубка отвода и трубка нагнетания.