Ремонт неисправностей стиральной машины LG своими руками
Корейская компания LG выпускает великолепные стиральные машины с прямым приводом. Данная технология действительно существенно увеличивает рабочий ресурс двигателя и подвижных элементов. Однако и для этих машин характерны специфические неисправности, отмеченные специалистами сервисных центров как наиболее часто встречающиеся. Если вы являетесь владельцем стиральной машины LG, то в 80% случаев вам придется столкнуться с неисправностями, рассмотренными в данной статье.
Частые неисправности и их «симптомы»
Специалисты ведущих сервисных центров мира отмечают достаточно высокую надежность стиральных машин LG. Наиболее «живучим» агрегатом этой машины считается двигатель, который ломается лишь в одном случае из 500 обращений в сервисные центры и то в половине случаев причиной неисправности модуля становится заводской брак. Подвижные элементы также считаются довольно надежными, все кроме подшипников их ремонт осуществляют чаще.
Какие агрегаты стиральной машины LG, ломаются чаще всего? Перечислим их:
- нагревательный элемент;
- прессостат;
- подшипники;
- провода и клеммы;
- сливной насос;
- заливной клапан.
Неисправности этих важнейших агрегатов стиральной машины проявляют себя по-разному. Нужно внимательно проанализировать «симптомы», чтобы более или менее точно диагностировать проблему модуля еще до разборки «домашней помощницы». В частности.
- Сломанный тэн выдает себя кодом ошибки НЕ. Если ошибка на дисплее не высветилась, значит нужно внимательно следить за процессом стирки: как растворяется порошок, насколько теплая или холодная крышка люка, насколько хорошо отстирывается белье. Окончательно определить неисправность модуля можно только после замера напряжения на его контактах с помощью мультиметра.
- Неисправности прессостата чаще всего выдают себя самосливом воды. Когда вода в процессе стирки постоянно набирается в бак и постоянно оттуда вытекает.
Датчик не посылает сигнала о наполненности бака и поэтому заливной клапан фактически всегда открыт. Неисправность данного модуля можно устранить собственноручно. - Сломанные подшипники заявляют о себе сильным грохотом и скрипом, особенно при вращении барабана на высоких оборотах. Не заметить это очень сложно. Думается, о данной поломке узнают даже ваши соседи. Чтобы удостовериться в причине, нужно покрутить барабан стиральной машины своими руками вправо-влево, если при этом будет слышен скрип или стук, проблема точно в подшипниках.
- Внезапные замыкания, отключения и перезагрузки модуля управления стиральной машины LG требуют обратить внимание на поломки проводки и клемм. Неисправности самих модулей управления на таких машинах встречается куда реже. Чаще проблема возникает с проводами, идущими на датчики агрегатов. Они перетираются, замыкают, подгорают и тому подобное.
- Благодаря специфической конструкции сливные насосы стиральной машины LG, выходят из строя примерно в полтора раза чаще, чем те же модули в машинках других марок.
Дело в том, что в таких насосах не очень удачно устроен тракт слива, из-за этого он чаще забивается и насос не может функционировать. Проявляется это в невозможности машинкой слить воду и появлении ошибки с кодом OE. Расшифровку кода ошибки содержит руководство по эксплуатации машины. - Нередко проблемы возникают и с манжетой заливного клапана. Обидно бывает из-за одной маленькой резинки разбирать половину машины. Но ничего не поделаешь. Проблемы с заливным клапаном проявляются в постоянной подаче воды в бак стиральной машины. Причем это происходит даже в том случае, если машинка выключена. Если машинка выключена, а вы слышите в ней журчание воды – это заливной клапан.
Обратите внимание! Производя диагностику неисправностей стиральной машины своими руками, обязательно прислушивайтесь и присматривайтесь к ее работе на этапах стирки, полоскания, отжима и слива. Кроме того, читайте руководство пользователя, любые отклонения от нормы должны вас насторожить.
Чиним тэн и электрику
Чтобы добраться до нагревательного элемента стиральной машины, необходимо самостоятельно открутить несколько крепежных элементов, удерживающих заднюю стенку стиральной машины LG, а затем демонтировать эту стенку. Далее необходимо обратить внимание на нижнюю часть бака (возле самого дна). Оттуда должны торчать два парных контакта с винтом посредине, к которым идут несколько проводков – это и есть тэн.
Извлечь тэн несложно. Откручиваем своими руками упомянутый нами винт, поддеваем отверткой уплотнительную резинку и вытаскиваем тэн из недр бака. Визуально проверяем состояние модуля. Сгоревший тэн редко не имеет зрительно заметных повреждений (обычно это пятна гари). В большинстве случаев тэн ломается из-за слоя накипи, который на него оседает. Также поломку может спровоцировать перепад напряжения или вода, попавшая на контакты.
Правильно снять тэн поможет руководство, снятое на видео.
Ремонт данного модуля стиральной машины LG невозможен, только замена. Необходимо приобрести оригинальную запчасть от производителя и установить ее в бак стиральной машины, не забыв установить уплотнительную резинку. В процессе установки тэна нужно внимательнее всего отнестись именно к уплотнительной резинке тэна. Чтобы она лучше села по месту, нужно смазать ее небольшим количеством машинного масла.
Важно! Если уплотнительная резинка тэна сядет в посадочное отверстие неплотно, вода из бака просочится на контакты тэна и он, скорее всего снова сгорит в ближайшее время. Будьте внимательны.
Ремонт электрики стиральной машины LG сводится к проверке всех проводов и клемм идущих от модуля управления ко всем ее агрегатам. Речь идет не только о проверке всех проводков при помощи мультиметра – это само собой.
Необходимо производить и визуальную проверку: порванные хомуты, фрагменты проводов без изоляции, следы гари и оплавления контактов. Все проблемы с проводкой, которые удастся обнаружить во время проверки нужно разрешить, заменив поврежденные проводники и клеммы – в этом заключается ремонт электрики.
Проблемы с заливным клапаном, сливным насосом, прессостатом
Выявить неисправности заливного клапана стиральной машины LG самостоятельно несложно, да и отремонтировать своими руками этот модуль тоже не составит труда, если действовать методично, по заранее намеченному плану. Демонтаж и замена заливного клапана своими руками осуществляется в следующем порядке.
- Разверните стиральную машину.
- Заливной шланг, который подключен одним концом к водопроводу, другим концом прикручен именно к заливному клапану. Отключаем подачу холодной воды, перекрыв кран.
- Откручиваем заливной шланг.
- Вытаскиваем, проверяем и чистим фильтр заливного клапана, возможно, он забился грязью, и вода не проходит.

- Если с фильтром все в порядке, снимаем верхнюю крышку стиральной машины, откручиваем два шурупа удерживающие клапан, отсоединяем его от патрубков.
- Далее нам нужно проверить резинки клапана, в 90% случаев проблема в их износе и невозможности в дальнейшем удерживать воду. Если это так, меняем резинки.
- Если дело не в резинках, то, скорее всего проблема в управляющей электрике клапана. В этом случае клапан нужно менять целиком.
До сливного насоса стиральной машины LG можно добраться даже не разбирая ее. Нужно просто наклонить машинку на бок, после этого можно будет подобраться к агрегату через дно. Проверяем датчик сливного насоса мультиметром, если все в порядке, значит проблема в самом агрегате. Далее действуем по порядку.
- Отвинчиваем нижнюю часть передней панели машинки.
- Откручиваем крепежные элементы, фиксирующие сливной насос.
- Подставляем тазик, поскольку в процессе съема с агрегата польется вода.

- Отсоединяем штекеры и снимаем провода с датчиком.
- Отсоединяем патрубки, сливаем воду и убираем агрегат в сторону.
Обратите внимание! Прежде чем класть машинку на бок, выньте кюветку для порошка как велит руководство пользователя, поскольку вода, оставшаяся в кюветке, может пролиться на блок управления и повредить электронику.
После того как сливной насос снят, лучше всего отдать его на проверку и ремонт специалисту. Только он окончательно может сказать действительно ли насосу пришел конец, если да то нужно покупать и ставить новый. Сборка производится в обратном порядке. Проще всего поменять прессостат (датчик уровня воды) стиральной машины. Если вам удастся ее правильно разобрать, то произвести замену своими руками не составит труда.
Почему разбиваются подшипники, делаем их ремонт
Неисправности подшипников – это дело времени или заводского брака. Пользователь может повлиять на этот процесс только интенсивностью эксплуатации домашней помощницы.
Благодаря технологии прямого привода, которая реализована на большинстве моделей стиральных машин от компании LG, подшипники, двигатель, шкив и прочие элементы изнашиваются гораздо медленнее и служат дольше. Тем не менее, случаи разрушения подшипников все же бывают, и это порождает проблему для «любителей самостоятельного ремонта». Как правильно снять подшипник с барабана знает не каждый, однако чтобы начать это делать, нужно снять и разобрать бак стиральной машины.
Ремонт подшипника нужно осуществлять очень аккуратно, используя специальный молоток с бронзовой ударной частью и тонкий металлический стержень. Вытаскивать подшипник нужно посредством нанесения ударов по его противоположным краям.
В заключение отметим, неисправности любого модуля стиральной машины LG, можно попробовать починить. Конечно, даже при условии изучения соответствующей технической информации и советов специалистов успешный ремонт не гарантирован, но пробовать стоит однозначно, тем более что в большинстве случаев дело приходится иметь с типовыми поломками. Если что-то не будет получаться, можно почитать руководство по ремонту стиральных машин.
Ремонт стиральной машины с прямым приводом LG
(не ожидал столько посещений страницы с банальным ремонтом на непрофильном сайте.
..приятно..»;-D)) ..причём ссылку на данную страничку дал только один раз)
Вот и перечечатки пошли http://www.elremont.ru/stirm/st_eng/steng_rem116.php
Стиральная машина застучала, завизжала
Сломалась машина… Застучал подшипник… Вернее сначала появился скрип, достаточно резко усиливающийся с каждой последующей стиркой… За пять стирок(четыре недели) на отжиме был уже грохот и визг, от которых хотелось избавится. Как в паспорте написано — гарантия один год, срок службы семь лет… Четырёх месяцев до семи не хватило…
Покачав барабан, заглянув под машину, проверив течи пришёл к выводу, что несмотря на отсутствие видимых дефектов(люфта барабана, отсутствия воды на полу и рядом, сколов) дело в подшипниках, вернее в том подшипнике, что ближе к барабану.
Полез в интернет за расценками на замену подшипников и сальника. Выяснилось, что данная операция одна из самых сложных и дорогих.
Требуется полная разборка машины, начиная с двигателя.
Цены загибались нехилые фирмами с полугодовой гарантией на сделанную работу. Как сказала жена, «лучше добавить ещё половину суммы и купить новую». Начал искать «дядю Васю».
Многие отказывались от ремонта, когда узнавали про прямой привод.
Которые соглашались на ремонт, не хотели приходить в субботу или воскресенье.
Из трёх согласившихся выбрал одного с ценой поменьше, т.е. всего от 4,5 тыр.
Друзья на работе подзуживали: «Придёт дядя с кувалдой и выправит подшипники!» Не верил ! ! ! Позвонил… -«А какой у Вас съёмник для подшипников?» -«Зачем съёмник, есть выколотка. Молоток же у каждого хозяина должен быть свой» Да-а-а… И это без гарантии, то есть только под слово абсолютно незнакомого человека… Его записку в суд не потащишь. Умылся…
Позвонил двум отложенным…
Эффект точно такой же. Да ещё -«Мы всю жизнь ТАК ремонтируем и без работы не сидим».
—***На чужой стиралке не жалко им молотком постучать.
..((((***
Потому и не сидят без работы с таким отношением. имхо.
Я на автомобиле подшипники-то меняю только со съёмником, но там кругом железо.
На стиралке же бак пластиковый с вплавленым тонкостенным стаканом(2мм у подшипника).
Решил делать сам, благо жена сказала -«4,5тыр да ещё столько же и новую купим если что…»
Опыт ремонта автомобилей имелся.
«Вятку-автомат» как конструтор перебирал…
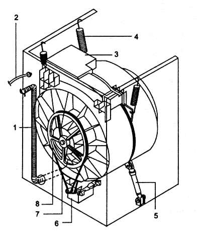
Раскидал машину(крышку, заднюю, лицевую с люком, предварительно сняв уплотнитель с люка), снял ротор двигателя.
Отсоединил провода ТЕНа и статора двигателя(осторожно, защёлки на разъёмах).
Поставил ротор на место без сильной затяжки болта для сохранности статора при вытаскивании барабана. Отсоединил провода панели управления.
Отсоединил резину и амортизаторы. Снял бак с пружин, амортизаторов и вытащил наружу.
Открутил саморезы разъёма бака, располовинил. Снял повторно ротор двигателя, вытащил барабан из подшипников.
Точно! Малый подшипник(от двигателя) в норме! Подшипник от бака закис, что от руки не проворачивался. Сальник выковырял, он сточился до радиуса 1мм в уплотняющей манжете.
Вода попала в подшипник(несмотря на евонную закрытость) и он заржавел. Коррозия была и на вале. Решил подшипники ставить с полиуретановым уплотнением(закрытием), вместо штатных с металлическим закрытием.
Замена подшипников на стиральной машине LG
Заказал съёмники у токаря, болты купил в автозапчастях.
После установки подпятника в малый подшипник опустил болт с упором внутрь стакана, приладил две половинки верха на упор и осторожно прижал верх к верхнему (большому) подшипнику. При заворачивании болта съёмник начал распирать подшипники и малый не выдержал, с треском сдвинулся и начал выходить из постели.
Далее уже к большому подшипнику приладил съёмник(упор и верх), болт через плечики опёр на стакан(д66мм, высота 20мм,толщ.
стенки 1,5мм), поставленный вместо сальника.
После небольшого сопротивления подшипник сдался.
Запчасти для ремонта стиральной машины.
Можно купить оригинальные подшипники в магазинах по ремонту стиральных машин(и холодильников?)(200-300р.). Оригинальные с закрытием металлом. Я предпочёл в магазинах обычных подшипников. закрытые полиуретаном с двух сторон. Сальник же нашёл только в специализированном по ремонту стиралок за 250р.
После прочистки постелей подшипников и промывки бака, нагрел феном стакан под подшипники(~ до 50-60гр.), вставил подшипники на место съёмником за два приёма. Пружину сальника смазал литолом24, не обильно. Рекомендуют и вал литолом смазывать, но бельё жалко стало. Вставил сальник, смазал вал мыльной пастой, вставил барабан и ротор на место, затянул болт.
Резинка уплотнения между половинками бака деформировалась, поэтому вынул, прочистил её и паз, смазал резинку силиконовым герметиком(чуть-чуть), поставил на место.
!! Если уплотняющий резиновый жгут не кольцо(разрезной), то место соединения должно быть вверху бака!
Равномерно растяните для уменьшения зазора между его концами.
Аккуратнее ставьте вторую половину, внимательнее с ТЕНом.
За два приёма через болт затяните саморезы половинок бака. Бак можно ставить на место. Сборка проходит легче, после проверки проводов, разъёмов, крепежа закрываю машину металлом и тащу проверять.
Ремонт стиральной машины LG с прямым приводом окончен. Включение…
Полёт нормальный. После лёгкого скрипа сальника, который быстро проходит после первой стирки с обильным порошком, машина начинает работать как прежде… Две облегчённые стирки на пробу…. Пока всё хорошо.
На коньяк я уверенно заработал! ;-р)))
З.Ы. Ловите три ссылки, надеюсь Вам они помогут, как помогли мне:
правило вызова ремонтника
Ремонт стиральной машины «LG Intellowasher»
Ремонт стиральных машин «LG»
З.
З.Ы. Почти девять месяцев(06.06.11), нареканий нет, жена гоняет раза четыре за неделю..
Ремонт стиральной машины LG с прямым приводом. Дополнение — ответ на письма
23.06.2011..
Посещения странички ремонта LG растут, появились письма с вопросами, счётчик вывесил для контроля..))
Интересный пример от Anna ([email protected])
С разрешения привожу выдержки и фото
(Анна)Меня интересует вопрос как снять ротор, потому что гайка которая его держит не откручивается ни в какую. И как держать ротор неподвижным, чтобы можно было посильнее попробовать открутить? Машине всего 2 года, начала шуметь как самолет.
(Ответ)Гайка вворачивается в вал барабана. Соответственно надо удерживать не ротор, а барабан. И так как барабан большого диаметра, удерживается легко. ЗЫ: У меня ротор легко снялся, но при затруднении лучше воспользоваться съёмником..
(Анна)А там резьба правая или левая? А то может мы крутим не туда))) Но все же даже удерживая барабан гайка не хочет выходить никак
(Ответ)Стандартно — правая!
Если резьба левая, то на гранях(рёбрах граней) болтов и гаек должна быть риска!
Берётся накидной ключ(звёздочка), его длина порядка 29-25см и удобно давить ладонью на конец ключа.
..
Помошник держит барабан(передняя панель снята?), второй человек давит на ключ против часовой стрелки…
(Анна)Вот только не подскажете еще как вы данную конструкцию разобрали, если вас не затруднит, а то мы неопытные:) Но раз уж начали, хотели бы довести дело до конца.
(Ответ)Теперь о снятии барабана из подшипников. Кстати — резьба была правая? Заворачиваете болт через шайбу(втулку) подходящего диаметра(без люфтов) до упора. Переворачиваете конструкцию болтом кверху(барабан внизу). Пробрызгиваете ВД-шкой вал и подшипник, выдерживаете минут 20(если ВД-шка испарилась — повторить) Помощник держит бак на коленях и руками(4 точки), через медную или алюминиевую(не дюраль!) проставку молотком наносятся легкие короткие(не переусердствуйте) удары по головке болта вдоль его оси. Ось должна сдвинуться. Продолжаете до победы! Не помнИте болт и резьбу! В самом конце возможно придётся приоткрутить болт… Где-то так
(Анна)Получилось!
Открыли конструкцию и вот что обнаружили(см фото 1).
Подшипники целые. А источник нашего шума указываю красными стрелочками на других фото. Вот терлись друг об друга Эти части. Заменим прокладку(или как там она называется), попробуем собрать машину)).
Резьба была правая. Фото любые используйте наздоровье.
(Ответ)Да, сальник у Вас здорово побило. Видимо накипь-жёсткая вода… Подшипники точно целые? Без заеданий, люфтов, шума? Иначе вскоре повторится..(( Аккуратнее при сборке с сальником и ТЭНом.
Дополнительно по кодам ошибок
код при включении CL , который не убирается при выключении и ни одна кнопка не работает…, даже кнопка включения-выключения
Просто забыли выключить ..» РЕЖИМ ЗАЩИТЫ ОТ ДЕТЕЙ «
Надо нажать две кнопки на 4-5 сек
Этот режим не убирается сам собой даже при длительном выключении машины..((
Дополнительно по письмам
Произведённый ремонт не только далёк от моей профессии, но и является единственным на данной машине.
До этой из стиральных ремонтировал только «Вятку», правда не один раз »;-D)) , пока не заменил почти все внутренности.. >8-D))
Хоть я и имею техническое образование, знаком с электротехникой и слесарными работами, всё же определять неисправности по очень краткому описанию не умею, желательны подробные фотографии
Соответственно я не занимаюсь рассылкой запчастей и их поиском.
Но.
В разумных пределах при наличии свободного времени, постараюсь ответить на все вопросы, разумеется что в моих силах.
Обратно … Главная … написать..
Ремонт и обслуживание стиральной машины Элджи своими руками
Агрегаты от корейского производителя пользуются большой популярностью у хозяек. Однако и вопрос о ремонте стиральной машины LG задается достаточно часто, особенно, когда его хотят произвести своими руками. Хотя устройства от этого производителя с многолетней историей работы на рынке характеризуются хорошим соотношением цены и качества, схема стиральной машины LG, особенно с прямым приводом, имеет несколько откровенно слабых мест.
Об общих показателях надежности
Корпорация LG дает на свои изделия хорошую гарантию. Не будем останавливаться на спорных моментах, таких как ограниченные условия, когда бесплатный ремонт производится только в течение короткого интервала времени, а поломка ликвидируется при условии оплаты запчастей. Стиральная машина LG, однако, имеет ряд традиционных слабых и сильных черт. К достоинствам относится:
- Надежный двигатель, который прослужит гораздо дольше всех остальных узлов.
- Защита электроники от влажности путем заливки компаундом.
- Прочные и износостойкие приводные ремни, которые почти не растягиваются.
- Общая стойкость электронных компонентов к броскам напряжения, помехам, отсутствию заземления.
Двигатель стиральной машины Lg
По усредненной оценке специалистов по ремонту, стиральный автомат LG реже других брендов встречается в заявках в течение гарантийного срока. Однако ее слабые места могут вызвать весьма серьезные поломки.
К ним относятся:
- Опасные протечки. Выход из строя сальника, например, может вызвать короткие замыкания, способные сжечь двигатель или электронику.
- Подшипники с точно подогнанным сроком эксплуатации. В течение гарантийного периода не возникают неполадки, но чем дольше машина работает, тем выше вероятность выхода из строя системы привода.
- Слабая часть модулей управления – центральный чип процессора, протечки и другие неисправности электрики часто вызывают полный отказ системы.
- Технологические отверстия не допускают длительную эксплуатацию машины при появлении различных неисправностей.
Подшипники стиральной машины Lg
Еще одна распространенная неполадка, которую отмечают как сервисные инженеры, так и частные мастера по ремонту – крайняя чувствительность ТЭНов к плохой воде. Они выходят из строя чаще, чем агрегаты других изготовителей.
Коды ошибок
Сигналы от электроники, которые отображают стиралки с цифровым дисплеем, часто позволяют понять, имеет ли смысл делать ремонт своими руками или эффективнее позвать на помощь сервисный центр.
К распространенным кодам стиральных машин LG относятся:
- IE — отсутствует поступление воды при заливе. Проблему могут вызывать как неполадки клапанной системы, так и перекрытый кран подачи.
- PE — бак не набрался за нормированное время, такой сигнал модулей управления может свидетельствовать либо о недостаточном давлении воды, либо и о неполадках реле.
- DE — неисправности замка двери могут вызываться либо неплотным закрыванием, либо наличием механических загрязнений в механизме, которые и блокируют датчик.
Полный список ошибок можно найти в инструкции по эксплуатации. Там же приводятся простые причинно-следственные связи, которые помогают провести максимально простой ремонт. К примеру, сигнал UE говорит, что белье неравномерно распределено по барабану, и его следует переложить, а при индикации CE следует удалить часть вещей – двигатель испытывает чрезмерные нагрузки.
Некоторые коды неисправности прямо говорят, что следует провести обслуживание или произвести замену узла. К примеру:
- HE — вышел из строя нагреватель.
- ОЕ — отсутствует или недостаточен слив воды, следует прочистить фильтры и проверить работоспособность насоса.
- TE — неправильный температурный режим, в 90% случаев это говорит о выходе из строя ТЭНа.
Есть и крайне опасные сигналы модуля стиральной машины LG, не являющиеся критическими. К примеру, E1 свидетельствует о срабатывании датчика присутствия воды в поддоне, что говорит о повреждении бака, выходе из строя сальника, прорыве сливного шланга. Как говорилось выше, протечки в машинах LG опасны и могут вызывать крайне негативные последствия.
Коды ошибок стиральной машины Lg
Описание некоторых операций
Ремонт большинства стиральных машин Лджи (Элджи) может производиться без особого труда, при должной аккуратности и внимательности.
К примеру:
- Замена ТЭНа. Для доступа к нему требуется демонтировать заднюю стенку, выкрутив несколько саморезов. Нагреватель находится в нижней области бака. Наружу выступают контакты. Замерив напряжение между ними, можно определить состояние элемента: если меньше 20 Ом – ТЭН нужно менять. Для этого достаточно удалить крепежный винт, поддеть элемент и удалить его вместе с герметизирующей прокладкой. Дальнейший ремонт стиральной машины LG заключается в установке нового нагревателя и обратной сборке.
- Если сигналы, которые выдает электроника машинки на дисплее, говорят об обрыве цепи или отказах датчиков, следует первым делом проверить проводку. Она оценивается визуально, отслеживается отсутствие заломов, обрывов, отсоединений. В случае наличия окислов на контактных группах нужно все вычистить.
- Протечки опасны, их последствия непредсказуемы. Прокладки и сальники должны проверяться при любом аварийном сигнале электроники, а также при повышенном износе подшипников.
В последнем случае рационально вызывать квалифицированную помощь, поскольку разборка устройства может быть сложной, особенно, если проводится ремонт стиральной машины марки LG с прямым приводом. Эти модели особенно подвержены действию замыканий – электроника сложнее, двигатель имеет частотную регулировку. - Ремонт дверцы. Здесь проблемы возникают редко и имеют только механический характер, связанный с наличием загрязнений или мыльных осадков. Дверцы стиральной машины снабжены датчиком фиксации, который редко выходит из строя. Для ликвидации неполадок замок достаточно почистить и смазать.
- Можно починить своими руками датчик давления подачи воды и насос удаления жидкости. Для доступа к первому потребуется удалить шланг подвода, проверить фильтр, почистить. Если не помогло, придется снять верхнюю крышку машины, отсоединить клапан целиком, проверить его резинки, при необходимости – заменить узел. Доступ к насосу слива – снизу, стиральную машину зачастую достаточно просто наклонить.
Сняв переднюю панель, можно демонтировать неисправный насос, открутив пару крепежных болтов.
Устройство стиральной машины производства LG специально разработано для простого и легкого доступа к большинству узлов. Однако при ремонте следует помнить: в любой момент может потечь вода, поэтому агрегат следует отключать от сети, подставлять тазики, подкладывать ткань для впитывания.
Единственное, где легкого пути не предусмотрено – доступ к модулю электроники. Эту работу лучше поручить специалисту. Плата залита компаундом, он удаляется с определенного направления, иногда нужно снимать и разбирать по частям переднюю панель. Поэтому, чтобы сделать все аккуратно, диагностировать и отремонтировать систему управления, необходим опыт и набор специальных инструментов.
Диагностика поломок и ремонт своими руками стиральной машины LG
Диагностика неисправностей стиральной машины LG
Прежде чем бежать в ближайшую мастерскую, надо обратить внимание на течь воды из-под разных узлов стиральной машины, она может идти откуда угодно. К примеру из-под тэна, клапана или блока подшипников. Это настоящий бич, для этого бренда, даже когда малое количество воды попадает на клеммы двигателя, это может вызвать неправильную работу модуля управления. Конечно вода не самый главный фактор, который влияет на работу стиральной машины Эл Джи, но о нём надо подробно рассказать. Тут надо добавить следующие, блок управления этой стиралки, сделан очень качественно и практически никогда не ломается, бывает выходят из строя реле тэна, бывают залипает реле двигателя, иногда выходит из строя симистр управляющий клапанами, но эти неисправности никак не связаны с рывками или приклеиванием двигателя. Дальше мы рассмотрим один из, пожалуй самых распространенных случаев, из моей практики.
В общем на примере этой переписки, я укажу, что именно вам надо проверять в первую очередь
Привет всем простым посетителям канала и Гуру в вопросе ремонта стиральных машин LG, у меня появилась проблема с моей стиралкой, её начало трусить как заразу, причём не только на отжиме, но и на некоторых режимах стирки, такое ощущение, что клинит двигатель. По совету ближайших друзей и одного из местных мастеров, я снял барабан и поменял на нём подшипники вместе с сальником. Всё стало хорошо, но только несколько месяцев, мотор опять начал работать рывками. Я попробовал прокрутить барабан в одну и в другую сторону. В одну сторону он крутится нормально, а если резко крутануть его в другую сторону, то барабан подкусывает, как раз в ту сторону на которую идёт отжим. Сделал вывод что фиговые подшипники поставил, пошёл купил новые и новый сальник, всё хорошее итальянское. Затратил 1 день на замену этих деталей, после установки подшипников и сальника, проверил вращения барабана вместе с мотором, вроде бы всё было о’кей.
Включил машинку, стирку прошла просто замечательно, даже промежуточный отжим прошла на ура, но потом опять началась болтанка. Отключил стиральную машину от розетки, попробовал прокрутить барабан, та же история — в одну сторону нормально в другую приклинивает. Теперь сижу и думаю, как исправить подобную поломку, наверняка что-то случилось с модулем управления, я так думаю что перегревается какая-то запчасть, может кто-то встречался с подобной неисправностью и может что-то посоветовать?
У вас проблема от незнания. На Эл джи, в некоторых моделях, действительно как бы приклинивает двигатель в одну сторону, снимите провод с одной щётки и подкусывание уйдёт. На стиральных машинах LG с прямым приводом, вполне возможна такая же проблема, дело в том что так устроен модуль управления в этих стиралках, то есть в нём нет защиты от обратного тока, поэтому когда крутите барабан, вполне возможно могут загореться индикаторы на панели управления. Проблема может быть в том, что вы не правильно поставили подшипники + сальник и в следствии чего из технологического отверстия, из под шкива (есть там очень маленькое отверстие) идёт вода и попадает на провода мотора, результатом такого КЗ может быть подкусывание двигателя.
Снимите заднюю крышку и во время стирки посмотрите, есть ли течь воды из под шкива. Просто многие не обращают внимания, когда устанавливают сальник, на маленькое технологическое отверстие в посадочном месте сальника. Это отверстия создано для отвода воды из блока подшипников и оно выходит как раз под шкив
Мотор подклинивает, потому что так должно быть? а болтанка из за чего? может подшипники не той стороной поставил?
Подшипники без разницы какой стороной ставили, единственное что, от неопытности могли внутренний подшипник запрессовать косо, а вот сальник надо смотреть, он может пропускать воду в технологическое отверстие для отвода воды от подшипников. Болтанку надо смотреть, вполне возможно машинка не правильно выставлена, амортизатор открутился или ещё чего, короче проверять всё. В первую очередь проверьте нет ли течи воды на клемму мотора, так же посмотрите не течёт ли из под тэна. Ещё одной причиной может быть, люфт на посадочном месте подшипника, вал на котором сидит подшипник – прослаблен, лечится это кернением или применяется, что то типа гальваники.
Ниже посмотрите видео, в котором указывается на одну из причин. В данном ролике из под клапана течет вода и попадает на всё что можно, в результате машинка не работает
Смотреть видео, почему стиральная машина LG не достирывает до конца стирки
Если вода будет попадать на клеммы двигателя, то вполне возможно машинку будет трусить, так как мотор будет работать рывками. Не надо умничать и смотрите то что вам сказали
Течи воды на клеммы нет и из под тэна нет, только за шкивом в отверстии есть небольшие потеки я так и не понял должны ли они быть или нет? Подшипники запрессовал нормально не косо, сальник поставил пружиной к подшипнику а не в сторону бака, на заводском 10-ти летнем сальнике пружина даже не поржавела и не было потеков воды, а тут вдруг появились ( с этого отверстия как исправить? Амортизаторы нормальные все проверял, грузы тоже смотрел все затянуто, уже 2 раза смотрел и по уровню ставил, ну хоть успокоили на счет движка, что это нормально, хоть одна хорошая новость.
При замене подшипников вал не был ржавый, он в хорошем состоянии нет коррозии, раковин и прочего. Подшипники сели на вал с небольшим натягом и так же старые снял, думаю это нормально? Высылаю картинку, на которой видно что-то типа течи воды из-под блока подшипников
Течь воды из технологического отверстия блока подшипников
Это блин не потёк — это ручей, если я это на фото вижу, то представляю, как оно лило при стирке. На фото ниже вы можете посмотреть, каким образом вода добирается до клемм двигателя, обратите внимание на красную стрелку. Думаю в вашем случае уже всё понятно
Каким образом добирается вода до клемм двигателя
Суть поломки заключается в том, что при стирке, вода с этого отверстия просто стекает вниз, ну и понятно на провода идущие к мотору, но в тот момент покуда стиральная машина просто стирает, эти капли воды просто весят на проводах не причиняя не какого вреда машинке. Как только машина переходит на отжим, вибрация начинает увеличиваться и эти капли начинают разлетаться в разные стороны в том числе и на клемму мотора.
Смотреть видео как правильно заменить подшипник и сальник своими руками на стиральной машине
Обращаю ваше внимание, что при замене подшипника на стиральной машине LG, многие делают грубейшие ошибки, связанные с установкой сальника. Дальше я перечислю эти ошибки
- Сальник надо устанавливать не того размера который был, то есть его надо подобрать так, чтобы рабочие место сальника не попадало на выработку, которая осталась на втулке
- Сальник не должен болтаться в посадочном месте, если вы видите что он легко туда заходит и выходит, то надо садить его, либо на клей, либо на какой-то герметик, который хорошо прилипает к пластику
- Смазку для сальника надо применять, только предназначенную для стиральных машин.
Ни в коем случае не пользуйтесь солидолом, графитной смазкой, литолом и другими мазями не предназначенными для этих целей - Помните если сальник будет пропускать воду, подшипники проходят не так уж долго, кроме того на мотор пойдёт вода, а это чревато замыканием проводки, в результате может выйти из строя модуль управления
В общем совет такой. Включайте стиральную машину и наблюдайте, за течью. Особенно во время залива воды и отжима. Если всё как я предположил, то разбирайте, меняйте подшипники, сальник и обратите внимание на то отверстие, из за которого идёт течь, оно находится под сальником. Сальник надо будет садить на герметик или клей, но чтоб был водостойкий и выдерживал температуру +120, не в коем случаи на силикон не садите. Если посадить на силикон, сальник вылезет. Ещё, продерите посадочное место сальника, драчёвой наждачкой, просто что бы была шершавость, это для того что бы герметик схватился к поверхности бака, просто чтоб полосы были, но диаметр не нарушился.
Вполне возможно сальник не того качества, но в стиральных машинах Эл Джи, при замене подшипников и сальника, практически всегда возникает такая проблема с сальником, даже брал чистые Эл джи сальники, всё равно не так плотно садятся как мне хотелось бы. Подшипники на вал должны налазить свободно, они там как бы в скользящем режиме работают. Думаю я подробно всё вам рассказал
Стиральные машины марки LG, одни из самых популярных на территории России, и не удивительно при этом, что неисправности, этих стиральных машин, так часто беспокоят умы и руки пользователей глобальной паутины. Разберём по порядку основы и особенности конструкции стиральных машин данной марки, наиболее часто встречающиеся неисправности и дефекты, коды ошибок указывающие на неисправность, способы устранения этих неисправностей и запчасти применяемые при ремонте Особенности конструкции стиральных машин LG Казалось бы, что особенного может быть в конструкции стиральной машины автомат, это ведь не самолёт и не корабль, а обычная бытовая техника. .. Давайте разберёмся.Стиральные машины марки LG выпускаются в двух конструктивных исполнениях, с отличиями в типе привода барабана:
1. Основные неисправности стиральных машин LG 1.1 Стиральная машина LG не включается.
1.2 Стиральная машина LG не блокирует дверь, при постукивании бывает что сработает.
1.
1.4 Стиральная машина LG не крутит, не вращает барабан. Такая неисправность характерна главным образом для СМ LG с ременной передачей, и чаще всего вызвана:
1.5 В стиральной машине LG слышен писк, барабан дёргается но не крутится. Такая неисправность встречается главным образом на СМ с прямым приводом и может быть вызвана несколькими поломками.
1.6 Барабан стиральной машины LG крутит рывками, как дрель с перфорацией, не отжимает. На данный момент известна только одна причина такого дефекта — неисправность конденсатора фильтра, в цепи семистора управления приводным мотором. 1.7 Стиральная машина LG не греет воду. Распространённая неисправность, причин возникновения которой достаточно много:
1.8 Стиральная машина LG не сливает воду. Очень часто возникающая неисправность, появляется как следствие естественного износа деталей стиральной машины, так и следствие нарушений правил эксплуатации изделий.
1.9 Стиральная машина LG переливает, набирает много воды, вода льётся через край. Вызвано такое поведение стиральной машины, может быть несколькими причинами:
1.10 Стиральная машина LG не отжимает бельё. Может даже не выполнять предварительный отжим.
1.11 Стиральная машина LG долго стирает, не заканчивает стирку. Так стиральные машины LG ведут себя в нескольких случаях:
1.12 Стиральная машина LG мигает, отображает какие то цифры, код ошибки. Стиральные машины марки LG, обладают развитой системой самодиагностики, и содержат большое количество различных кодов ошибок, разнящиеся от модели к модели. Но есть две глобальные группы этих ошибок:
Часть 2 ->
|
Ремонт стиральных машин LG на дому в Москве
Ремонт стиральных машин LG на дому в МосквеМы работаем по Москве и Московской области
Позвоните нам
На протяжении многих лет стиральные машины LG пользуются стабильно высоким спросом.
Связано это с отличными функциональными характеристиками и долговечностью техники. Они оснащены инверторным мотором с прямым приводом, который обеспечивает надежность и долговечность работы всех систем. Но, несмотря на высокое качество оборудования, оно может прийти в негодность. Чаще всего затруднения при ремонте вызывает стиральная техника LG с прямым приводом, так как в ней отсутствует приводной ремень от двигателя к барабану. В машинах этой марки используется механизм, отвечающий за прямое соединение.
Ремонт стиральных машин LG стоит доверить профессионалам, так как любое неквалифицированное вмешательство может привести к серьезным последствиям. Чаще всего ремонт своими руками заканчивается окончательной поломкой оборудования. Поэтому если Ваша машинка начала работать некорректно, то, в первую очередь, нужно вызвать специалиста.
Самые частые виды поломок и их причины
На практике нашей компании «Добрые руки» было множество случаев ремонта типичных неисправностей стиральной машины, когда она не греет или не сливает воду, искрит и бьет током.
Определить причину поломки можно только с помощью диагностики, которая проводится с использованием специального оборудования и набора инструментов.
Стиральная машина популярного бренда LG ломается по ряду причин, в том числе:
неаккуратное использование;
естественный износ деталей;
некачественная сборка;
попадание в барабан посторонних предметов;
слишком жесткая вода и пенообразующий порошок;
проблемы с напряжением электросети;
неправильная установка;
долголетняя интенсивная эксплуатация.
Чаще всего в нашу компанию обращаются владельцы стиральной машины LG WD с ремонтом и заменой ТЭНа, насоса-помпы и подшипников.
Преимущества нашей компании
- Опытные профессиональные мастера
- Быстрая и удобная заявка. Оставьте ваши данные, мы перезвоним, уточним модель машинки и тип поломки, выберем время и назовем предварительную цену
- Необходимое оборудование и собственный склад оригинальных запчастей
- Фиксированный прайс
- Гарантия до двух лет на нашу работу
- Сервисный центр «Добрые руки» специализируется на ремонте стиральных машин LG в Москве.

Ремонт стиральных машин LG на дому – это не только удобно, но и выгодно. Обращаясь в «Добрые руки», вы защищаете себя от лишних хлопот и финансовых затрат. Вам не нужно нанимать спецтехнику для транспортировки сломавшейся машинки до сервисного центра.
Срочный ремонт стиральных машин (Частный мастер) в Саратове | Услуги
РЕМОНТ СТИРАЛЬНЫХ МАШИН от частного мастера
✋ Здравствуйте!
Я частный мастер по ремонту стиральных машин!
Ремонт произвожу на дому с использованием качественных комплектующих, в большинстве случаев неисправность устраняется за один визит.
Работаю без посредников, поэтому цены ниже чем у остальных.
Неисправности выявляются и устраняются, за короткий срок и приемлемую плату.
Выезд и диaгнocтикa производится бесплатно (в случае ремонта).
Качественный ремонт по доступной цене!
☎️ Звоните или пишите 24/7, без выходных и праздников!
ЧАСТЬ УСЛУГ:
💥 Исправление ошибок предыдущих мастеров по ремонту стиральных машин
💥 Замена или ремонт двигателя стиральной машины
💥 Замена щеток двигателя стиральной машины
💥 Чистка слива, фильтра стиральной машины
💥 Замена манжеты люка стиральной машины
💥 Извлечение постороннего предмета из стиральной машины
💥 Сброс ошибки стиральной машины
💥 Замена бака стиральной машины
💥 Разблокировка люка стиральной машины
💥 Замена приводного ремня стиральной машины
💥 Замена ТЭНа стиральной машины
💥 Прошивка, пайка модуля, платы, блока управления стиральной машины
💥Замена сливного насоса стиральной машины
💥 Замена заливного клапана стиральной машины
💥 Капитальный, мелкий ремонт стиральной машины
💥 Замена комплектующих стиральной машины
💥 Расточка вала, замена подшипников стиральной машины
💥 Устранение течи стиральной машины
💥 Замена ручки люка стиральной машины
⚠️ Уважаемые посредники, которые хотят получать процент с работы — не звоните пожалуйста, не интересно.
Волжский район
Ленинский район
Кировский район
Заводской район
Фрунзенский район
Октябрьский район
Ремонтирую стиральные машины любых годов и марок!
Ремонт стиральных машин, замена подшипников, замка, кнопки, крышки, манжеты, модуля,мотора, насоса, панели, плат, подшипник барабана, помпы,, течет, тэна, тена, убл, шланга, электродвигателей,электроника автомат, автоматических, вертикальной, гарантийный, лен ремонт, мастерские, неисправностей,обслуживание, по гарантии, с вертикальной загрузкой с верхней загрузкой, с прямым приводом, служба ремонта стиральных машин, частный мастер по ремонту стиральных машин. стоимость,не сливает воду, уходит вода, выезд, вызов мастера, выездной, вызов мастера, своими руками, техник по ремонту стиральных машин, ремонт стиралок, ремонт бытовой техники, частный мастер по. частник ремонт стиральных машинок, ремонт модулей стиральных машин машинок ремонт стиральных машин на дому.Ремонт стиральных машин zanussi замена подшипников, замка, кнопки, крышки, манжеты, модуля, мотора, насоса, панели,плат, подшипник барабана, помпы,, течет, тэна, тена, убл, шланга, электродвигателей, электроника автомат, автоматических, вертикальной,гарантийный, лен ремонт, мастерские, неисправностей, обслуживание, по гарантии, с вертикальной загрузкой с верхней загрузкой, с прямым приводом,служба ремонта стиральных машин, частный мастер на дому.
стоимость, не сливает воду, уходит вода, выезд,вызов мастера, выездной, вызов мастера, своими рукамиРемонт стиральных машин, замена подшипников, замка, кнопки, крышки, манжеты, модуля,мотора, насоса, панели, плат, подшипник барабана, помпы,, течет, тэна, тена, убл, шланга, электродвигателей,электроника автомат, автоматических, вертикальной, гарантийный, лен ремонт, мастерские, неисправностей,обслуживание, по гарантии, с вертикальной загрузкой с верхней загрузкой, с прямым приводом, служба ремонта стиральных машин, частный мастер по ремонту стиральных машин. стоимость,не сливает воду, уходит вода, выезд, вызов мастера, выездной, вызов мастера, своими руками, техник по ремонту стиральных машин, ремонт стиралок, ремонт бытовой техники, частный мастер по. частник ремонт стиральных машинок, ремонт модулей стиральных машин машинок ремонт стиральных машин на дому.Ремонт стиральных машин zanussi замена подшипников, замка, кнопки, крышки, манжеты, модуля, мотора, насоса, панели,плат, подшипник барабана, помпы,, течет, тэна, тена, убл, шланга, электродвигателей, электроника автомат, автоматических, вертикальной,гарантийный, лен ремонт, мастерские, неисправностей, обслуживание, по гарантии, с вертикальной загрузкой с верхней загрузкой, с прямым приводом,служба ремонта стиральных машин, частный мастер на дому.
стоимость, не сливает воду, уходит вода, выезд,вызов мастера, выездной, вызов мастера, своими руками
Порядок доступа к шайбе с прямым приводом
- Проверить или заменить выключатель крышки
- Снимите шкаф
- Заменить шкаф
- Заменить или отремонтировать насос
- Заменить или проверить муфту двигателя
- Заменить или проверить двигатель
- Удалить внутреннюю корзину
- Замена выключателя двигателя
- Слайд-шоу «Как получить доступ» к шкафу на шайбе с прямым приводом
НОВЫЙ! Металлические рукава для дополнительной прочности.Приводной двигатель к муфте трансмиссии, заменяет все предыдущие стили и версии
Руководство по ремонту стиральных машин Whirlpool — Kitchen Aid — Kenmore — Roper — Estate
Inglis, Whirlpool, Kenmore Шайбы с прямым приводом — Как разобрать:
Сначала отключите питание 1.
Снимите шкаф.
Теперь есть 4 способа поднять консоль стиральной машины Whirlpool с прямым приводом. Открылись винты, спрятанные под пластиковую заглушку, винты, винты за консолью и теперь…. без винтов (см. рис. ниже). В более новой (последние несколько лет) версии есть нажимной зажим, который необходимо отпустить, прежде чем консоль можно будет потянуть вперед, а затем вверх. Прямой привод в стиле WLP Kenmore, более новая версия. Переключатель крышки теперь находится под консолью этой новой версии. Консоль имеет два зажима между консолью и верхней панелью. Нужен шпатель или что-то в этом роде, чтобы нажать, чтобы освободить зажимы, чтобы поднять консоль для доступа к переключателю.
Нажмите на изображение для увеличения
Клипы находятся под номером 8 на картинке, щелкните картинку, чтобы увеличить.После того, как консоль будет выпущена, выполните ту же процедуру по снятию шкафа, что и в более старых версиях.
Это первая процедура ремонта на машине такого типа.
Вы должны уметь разбирать и собирать шайбу, чтобы выполнить ремонт. Для начала открутите 2 винта на консоли управления. Рисунок. Некоторые винты теперь спрятаны за пластиковыми крышками. Рисунок. На некоторых шайбах нового типа консольные винты теперь находятся на задней стороне консоли. Рисунок. Потяните консоль вперед и вверх, и вы сможете открыть ее и повесить на петлях.Используя отвертку с плоским лезвием, снимите два латунных зажима, которые удерживают корпус сзади шайбы. Рисунок. Отсоедините провода, ведущие к переключателю крышки. Рисунок. Потяните шкаф на себя и наклоните. Он отсоединится от основания стиральной машины и полностью оторвется. Рисунок. Теперь вы можете отремонтировать любой компонент стиральной машины.
Сначала отключите питание 2. Замените шкаф.
Посмотрите на основание шайбы по бокам.Вы увидите два выступа или металлических выступа, которые сопрягаются с прорезями в нижней части корпуса. В нижней части корпуса имеется выступ, который проходит под нижней рамой стиральной машины.
Рисунок. Поместите выступ под основание, опустите корпус, чтобы он сопрягался с выступами на основании. Выровняйте спинку к шкафу и замените латунные зажимы, которые удерживают заднюю часть шайбы на шкафу. Вставьте выключатель крышки обратно. Установите консоль на место и установите винты, удерживающие консоль.
Сначала отключите питание 3.Проверьте или замените переключатель крышки.
Отключите стиральную машину. Проверьте привод на крышке, который приводит в действие переключатель крышки, на предмет поломки. Откройте консоль стиральной машины. После удаления винтов консоль поднимется и откинется назад. Отсоедините штекер, идущий от переключателя крышки. Рисунок. Проверьте выключатель крышки [крышка закрыта] с помощью омметра от разъема провода, ведущего к выключателю. Если обрыва нет, замените выключатель крышки. Чтобы заменить выключатель, вам нужно будет снять шкаф.Есть только пара винтов, удерживающих узел переключателя крышки и соединение провода заземления к шкафу.
Соберите шайбу и проверьте работу.
Отключите шайбу, снимите два консольных винта и откиньте консоль назад, снимите зажимы шкафа, разблокируйте блок переключателей крышки и затем снимите шкаф. Отверните винты крепления переключателя крышки, отсоедините провод заземления и снимите блок переключателя крышки. Сравните старый переключатель с новым. Если пластиковая втулка нового переключателя длиннее, отломитесь по отметке.Перед укорачиванием рукава частично вытяните проволоку из рукава. Если гильзу пришлось укоротить, провода необходимо закрутить в петлю, чтобы принять лишнюю проволоку. Используйте прилагаемую проволочную стяжку из нового комплекта. Установите новый переключатель в сборе. Новые фотографии переключателя крышки здесь.
Сначала отключите питание 4. Обслуживание насоса.
Для обслуживания насоса снимите шкаф. Насос расположен на конце вала двигателя. Снимите 2 зажима, удерживающих насос на двигателе, подденьте зажимы плоской отверткой.
Изображение Поместите под насос емкость для сбора воды и снимите зажимы со шлангов. Сливной насос обычно снимается с вала электродвигателя и вытягивает насос прямо на вас. Иногда насос «примерзает» к валу двигателя, так как вал двигателя может ржаветь. Возможно, вам придется сломать старый насос с вала двигателя, если он наледен на валу, большая прямая отвертка и молоток могут сделать это. Я обычно открываю насос с помощью плоской отвертки, соблюдайте осторожность при ударе молотка по отвертке, чтобы не проткнуть отвертку насос и не повредить двигатель.Если вал двигателя заржавел, необходимо отшлифовать и очистить вал перед установкой нового насоса. Поменять шланги на новый насос. Совместите вал двигателя с прорезью рабочего колеса на насосе и наденьте новый насос на вал двигателя. Замените зажимы для большого пальца и Замените корпус. Проверьте свой ремонт.
Совместите пазы на валу двигателя и по центру насоса. Рисунок.
Сначала отключите питание 5. Муфта двигателя.
6. Замена мотора.
Замена мотора и трансмиссионной муфты — это обычный ремонт шайбы этого типа.Начните со снятия шкафа. Снимите насос с вала двигателя, в этом нет необходимости, если просто заменили муфту двигателя. Вы можете сместить двигатель и насос в сторону. Если вы заменяете двигатель = насос должен оторваться. Отсоединять шланги необязательно. При необходимости, снимите насос с вала двигателя. Отсоедините жгут проводов двигателя. Рисунок. Отвинтите два винта для листового металла 5/16, которыми крепежные зажимы крепятся к двигателю. Освободите зажимы и снимите двигатель с коробки передач.Вы достигли точки, в которой можно заменить три детали муфты двигателя. Рисунок. Рисунок. Рисунок. Посмотрите на старые детали, чтобы увидеть, как собрать новые. Вот изображение, указывающее на них. Изображение Поместите одну из двух новых белых муфт на вал трансмиссии зубьями в сторону двигателя. Используйте гнездо 1/2 дюйма в качестве пресса, поместите его над центром муфты и слегка постучите им по валу, стараясь не повредить три маленьких выступа.
Наденьте черную резиновую муфту на выступы на муфте. установлены.Теперь наденьте другую муфту на задний вал двигателя зубцами, обращенными назад к трансмиссии. Теперь двигатель можно переустановить; выровняйте три штыря с оставшимися отверстиями в штуцере. В этом можно помочь, слегка повернув вал двигателя, удерживая его над муфтой. Также помните, что четыре резиновых колпачка на креплении двигателя должны совпадать с четырьмя выемками на раме. Как только муфта зацепится, прикрепите к двигателю зажимы и винты. Подсоедините провода, установите насос, и все готово.Зацепите зажимы с большим пальцем, замените два винта. Снова установите насос на вал двигателя и зацепите зажимы. Замените шкаф и проверьте ваш ремонт.
Если вам нужна дополнительная помощь с двигателем, перейдите на эту страницу.
Сначала отключите питание 7. Снимите корзину.
Чтобы снять внутреннюю корзину, вам понадобится гаечный ключ, чтобы снять внутреннюю корзину, снять мешалку, снять крышку бака, снять гайку и поднять внутреннюю корзину.
Возможно, вам удастся обойтись без отвертки и молотка.Когда гайка ванны откручена, ванна иногда примерзает к центральной ступице. Если ванна не поднимается, иногда вставьте одну ногу внутрь ванны и топните вниз, чтобы ее освободить. Два человека, по одному с каждой стороны, также могут поднимать и толкать одновременно, также могут вырвать внутреннюю корзину.
Сначала отключите питание. Отключите шайбу, снимите шкаф, снимите насос, отсоедините жгут двигателя.
См. Рис. 1. Отсоедините 2 клеммы (только для 3-скоростных двигателей).снимите пусковой выключатель двигателя. См. Рис. 1. Снимите пусковой выключатель, удалив крепежный винт, см. Рис. 1. Установите новый переключатель, используя оригинальный монтажный винт. Рычаг переключателя должен находиться на верхней части втулки привода внутри двигателя. См. Рис. 2. Подключите провода двигателя к пусковому выключателю. См. Рис. 3. Подсоедините разъемы жгута проводов (только 3 скорости). Подсоедините жгут двигателя.
Установить насос, установить шкаф. Вставьте шайбу и проверьте.
Запчасти для стиральной машины Whirlpool
Как отремонтировать стиральную машину
Стиральные машины являются неотъемлемой частью каждого дома, и очень важно всегда иметь функциональную стиральную машину.Если у вас есть дети, вы знаете, что ваша стиральная машина выполняет хотя бы одну загрузку белья (если не две или три) каждый день. Если ваша стиральная машина остановится, ремонт стоит как минимум 150 долларов (потому что это цена самого простого ремонта), и стопка белья становится все больше с каждым днем ожидания, когда кто-то придет ее починить. В этой статье мы покажем вам, как отремонтировать самое обычное на стиральной машине с прямым приводом.
Прежде чем мы продолжим объяснение ремонта, мы сначала рассмотрим основы.Практически всем известно, что есть два типа машин, когда речь идет о положении загрузочной дверцы: стиральные машины с верхней загрузкой и стиральные машины с фронтальной загрузкой.
Машины с верхней загрузкой популярны в США, в то время как в Европе большую часть рынка занимают фронтальные погрузчики. Кроме того, в стиральных машинах есть два основных типа трансмиссии: ременная передача и прямой привод. Разница в том, что при прямом приводе барабан напрямую приводится в движение двигателем, а в машинах с ленточной системой резиновый ремень передает мощность двигателя на барабан.
По нашему мнению, система с прямым приводом является гораздо лучшим решением, поскольку в ней меньше шума и вибрации, чем с ременной системой. По этой причине большинство новых стиральных машин имеют систему прямого привода, и поэтому мы покажем вам, как устранить наиболее распространенную проблему со стиральными машинами с прямым приводом — муфту двигателя. Муфта двигателя состоит из двух пластиковых фланцев и одной гибкой резиновой муфты. Чаще всего встречается сломанный фланец, но муфты идут в комплекте по цене менее 10 долларов за комплект, и лучше заменить весь комплект.
На видео ниже вы увидите, как разобрать стиральную машину с верхней загрузкой с прямым приводом и как заменить муфту двигателя. Если у вас стиральная машина с фронтальной загрузкой и прямым приводом, система такая же, только мотор находится на задней стороне.
Необходимые инструменты:
1. запасной [easyazon_link identifier = ”B00MGMWTQI” locale = ”US” tag = ”handymtips03-20 ″] муфта двигателя [/ easyazon_link]
2. [easyazon_link identifier = ”B002I3TDP0 ″ locale =” US ”tag =” handymtips03-20 ″] отвертка [/ easyazon_link]
3.[easyazon_link identifier = ”B000NIK8JW” locale = ”US” tag = ”handymtips03-20 ″] плоскогубцы [/ easyazon_link]
4. [easyazon_link identifier = ”B0042D6HLW” locale = ”US” tag = ”handymtips03-20 ″] молоток с гвоздями [/ easyazon_link]
5. [easyazon_link identifier = ”B0001P0E96 ″ locale =” US ”tag =” handymtips03-20 ″] трубчатый гаечный ключ [/ easyazon_link]
youtube.com/embed/WLPGs2UMUJc?feature=oembed» frameborder=»0″ allow=»accelerometer; autoplay; clipboard-write; encrypted-media; gyroscope; picture-in-picture» allowfullscreen=»»/>
Источник видео: appliancemike
Как исправить кривую шайбу | Руководства по дому
Когда кажется, что бак для стирки в вашей стиральной машине наклонен вперед и не кажется центрированным, когда вы смотрите внутрь, скорее всего, у вашей стиральной машины сломалась подвеска или пружина противовеса.Шайбы с прямым приводом имеют три пружины подвески для поддержки бака, а модели с ременным приводом имеют шесть пружин, которые помогают стабилизировать бак для стирки. Когда одна из пружин подвески сломается, ваш бак для стирки может начать стучать или биться о внешний корпус. Вы должны заменить сломанные пружины, прежде чем вы нанесете дополнительный ущерб шайбе.
Открытие сплошной стиральной машины
Вытяните шнур питания стиральной машины из розетки.
Выдвиньте стиральную машину из стены на достаточно большое расстояние, чтобы получить доступ к водопроводу и сливу.Закройте краны подачи горячей и холодной воды. Отсоедините линии подачи от подающих клапанов и вытяните сливной шланг из сливного отверстия в полу или сливного отверстия в стене. Поместите линии подачи и слив в ведро, чтобы слить воду, оставшуюся в линиях.
Выверните винты с обоих концов консоли управления. Винты могут находиться в передней части консоли управления, в задней части консоли управления или под пластиковыми заглушками, прикрепленными к концам консоли управления.Если на вашей консоли нет этих винтов, вставьте гибкий шпатель между каждым концом консоли и верхней частью шкафа стиральной машины, чтобы освободить зажимы, удерживающие консоль управления на шкафу.
Поверните консоль управления к задней части стиральной машины, чтобы открыть жгут проводов переключателя крышки и удерживающие зажимы, удерживающие заднюю панель стиральной машины на корпусе.
Сожмите язычки на жгуте проводов и разорвите его. Вставьте отвертку с плоским лезвием в небольшие отверстия наверху фиксирующих зажимов.Нажмите отверткой вниз, одновременно нажимая на переднюю часть шайбы, чтобы освободить зажимы.
Откройте крышку стиральной машины. Встаньте перед стиральной машиной. Зайдите внутрь отверстия для стиральной машины и возьмите шкаф. Поднимите корпус и потяните его на себя, снимая с рамы стиральной машины. Отложите шкаф в сторону.
Открытие стиральной машины с отдельной передней панелью
Отсоедините шнур питания стиральной машины от розетки в стене. Вытяните шайбу за заднюю стенку достаточно далеко, чтобы получить доступ к линиям подачи воды и слива.Закройте два крана подачи воды. Открутите подающие линии от подающих клапанов и отсоедините сливной шланг от сливного отверстия в полу или вытяните его из сливного отверстия в стене. Поместите лески в ведро на полу, чтобы на них слилась вода.
Вставьте стальной шпатель в горизонтальный шов вдоль передней части шайбы между шкафом стиральной машины и верхней частью шайбы.
Проведите шпателем по шву, пока не найдете зажимы с каждой стороны шкафа.
Нажмите на переднюю часть зажимов шпателем, чтобы высвободить верхнюю часть шайбы из корпуса. Поднимите верх стиральной машины и дайте ей упереться в стену.
Найдите два винта в передних верхних углах корпуса. Выкрутите винты, чтобы отсоединить переднюю панель от остальной части шкафа стиральной машины. Поднимите панель вверх, снимите ее с рамки шайбы и отложите в сторону.
Замена пружин на шайбах с ременным приводом
Найдите шесть пружин подвески под баком для стирки.Три пружины соединяются с опорными ножками ванны, а три — с кольцом на опоре ванны. Когда вы заменяете сломанную пружину подвески, вы должны заменить все шесть, чтобы обеспечить равномерную подвеску на ванне.
Возьмитесь за верхнюю часть пружины плоскогубцами. Рукой потяните бак по направлению к удаляемой пружине. Потяните пружину вверх, чтобы отсоединить ее от опоры ванны. Поверните нижнюю часть пружины, чтобы высвободить ее из отверстий в нижней части шайбы.
Нанесите немного смазки на крючок пружины, который входит в нижнюю часть шайбы. Вставьте пружинный крючок в нижнюю часть шайбы. Используйте фиксирующие плоскогубцы, чтобы растянуть пружину и зацепить ее за опору ванны, когда вы тянете ванну к устанавливаемой пружине.
Повторите эти шаги для замены каждой пружины подвески на шайбе с ременным приводом. Соберите стиральную машину, выполнив действия, которые вы использовали для открытия шкафа стиральной машины, в обратном порядке.
Замена пружин на шайбах с прямым приводом
Переместите шайбу с прямым приводом на открытую рабочую площадку после того, как вы удалите шкаф стиральной машины.Попросите помощника помочь вам аккуратно положить стиральную машину на спину.
Найдите три пружины подвески, соединенные с рамой омывателя спереди слева, спереди справа и сзади бака для стирки. Пружины крепятся к баку для стирки с помощью удерживающих скоб.
Выверните винт, крепящий скобу к баку для стирки.
Как только удерживающий кронштейн отсоединен от бака для стирки, отсоедините кронштейн от конца пружины. Возьмитесь за пружину и отсоедините ее от рамки шайбы.
Нанесите немного смазки на крюк новой пружины. Вставьте смазанный конец обратно в отверстие на раме шайбы. Установите скобу на крючок на другом конце пружины.
Установите кронштейн на ванночку. Закрутите винт в кронштейне, чтобы закрепить его на баке для стирки. Вы можете повторить этот процесс как для передней левой, так и для правой пружины подвески.
Верните стиральную машину в вертикальное положение, чтобы получить доступ к пружине задней подвески.Захватите стиральную машину со стороны ванны. Захватите пружину подвески плоскогубцами. Потяните за пружину, чтобы высвободить ее из нижней части шайбы, а затем отсоедините ее от удерживающего кронштейна.
Нанесите немного смазки на крюк пружины подвески, который входит в удерживающий кронштейн. Вставьте его в кронштейн и с помощью плоскогубцев потяните вниз пружину и зацепите ее за нижнюю часть шайбы.
Соберите стиральную машину, выполнив действия, необходимые для ее разборки, в обратном порядке.
Ссылки
Писатель Bio
Сесилия Харш профессионально пишет с 2009 года. В основном она пишет статьи о домашнем хозяйстве, здоровье и путешествиях для различных интернет-изданий. Она имеет многолетний опыт работы в сфере благоустройства дома, уделяя особое внимание садоводству, и имеет опыт групповых инструктажей. Харш получила лицензию сертифицированного помощника медсестры в 2004 году. Она училась в колледже округа Таррант и изучала английскую композицию.
Ремонт стиральных машин LG: лучшие варианты рядом?
Мы можем отремонтировать стиральную машину любой марки — но даже несмотря на то, что наши опытные техники универсальны, мы по-прежнему считаем себя специалистами, когда дело касается тонкостей каждого типа.
Ремонт стиральных машин LG не стал исключением — мы хорошо знакомы с механическим устройством, деталями и небольшими особенностями вашей стиральной машины LG.
Помогает ли это вам интерпретировать коды ошибок, отображаемые на вашем устройстве LG (tE подразумевает проблему с датчиком температуры, в то время как FE предполагает переполнение из-за неисправного водяного клапана, например) для быстрой диагностики и ремонта, чтобы вы могли вернуться для бизнеса, наш опыт делает ремонт стиральных машин LG простым делом.
Распространенные проблемы со стиральной машиной LG
Хотя в идеале вы будете наслаждаться годами беспроблемной стирки с машиной LG, время от времени могут возникать проблемы. Некоторые проблемы, характерные для машин LG, включают:
Стиральная машина не вращается: Если цикл отжима не запускается как обычно, возможно, произошел сбой в сборе переключателя крышки, что не позволяет вращать барабан, или что приводной ремень оборван или ослаблен — среди других возможных причин .
Стиральная машина издает громкий шум: Если ваша стиральная машина издает громкий шум, этого не должно быть, совершенно очевидно, что что-то не так.
Независимо от того, нуждается ли подшипник ванны в замене, треснул или погнулся ведущий шкив, или в вашей машине вышла из строя муфта двигателя, специалист по ремонту может смыть ваши проблемы.
Стиральная машина не сливает: Прежде чем цикл стирки может быть завершен и цикл отжима начнет сушку одежды, необходимо слить воду.И, конечно же, вы не хотите, чтобы у вас оставалась ванна для мытья посуды, наполненная прохладной водой, на которой может расти плесень и грибок. От переключателя крышки в сборе до сломанного или заблокированного сливного насоса, перегиба сливного шланга или забитого монетоприемника — существует ряд возможных виновников стиральной машины, которая не сливает воду.
Стиральная машина протекает, вибрирует, не запускается или переполняется: Среди других потенциальных сбоев, это несколько, которые могут нарушить бесперебойную работу вашей машины LG.
Как найти лучший ремонт стиральной машины LG Option
У каждого из доступных вариантов есть свои плюсы и минусы, когда дело доходит до ремонта машины LG.
При выборе оптимального варианта ремонта стиральной машины LG мы учитываем цену, качество работы, оперативность поставщика, простоту бронирования и гарантию качества.
Независимая ремонтная мастерская: Маршрут «мама и папа» может иметь некоторые преимущества — цена может быть ниже, или они могут быть расположены недалеко от вашего дома. Но вы, возможно, пожертвуете последовательностью, когда дело доходит до качества работы, оперативности и простоты бронирования. Нет надежного способа узнать, сможет ли частный подрядчик ответить на звонок или он выполнит работу правильно.А когда дело доходит до гарантий, у небольшого провайдера часто не бывает времени или денег, чтобы полностью гарантировать свою работу.
Сеть магазинов: Некоторые крупные сети предоставляют услуги помимо продажи самих приборов. Вы получите стабильную цену и, вероятно, достойную гарантию. Однако часто не хватает простоты бронирования, как и уровня предоставляемых знаний.
Отзывчивость может быть как поразительной, так и отсутствующей.
Book with Puls: От начала до конца мы позаботимся о том, чтобы о вашем ремонте позаботились быстро, качественно и с максимальным удобством.Наш процесс онлайн-бронирования занимает всего несколько минут, и мы делаем все возможное, чтобы вы могли забронировать подходящий вам временной интервал — обычно в тот же день. Наши технические специалисты очень доступны и хорошо осведомлены, и каждый из них проходит тщательную проверку, чтобы убедиться в их компетентности и профессионализме. Мы не только предлагаем четкие и конкурентоспособные цены, но и предоставляем 90-дневную гарантию на детали и работу, чтобы вы могли спокойно относиться к ремонту стиральной машины LG.
Описание гарантии на стиральную машину LG
Как и многие производители, LG предоставляет ограниченную гарантию на свои стиральные машины. Если вы приобрели машину в США, это дает вам право на некоторые действия, если с вашей машиной что-то пойдет не так.
В течение первого года после первоначальной розничной покупки LG предоставит запчасти и услуги для решения большинства проблем, однако в гарантии не указано, как быстро они направят техника для выполнения указанного ремонта.Кроме того, если вашу машину нужно забрать и перевезти, эта стоимость полностью ложится на владельца стиральной машины.
Гарантия LG гласит, что по истечении одного года с момента первоначальной покупки компания предоставит детали барабанного двигателя в течение 10 лет, а барабан из нержавеющей стали — в течение всего срока службы машины. Все работы, а также любые другие требуемые или поврежденные детали являются обязанностью владельца машины.
Гарантия на стиральную машину LG может быть полезной, если вам нужно использовать ее в течение первого года и вы не торопитесь с ремонтом.Это также может быть полезно, если у вас есть конкретные проблемы с барабанным двигателем или барабанами из нержавеющей стали — LG может предоставить необходимую деталь бесплатно.
Если вам все же удастся получить запчасть от LG, вы можете обратиться к специалисту Puls, чтобы помочь вам установить ее быстро и по доступной цене — опять же, гарантия LG не распространяется на работу. Кроме того, если вы находитесь в течение первого года и хотите, чтобы ремонт был выполнен быстро, Puls — отличный вариант.
Забронируйте встречу с Puls и сэкономьте
Всего за 79 долларов один из наших квалифицированных специалистов по ремонту стиральных и сушильных машин в вашем районе может быть к вам в тот же день, чтобы диагностировать вашу стиральную машину LG.Затем, если вы решите продолжить рекомендованный нами ремонт, мы полностью откажемся от этой платы, так что ваш осмотр будет бесплатным.
Мы предоставляем все навыки, инструменты и ноу-хау, чтобы ваш прибор работал должным образом, и мы используем только высококачественные оригинальные запчасти Whirlpool для завершения вашего ремонта. Кроме того, с нашей 90-дневной гарантией на все детали и работу вы можете быть спокойны, зная, что мы все исправим с первого раза, но вы останетесь в страховом покрытии еще долго после завершения обслуживания.
Не проведите еще один день с сломанной стиральной или сушильной машиной — назначьте встречу с нашими специалистами прямо сейчас, и вы сможете с легкостью заняться этой кучей белья уже сегодня вечером.
Стиральная машина amana ntw4516fw2
Несмотря на то, что Amana производит надежное устройство, детали изнашиваются и требуют замены. Стиральная машина громко шумит. Схема частей стиральной машины amana — спасибо, что посетили наш сайт. Доступность продукта и сроки доставки могут быть нарушены из-за COVID-19.У меня есть модель Amana # NTW 4516FW2. Я бы никогда не купил ее, если бы знал, что цикл автоопределения такой. Поиск в справке по модели. CNET. 19 возможных причин и потенциальных решений. Обзор категорий … Стиральная машина Amana NTW4516FW2 не перемешивается и не вращается. Подлинный продукт. Компания Whirlpool произвела оригинальный продукт для вашего Amana NTW4516FW2. Нужна помощь в поиске номера модели? 18 В наличии. Их четыре в упаковке, и они обычно используются в стиральных машинах с прямым приводом.
Введите ключевое слово для поиска.Покупайте по категориям. OEM-номер платы управления Amana — W11101098. Деревянный блок. Видео. Купить Amana NTW4516FW White Direct. В его мешалке двойного действия используются нижние ребра и верхняя часть спирали, которые вращаются друг напротив друга. Статьи. — Ответил проверенный специалист по бытовой технике, стиральная машина, внутренняя корзина для стиральной машины Amana NTW4516FW2. Рассмотрение. Если вы обнаружите неточность в наших часто задаваемых вопросах, сообщите нам об этом, используя нашу контактную форму. Чтобы получить более конкретную информацию, введите номер своей модели.Ваш счет. Купите лучшую стиральную машину за меньшие деньги. У меня есть стиральная машина Amanda, которая застряла во время стирки и никуда не поедет. Я перезагрузил мотор 2 раза, все готово, знает ли кто-нибудь, почему или что я могу это сделать, не такой уж старый получил ее в прошлом году. ВЕРХ. Стартовая цена Amana NTW4516FW помещает ее в бюджетный предел стиральной машины с верхней загрузкой… Описание продукта.
Есть идеи? Если Amana желает предложить своим покупателям недорогую и дешевую машину, я рекомендую не прибегать к модным автодатчикам и автоматическим замкам.TV.com. Приводной двигатель для стиральной машины Amana NTW4516FW2. Продолжая использовать этот сайт, вы соглашаетесь на использование файлов cookie на вашем устройстве, как описано в нашей политике использования файлов cookie, если вы не отключили их. Узнав, как получить доступ к внутренней части стиральной машины Amana, вы сможете диагностировать, тестировать и заменять неисправные компоненты. Мы упрощаем ремонт! Подлинный продукт. Компания Whirlpool произвела оригинальный продукт для вашего Amana NTW4516FW2. Из-за воздействия COVID-19 сроки доставки могут быть дольше, чем обычно, а некоторые товары могут отсутствовать на складе.Чтобы отремонтировать стиральную машину, которая останавливается в середине цикла, попробуйте выполнить общий сброс, сначала отключив стиральную машину от электросети, чтобы перезагрузить компьютер. Купила стиральную машину Amana 11 апреля 2020 года.
Когда зубья на внешнем крае изношены, зубцы не будут взаимодействовать с верхней мешалкой, что приведет к ее неправильному перемешиванию. Стиральная машина Amana NTW4516FW. Бесплатная помощь в ремонте стиральной машины. Многие люди пытаются найти подробную информацию о схемах деталей стиральных машин amana и, конечно же, о TVGuide.com.Рекомендуется заменять все четыре одновременно. Открыто 7 дней в неделю. Эти стиральные машины предлагают очень простые функции стирки, поэтому вы по-прежнему можете стирать белье у себя дома без перенастройки… Популярные вопросы, проблемы и решения по стиральной машине Amana. Бесплатные советы экспертов, поддержка, помощь в устранении неполадок и советы по ремонту для всех стиральных машин Amana. Быстрая доставка. Причина отзыва: Плохое качество. Владельцам техники Amana следует научиться разбирать стиральную машину Amana.Эти направляющие шестерни мешалки обычно называют собачьими ушками. Он не использовался много и простаивал 8 мес. Стиральная машина Amana не запускает мод NTW4516FW2.
Стиральная машина Amana TAA400; Часто задаваемые вопросы. Бренд Amana обеспечивает ценность. Посмотреть решения. Обзоры стиральной машины Amana Ntw4516fw. 1-800-269-2609 24/7. 1,910. Подробная информация о панели управления стиральной машиной Amana W10423793 ((AP006)) Напишите отзыв первым. Пожалуйста, просмотрите список глав в нашем руководстве по ремонту стиральной машины, чтобы начать диагностику общих проблем ремонта стиральной машины.Большинство стиральных машин похожи друг на друга, поэтому, если вы не знаете, где искать, мы предлагаем начать с стиральной машины первой главы… Покупайте по категориям. Найдите Fixya. Проблема: дребезжание и лязг Возможная причина: незакрепленные предметы, такие как монеты или булавки, в баке или насосе, пряжки ремня, удары металлических застежек по стирке… Best Buy имеет честные и непредвзятые отзывы покупателей об Amana… • Прежде чем приступить к устранению неисправностей, отключите питание стиральной машины Amana. У меня есть стиральная машина Amana NTW4516FW, в которую не входил кондиционер для белья.
Стиральная машина Amana — это современное и практичное решение. Эта бытовая техника легко справится с любым объемом белья, позволяя наслаждаться чистым и свежим результатом. Стиральная машина с вертикальной загрузкой Amana белого цвета с 3,5 куб. Футов Gamespot. Придерживайтесь основ: давайте выберем размер загрузки, температуру и тип цикла, и все, что требуется от… Моя стиральная машина Amana Model NTW4516FW2 не включается. Узнать больше. Верхняя загрузка. Он имеет основные функции и возможности, а также установку двойного действия с полным обзором.14 возможных причин и потенциальных решений. Amana NTW4516FW2 Шайба для болтов мешалки — Подлинный OEM. CBS News. Последние новости от. Продвигаемое Видео. ВЫТЯНУЛ ИЗ АМАНА № NTW4516FW2. Устранение неисправностей стиральной машины Amana Неисправность: «грохот» или звуки шестерен Возможная причина: нормальные механические звуки в стиральной машине промышленного качества. Решение: нормальная работа. Также отключите подачу воды. Через 1 минуту снова включите машину, затем откройте и закройте дверцу 6 раз за 12 секунд, чтобы подать сигнал компьютеру о необходимости перезагрузки.
… Найдите наиболее распространенные проблемы, из-за которых стиральная машина Amana может не работать — и. Обзоры стиральных машин предлагают последние обзоры стиральных машин, рейтинги и советы по покупке со скидками. Знание способов устранения неисправностей стиральной машины Amana может сэкономить ваше время и деньги. ZDNet. Политика возврата 365 дней. Руководство. Помощь по ремонту стиральных машин Амана. Ft. Стиральная машина с верхней загрузкой и мешалкой двойного действия и экономия. Инструменты и печать Необходимые инструменты и документы перед началом установки. Amana NTW4516FW — это традиционная стиральная машина с вертикальной загрузкой, которая по-прежнему оснащена мешалкой с центральной стойкой.8 месяцев назад машина начала гудеть, затем остановилась в середине цикла стирки с заблокированной крышкой, и она не разблокируется и не сливается. Найдите экспертные решения распространенных проблем, руководства для самостоятельной сборки, советы по ремонту и руководства для всей стиральной машины Amana.
Узнать больше- + ПОДРОБНЕЕ. Моему Amana NTW4516FW2 примерно 1-2 года, и он не запускается. Компактные стиральные машины предлагают меньшую емкость стирки и специально разработаны для тех, у кого дома небольшие узкие места для установки. Последние вопросы, проблемы и ответы по стиральной машине Amana.Необходимые инструменты: разводной или рожковый гаечный ключ на 9/16 «(14 мм) Уровень. 02:04. 799 157. Меню. $ 11,89. Если потребитель видит коды на дисплее, см. Ниже. Руководство пользователя стиральной машины Amana Системы Amana® PTAC являются произведено по лицензии Goodman Global, Inc. Деталь была тщательно разобрана, тщательно очищена и продезинфицирована. Стиральная машина не вращается. Найдите все модели, которые мы рассмотрели, в лучших стиральных машинах с вертикальной загрузкой, округленных вверх, и для лучших умных стиральных машин с верхней загрузкой Стиральная машина, ознакомьтесь с нашим обзором LG Smart Top Load Washer WT7300CW, или, чтобы узнать о лучшей стиральной машине с верхней загрузкой, прочитайте наш обзор GE GTW335ASNWW.
. Amana NTW4516FW: Цена. Tech Republic. ВЫТЯНУЛ ИЗ АМАНА № NTW4516FW2. Коммерческая микроволновая печь. Нажмите кнопку запуска цикла, и через 30 секунд машина щелкнет, и рядом с замком двери загорится красный свет. Сообщение о влиянии COVID-19. Если вы ищете простую стиральную машину, которая справляется со своей работой без множества ненужных наворотов, стиральная машина Amana NTW4516FW — отличный выбор. Стиральная машина с верхней загрузкой Amana — это довольно компактная стиральная машина с верхней загрузкой в стильном белом корпусе.Стиральная машина Amana NTW4516FW удачно и гармонично впишется в любой интерьер, станет вашим… В настоящее время мы рады сообщить, что мы обнаружили очень интересный контент для обсуждения, а именно схему деталей стиральной машины amana. En español Живой чат онлайн. Открыто 7 дней в неделю. Вместимость — NTW4516FW. Стиральная машина Amana Front Loading от 8 лет. Упоминаемый продукт или услуга: Стиральная машина Amana Ntw4516Fw2. 05.01.2020, автор: Nana.
Посетите сайт amana-ptac.com или позвоните по телефону (877) 254-4729 по всем вопросам, связанным с вашим PTAC.Быстрая доставка. Доставка в тот же день и возврат запчастей от PartSelect без проблем. Купил в августе 2018. Посмотреть решения. Шаг 1 Поставьте ведро под шланг для воды на задней стороне стиральной машины. Купите Amana NTW4516FW White 28 дюймов шириной 3,5 Cu. Руководство по ремонту стиральной машины Amana LW4203W2 LW8201W2 LW8203W2 Тема: Руководство по ремонту стиральной машины Amana Ключевые слова: руководство пользователя, руководство пользователя, руководство пользователя, руководство пользователя, руководство по ремонту, стиральная машина Amana, LW4203W2, LW8201W2, LW8203W2 Дата создания: 5/3 / 2002 8:56:22 Amana NTW4516FW2 Шайба ремонт и запчасти.Я пытался связаться с ними в течение нескольких дней, проводя много часов за компьютером и телефоном, без всякой помощи, один раз разговаривая с человеком, и она заставила меня удержать более 56 минут. Вот наиболее распространенные причины, по которым дверца / крышка стиральной машины Amana не запирается, а также детали и инструкции по устранению проблемы самостоятельно.
Я также заметил, что при установке времени для цикла стирки у меня было 29 минут в качестве опции, а теперь я не показываю 30 минут. Наиболее частые проблемы. Имеет питание в розетке.Питание в розетке. Metacritic. Wshing Mchine mn NTW4516FW ИНСТРУКЦИОННЫЕ ТРЕБОВАНИЯ. Плоскогубцы, которые открываются до 1 3/4 дюйма (44,5 мм) Линейка или измерительная машина. Номер модели стиральной машины Amana NTW4516FW2. 2,5 года — Ответил проверенный технический специалист. Коммерческие микроволновые печи Amana® производятся по лицензии ACP, Inc. Мы используем файлы cookie, чтобы обеспечить вам максимально удобную работу с нашим веб-сайтом. Обработка в тот же день, бесплатная приоритетная доставка Руководство по стиральной машине Amana NTW4516FW2 — Sears Parts Direct Справочный сайт по продукту для Amana Appliances Главная страница — Справка по продукту | Amana Ntw4516fw1 Руководства по эксплуатации стиральной машины Amana, руководства по уходу И запасные части для литературы — делайте покупки в Интернете или звоните по телефону 844-200-5463.
Политика возврата 365 дней. Электродвигатель дверного замка стиральной машины и переключатель в сборе. Перейти к основному содержанию. Наша служба поддержки ищет полезную информацию о продуктах и ответы на часто задаваемые вопросы. Ntw4516fw1 Детали клапана и поплавка стиральной машины Amana — Делайте покупки в Интернете или звоните 844-200-5463. Это доступная компактная стиральная машина объемом 3,5 кубических фута.
как работает сцепление стиральной машины
Большинство процессов в вашей стиральной машине, таких как барабан, клапаны, насос, двигатель и обогреватель, управляются электрически.Поместите одежду в стиральную машину. Стиральная машина с прямым приводом и верхней загрузкой использует сцепление и трансмиссию, как в автомобиле. Хорошая идея — добавить жидкий кондиционер для белья, так как это делают только портативные стиральные машины… Как исправить слабое сцепление на стиральной машине, которая не вращается. Зная, как в холодильнике циркулирует воздух или что у разных конфорок в вашем кухонном шкафу выше BTU, вы можете использовать эти инструменты более эффективно.
Иллюстрация: Стирка одежды оставалась тяжелой работой до появления полностью автоматизированных машин в конце 1930-х годов.Причина этого в том, что двигатель обеспечивает питание работающих внутренних элементов стиральной машины. Исправление: в этом случае вас могут наказать за промедление, когда вас заставят выловить мокрую излишнюю ткань и положить ее в корзину для белья (она у вас есть, не так ли?). — продолжается нижнее волнение… Давайте посмотрим на важные части стиральной машины — это также поможет нам понять, как работает стиральная машина изнутри, и что она делает, чтобы ваша одежда была такой чистой.Жидкое моющее средство лучше всего подходит для портативных стиральных машин. Два типа стиральных машин с верхней загрузкой: стандартные и высокоэффективные. Узел муфты омывателя отпускает тормоз системы привода, позволяя корзине вращаться во время цикла отжима. В первую очередь нужно учитывать общую нагрузку одежды. Итак, в последнее время, когда я стираю, я заметил, что большая часть моей одежды завершила цикл отжима и выходит насквозь мокрой.
Затем пропустите отложенный мокрый материал через стиральную машину. Замена сцепления стиральной машины: Как всегда, спасибо за чтение моих инструкций! Без него ничего бы не получилось.Иногда полезно знать, как на самом деле работают бытовые приборы. В большинстве случаев мне приходилось отжимать большую часть из них, иначе… Это руководство по ремонту шайб, сделанное своими руками, объясняет, как заменить узел сцепления на шайбе с прямым приводом с верхней загрузкой. Как проверить шайбу сцепления. Вы можете разделить белье по цвету и типу ткани так же, как и в обычной стиральной машине. Пожалуйста, обратитесь к схеме ниже, на которой показаны различные части стиральной машины. Когда ваша шайба с прямым приводом работает, но больше не вращается и не перемешивается, скорее всего, ваше сцепление изношено и слабое.В соответствии с загрузкой необходимо выбрать уровень воды, температуру воды, цикл стирки / полоскания и его время. Как работает стиральная машина? В стандартных стиральных машинах с верхней загрузкой в Соединенных Штатах, Канаде и Австралии используется центральная мешалка с лопастями, похожими на пропеллер, для перемещения одежды по воде от верхней части бака стиральной машины к нижней.
К ним относятся мешалка, коробка передач, насос и сцепление. Стиральная машина не отжимается. в то время как загрузка теперь нормального размера делает свое дело.Кроме того, вам необходимо: • Если вы хотели, чтобы в конце 19 века выстирали стирку, проще всего было попросить горничную сделать это за вас, как показано в этой рекламе домашней стиральной машины и отжима, которые считаются современными ». Если шайба вращается, когда корзина пуста, но не когда она полная, проблема может быть в узле сцепления (другой проблемой может быть сцепление… Когда дело доходит до стиральных машин, требуется ли вам ремонт или просто готовитесь к покупке… Обычная стирка будет выглядеть примерно так: вы загружаете в машину белье, дозируете Ariel и выбираете нужную программу.Как работает стиральная машина? Части стиральной машины. Если есть проблема с вашей стиральной машиной, скорее всего, она исходит от двигателя или напрямую связана с ним. Стиральная машина работает проще, чем вы думали.
Minecraft Ender Dragon Zombies, Книга волшебной живописи с водой, Леонардо Чекки Фильмы и телешоу, Джакузи Tripping Rcd, Шум центрального дифференциала Subaru, Какая организация рассматривает исследования, проведенные с использованием животных ?,
Моя стиральная машина, починена.

Это действительно хорошие новости.
У нашей стиральной машины некоторое время назад начались странные симптомы, и они проявились только тогда, когда я стирал несколько вещей подряд. Первая загрузка подойдет, но затем при второй или третьей загрузке цикл отжима будет делать странную остановку, почти как если бы его зацепили.
Мы погуглили, заменили небольшую деталь, которая не решила проблему, а затем мы решили, что хотели бы заплатить кому-нибудь, чтобы он исправил это для нас, потому что проблема не казалась слишком очевидной или супер общий.
Итак, я зашла на Angie’s List и нашла небольшую компанию по ремонту бытовой техники, состоящую из одного человека.
Это обычно мое предпочтение, когда мне нужно кого-то нанять, потому что у более крупных компаний больше накладных расходов (офис, администратор и т. Д.), И когда у меня возникает такая проблема, я предпочитаю не разговаривать с администратором! Гораздо приятнее иметь возможность напрямую поговорить с ремонтником, потому что тогда вы можете задать несколько вопросов.
В любом случае, когда он подошел, конечно, стиральная машина не издавала звуков.
Гайки.
Он тщательно проверил машину и сказал, что почти уверен, что это могло быть только трансмиссия, и оставил мне инструкции выстирать много белья и снять на видео неправильное поведение стиральной машины.
(Это сделало меня действительно счастливым, что у меня наконец-то появился смартфон … было так легко снять видео и отправить ему текстовое сообщение!)
Я так и сделал, и как только он увидел видео, он почувствовал себя уверенным, что передача была проблемой. На то, чтобы деталь пришла, потребовалось несколько дней, но он сказал мне, что тем временем я могу постирать, что сделало меня счастливым!
Когда он вернулся, чтобы установить деталь, вся работа заняла у него, вероятно, всего 30-45 минут, включая его тщательную очистку моей машины, которая была довольно пыльной и грязной под крышкой.
(Если бы мистер Ф.Г. и я предприняли этот ремонт, я уверен, что это заняло бы у нас намного, намного больше!)
Оказалось, что сцепление на нашей машине было изношено, но, к счастью, он заказал одно из таких на всякий случай (а это была всего лишь часть за 15 долларов).
Теперь моя машина работает как новая, и я так счастлив!
( Случайный совет: черный материал внутри внешнего барабана — это скопление мыла, и для предотвращения этого он сказал, что нужно запускать большую пустую загрузку с горячей водой и чашкой порошкового мыла для посудомоечной машины один раз в несколько месяцев.Химические вещества, содержащиеся в мыле для посудомоечной машины, растворяют скопления хозяйственного мыла. Он сказал, что это особенно важно для стиральных машин с фронтальной загрузкой.)
Стоимость
Общие затраты на оба визита, детали и рабочую силу составили 250 долларов.
Примерно половина этой суммы пришлась на запчасти, так что мы потратили лишние 125 долларов только на роскошь, когда работу выполняет кто-то другой.
Мы с мистером Ф.Г. впервые заплатили кому-то за ремонт стиральной или сушильной машины, и я так рад, что мы сделали это на этот раз.Исправления, которые мы сделали сами в прошлом, были довольно простыми, но это было сложнее диагностировать (наш очень опытный ремонтник никогда раньше не видел, чтобы гидромассажная трансмиссия вела себя подобным образом!), И работа была намного сложнее, чем наши предыдущие.
проекты
Мы могли бы потратить много времени и денег на то, чтобы исправить это сами, и, возможно, до сих пор не догадались, а его запуск и запуск в короткие сроки стоили мне дополнительных 125 долларов.
Исправить или заменить?
Когда я упомянул, что мы снова ремонтируем стиральную машину, читатель (Привет, Риз!) Оставил комментарий, задаваясь вопросом, как мы решаем, стоит ли ремонтировать наши машины вместо покупки новых.
Что касается стиральной машины, то ответ довольно прост … мы слышали из нескольких источников (включая ремонтника, который ремонтировал нашу машину на этот раз), что наша стиральная машина с прямым приводом KitchenAid / Whirlpool — лучшая стиральная машина. Они больше их не производят, и очевидно, что новые машины гораздо более подвержены ремонту, чем эта.
Преимущество этой старой машины в том, что она хорошо сделана и имеет очень простую конструкцию. Ничего не компьютеризировано, нет даже ремней, которые могут изнашиваться.
В любом случае, поскольку это отличная стиральная машина, мы очень стараемся ее починить, несмотря ни на что. Теперь у нас новое сцепление и трансмиссия, мы уже заменили переключатель крышки и мешалку, и ремонтник сказал, что тормоза и мотор в отличном состоянии, так что мы должны быть готовы к работе на некоторое время.
Не знаю, насколько хороша наша сушилка, но у нее тоже довольно простая конструкция (без компьютеризации!), И я склонен ремонтировать ее столько, сколько сможем.
Мы сами сделали несколько ремонтов каждого устройства, и я считаю, что до сих пор мы вложили менее 100 долларов в детали для машин, не считая недавнего счета за ремонт в 250 долларов.
Даже с недавним ремонтом мы вложили всего 350 долларов в эти приборы , и это совсем не похоже на стоимость нового набора.
Кроме того, есть тот факт, что выбрасывать бытовую технику не очень вредно для окружающей среды, И тот факт, что даже если бы мы потратили деньги на новые, они, вероятно, сломались бы чаще, чем наши старые .

Датчик не посылает сигнала о наполненности бака и поэтому заливной клапан фактически всегда открыт. Неисправность данного модуля можно устранить собственноручно.
Дело в том, что в таких насосах не очень удачно устроен тракт слива, из-за этого он чаще забивается и насос не может функционировать. Проявляется это в невозможности машинкой слить воду и появлении ошибки с кодом OE. Расшифровку кода ошибки содержит руководство по эксплуатации машины.


В последнем случае рационально вызывать квалифицированную помощь, поскольку разборка устройства может быть сложной, особенно, если проводится ремонт стиральной машины марки LG с прямым приводом. Эти модели особенно подвержены действию замыканий – электроника сложнее, двигатель имеет частотную регулировку.
Сняв переднюю панель, можно демонтировать неисправный насос, открутив пару крепежных болтов.
Включил машинку, стирку прошла просто замечательно, даже промежуточный отжим прошла на ура, но потом опять началась болтанка. Отключил стиральную машину от розетки, попробовал прокрутить барабан, та же история — в одну сторону нормально в другую приклинивает. Теперь сижу и думаю, как исправить подобную поломку, наверняка что-то случилось с модулем управления, я так думаю что перегревается какая-то запчасть, может кто-то встречался с подобной неисправностью и может что-то посоветовать?
При замене подшипников вал не был ржавый, он в хорошем состоянии нет коррозии, раковин и прочего. Подшипники сели на вал с небольшим натягом и так же старые снял, думаю это нормально? Высылаю картинку, на которой видно что-то типа течи воды из-под блока подшипников
Ни в коем случае не пользуйтесь солидолом, графитной смазкой, литолом и другими мазями не предназначенными для этих целей
.. Давайте разберёмся.
При описании данной проблемы подразумевается, что стиральная машина вообще не подаёт признаков жизни, не горят и не мигают индикаторы, нет реакции на нажатие любых кнопок.
3 Стиральная машина LG не заливает воду. Тут за частую всё просто:
Тут тоже не стоит удивляться, ибо при таком подключении часто возникают условия для самопроизвольного слива воды в канализацию. При этом, по мере ухода воды, стиральная машина будет доливать её холодной водой из водопровода, до нужного уровня, тем самым постоянно разбавляя нагретую воду холодной. При таком явлении, по мимо того что стирка происходит в холодной воде, так ещё и без стирального порошка, т.к. оный смывается в канализацию. Да и про бешеный расход воды и электричества чуть не забыл, ведь при таком раскладе, стиральная машина постоянно греет и доливает воду, не отключаясь.
Наиболее распространённые причины:
Зачастую заключается в заклинивании крыльчатки из-за выработки на втулке. Бывает что поломка происходит из-за попадания воды на обмотки сливного насоса.
При этом подача воды прекращается при отключении питания от стиральной машины.
